QQ登录

只需一步,快速开始

登录 | 注册 | 找回密码

三维网

 找回密码
 注册

QQ登录

只需一步,快速开始

展开

通知     

查看: 1172|回复: 9
收起左侧

[原创] solid edge ST3 手压阀之其他配件工程图介绍(语音)

[复制链接]
发表于 2011-9-25 08:59:33 | 显示全部楼层 |阅读模式 来自: 中国广东江门

马上注册,结识高手,享用更多资源,轻松玩转三维网社区。

您需要 登录 才可以下载或查看,没有帐号?注册

x
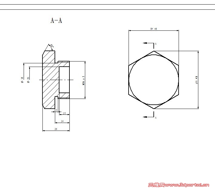
solid edge ST3 手压阀之其他配件工程图介绍(语音)
其他配件.jpg
 楼主| 发表于 2011-9-25 09:00:16 | 显示全部楼层 来自: 中国广东江门
solid edge ST3 手压阀之其他配件工程图介绍(语音) 1 2

solid edge ST3 手压阀之其他配件工程图介绍(语音).part01.rar

976.56 KB, 下载次数: 8

solid edge ST3 手压阀之其他配件工程图介绍(语音).part02.rar

976.56 KB, 下载次数: 7

 楼主| 发表于 2011-9-25 09:00:37 | 显示全部楼层 来自: 中国广东江门
solid edge ST3 手压阀之其他配件工程图介绍(语音) 3 4

solid edge ST3 手压阀之其他配件工程图介绍(语音).part03.rar

976.56 KB, 下载次数: 6

solid edge ST3 手压阀之其他配件工程图介绍(语音).part04.rar

976.56 KB, 下载次数: 7

 楼主| 发表于 2011-9-25 09:01:16 | 显示全部楼层 来自: 中国广东江门
solid edge ST3 手压阀之其他配件工程图介绍(语音) 5 6

solid edge ST3 手压阀之其他配件工程图介绍(语音).part05.rar

976.56 KB, 下载次数: 6

solid edge ST3 手压阀之其他配件工程图介绍(语音).part06.rar

976.56 KB, 下载次数: 7

 楼主| 发表于 2011-9-25 09:01:35 | 显示全部楼层 来自: 中国广东江门
solid edge ST3 手压阀之其他配件工程图介绍(语音) 7 8

solid edge ST3 手压阀之其他配件工程图介绍(语音).part07.rar

976.56 KB, 下载次数: 7

solid edge ST3 手压阀之其他配件工程图介绍(语音).part08.rar

976.56 KB, 下载次数: 7

 楼主| 发表于 2011-9-25 09:01:59 | 显示全部楼层 来自: 中国广东江门
solid edge ST3 手压阀之其他配件工程图介绍(语音)9 10

solid edge ST3 手压阀之其他配件工程图介绍(语音).part09.rar

976.56 KB, 下载次数: 7

solid edge ST3 手压阀之其他配件工程图介绍(语音).part10.rar

976.56 KB, 下载次数: 6

 楼主| 发表于 2011-9-25 09:02:18 | 显示全部楼层 来自: 中国广东江门
solid edge ST3 手压阀之其他配件工程图介绍(语音) 11 12

solid edge ST3 手压阀之其他配件工程图介绍(语音).part11.rar

976.56 KB, 下载次数: 6

solid edge ST3 手压阀之其他配件工程图介绍(语音).part12.rar

976.56 KB, 下载次数: 7

 楼主| 发表于 2011-9-25 09:02:47 | 显示全部楼层 来自: 中国广东江门
solid edge ST3 手压阀之其他配件工程图介绍(语音) 13 14

solid edge ST3 手压阀之其他配件工程图介绍(语音).part13.rar

976.56 KB, 下载次数: 7

solid edge ST3 手压阀之其他配件工程图介绍(语音).part14.rar

976.56 KB, 下载次数: 7

 楼主| 发表于 2011-9-25 09:02:57 | 显示全部楼层 来自: 中国广东江门
solid edge ST3 手压阀之其他配件工程图介绍(语音) 15

solid edge ST3 手压阀之其他配件工程图介绍(语音).part15.rar

333.39 KB, 下载次数: 7

发表于 2011-9-27 08:13:22 | 显示全部楼层 来自: 中国四川成都
下了,好东西,
发表回复
您需要登录后才可以回帖 登录 | 注册

本版积分规则


Licensed Copyright © 2016-2020 http://www.3dportal.cn/ All Rights Reserved 京 ICP备13008828号

小黑屋|手机版|Archiver|三维网 ( 京ICP备2023026364号-1 )

快速回复 返回顶部 返回列表