QQ登录

只需一步,快速开始

登录 | 注册 | 找回密码

三维网

 找回密码
 注册

QQ登录

只需一步,快速开始

展开

通知     

全站
9天前
查看: 1714|回复: 6
收起左侧

[已答复] 大概做了一下这个箱体机构,又有几个问题!

[复制链接]
发表于 2011-10-23 22:00:46 | 显示全部楼层 |阅读模式 来自: 中国广东肇庆

马上注册,结识高手,享用更多资源,轻松玩转三维网社区。

您需要 登录 才可以下载或查看,没有帐号?注册

x
本帖最后由 wakang 于 2011-10-29 15:22 编辑 : W* h' X9 ]8 L, M0 h1 v) k, x
% L9 H+ h6 }7 L+ j' [/ m
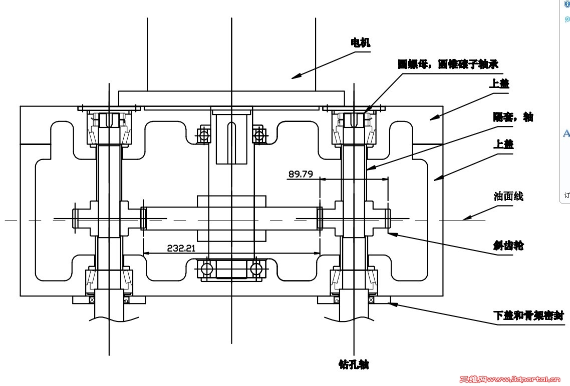
1。多轴钻箱体,如此结构合理吗?
6 D. Z6 a5 T9 m) n2。齿轮的硬度需要做成一高一低吗?0 `, t7 ~0 n& c, l; y8 Z
3。如果润滑方式是浸油,轴下方进入轴承座的位置该如何密封呢,下盖用旋转轴辰密封圈可以吗?
* h6 R: z: H, n& q: @- _! U. u4。圆螺母止动垫圈在轴上开槽的尺寸怎么定呢?! p: G! P, D, ~1 a
2 |/ Q& P- I0 [/ h) D2 j# Y7 y: m
谢谢大家了!
$ v9 b0 }( w. W3 t! g( X
箱体机构!!
7 `: o9 h, F2 x5 _, S% J* | 1110232212f1cb40d07ea8f418.jpg
5 V, T( F, ?' g( QWWXGO 发表于 2011-10-23 22:12 http://www.3dportal.cn/discuz/images/common/back.gif

钻孔2-Model.pdf

67.15 KB, 下载次数: 6

发表于 2011-10-23 22:20:56 | 显示全部楼层 来自: 中国江苏常州
有常用的简单结构& R' p( c" X9 I1 ]9 ?

4 F6 V; i+ I: k/ \ 360截图20111023222009953.jpg

评分

参与人数 1三维币 +2 收起 理由
天际孤帆 + 2 鼓励交流

查看全部评分

发表于 2011-10-24 08:35:42 | 显示全部楼层 来自: 中国湖北武汉
楼主那个轴设计有问题,用圆锥滚子轴承承受钻孔的轴向力不妥,最好按楼下的用平面推力轴承
发表于 2011-10-24 10:16:50 | 显示全部楼层 来自: 中国广东广州
1.同轴的两端轴承尽量做到一个箱体上,做成分体箱形是不得已而为之,加工必须把定位销打好后加工: b  G$ s( h! m- H( }+ A; t
2.齿轮硬度不必做一高一低。看有没必要做斜齿轮,用斜齿轮注意下你电机轴的轴承。2 |& Y! k" O& M2 q5 J
3.作为立钻用,需要好好考虑下下端密封问题,8 f5 E: P  U7 y) v, J
4.止动垫圈开槽有相关标准。/ O# G3 ]' Y1 X' X
另外,你用的什么电机,一般按经济性原则选得应该是普通的三相交流电机,只是你齿轮一级传动是升速传动,如果电机同步转速是1500,你的输出轴转速都快4000转了,请注意这点。1 A$ ^5 ^: u# q. O: R8 [8 {2 }* N
建议,如果是做多轴钻,可以学习下组合机床相关知识,组合机床在多轴钻攻等方面有独到之处。

评分

参与人数 1三维币 +2 收起 理由
天际孤帆 + 2 鼓励交流

查看全部评分

 楼主| 发表于 2011-10-24 20:40:56 | 显示全部楼层 来自: 中国广东肇庆
本帖最后由 wakang 于 2011-10-29 15:16 编辑
. x& B# h; [1 A7 l! y" r! G3 J4 f$ F7 `/ v0 Q+ @9 b
谢谢了,领导说了不用平面推力轴承!钻孔直径17,深度35,材料为铸铁HT200,不知道是否妥当? 4# j.chen404
% \4 N3 Z/ R# X4 X+ `( @  e1 [
谢谢您了!2 f) ^! q& ^6 w, N/ Y, g
箱体领导也说了做成上下盖的。% y- o6 t6 q5 a1 c3 J
电机轴承问题您是要我注意轴向力的问题吧,带了减速器了,有减速器,应该不影响电机轴承吧?2 P% ?4 M( ]2 i) e% K6 I9 \& K+ v
下部的密封,我就不懂怎么弄,油是否让它泡到轴承里面呢!那么转轴就用骨架 ...
  h  T+ @# e5 G# ?* FWWXGO 发表于 2011-10-24 20:49 http://www.3dportal.cn/discuz/images/common/back.gif

$ }) k/ u1 h  h; l+ R, b) w- w+ I& c" f- |- C+ m$ d4 W4 O' S! s
没有新进展,自己顶一下吧,希望大家指点!!
' v. v, z( O0 D% T6 lWWXGO 发表于 2011-10-25 21:04 http://www.3dportal.cn/discuz/images/common/back.gif
发表于 2011-10-25 21:31:57 | 显示全部楼层 来自: 中国广东东莞
本帖最后由 tangcarlos3d 于 2011-10-26 21:15 编辑 4 }4 e7 q! i! @
箱体机构!!( Q5 v" i1 m4 G. t- Q, ^0 e! E' M
WWXGO 发表于 2011-10-23 22:12 http://www.3dportal.cn/discuz/images/common/back.gif
' @4 J" Q4 R  c) k) ]
1.电机下面有没有减速器?没有的话你的输出轴转速是电机的2倍吗?也就是说钻头的转速大约3000~6000rmp(假定电机的转速为1450rmp或2900rmp)?钻头的转速确是需要这么高吗?
, I0 U# o$ a0 h2.下面轴承与齿轮之间的内孔要加骨架油封。下轴承端盖与轴和箱体也要密封。
9 m, ?. ]( z' n+ D6 W- A! T3.润滑考虑采用毛细管现象的油毡索滴油润滑。此时可把轮毂加高些。
( x, C* S4 d% [6 _! a- F" N4.可考虑用双圆螺母放松。
; Z; w0 `# X5 p+ |# E" r以上仅供参考。

评分

参与人数 1三维币 +2 收起 理由
天际孤帆 + 2 鼓励交流

查看全部评分

 楼主| 发表于 2011-10-26 20:58:38 | 显示全部楼层 来自: 中国广东肇庆
谢谢TANG,1,2点都做了,您说的润滑方式我明天会自己看看资料了解一下什么“毛细管”!! 9# tangcarlos3d
发表回复
您需要登录后才可以回帖 登录 | 注册

本版积分规则


Licensed Copyright © 2016-2020 http://www.3dportal.cn/ All Rights Reserved 京 ICP备13008828号

小黑屋|手机版|Archiver|三维网 ( 京ICP备2023026364号-1 )

快速回复 返回顶部 返回列表