QQ登录

只需一步,快速开始

登录 | 注册 | 找回密码

三维网

 找回密码
 注册

QQ登录

只需一步,快速开始

展开

通知     

全站
10天前
查看: 3996|回复: 25
收起左侧

[求助] 这个零件怎做夹具批量生产

[复制链接]
发表于 2011-10-29 12:22:27 | 显示全部楼层 |阅读模式 来自: 中国江苏苏州

马上注册,结识高手,享用更多资源,轻松玩转三维网社区。

您需要 登录 才可以下载或查看,没有帐号?注册

x
本帖最后由 lan289073673 于 2011-10-29 12:27 编辑
4 _% K3 a/ @; F- K3 A+ J
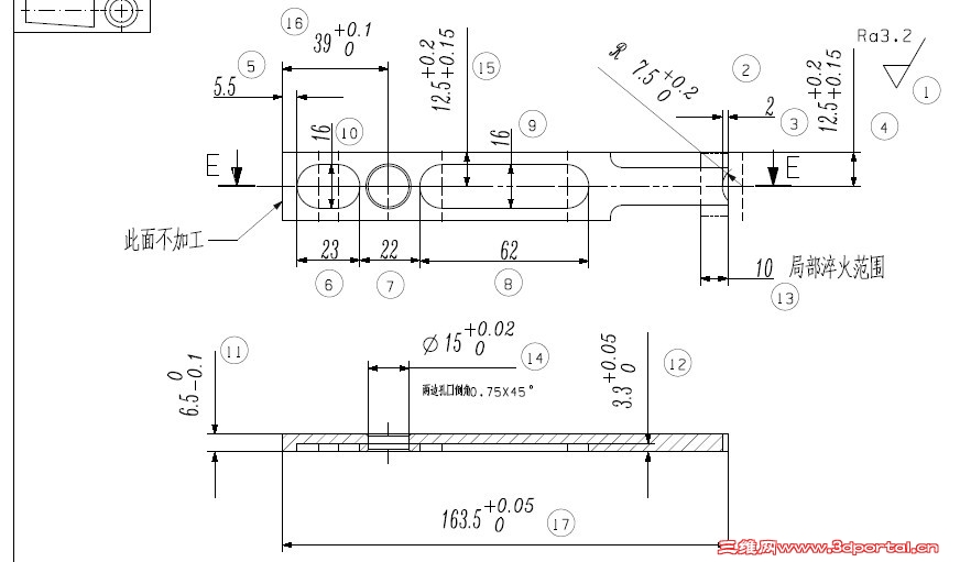
" m2 u9 ~: T+ @, y& C8 Z2 x0 b那位帮帮忙,这零件怎设夹具做批量生产,谢谢,我们是加工店就有加工中心而于。注:外形激光到位的,只加工头部R7.5跟D15孔跟腰形操。
1.jpg
发表于 2011-10-29 13:08:47 | 显示全部楼层 来自: 中国广东东莞
图纸尺寸界线和轮廓没分开,让人看得比较难受。! D" @) o& e/ p& D# z
这个工件应该不难。关键是15+0.02的孔。如果是大批量生产我建议用模具冲压落料外形、右侧R7.5+0.2凹槽、15+0.02的底孔。小批量的话就用激光下料。
- L* l2 g. u& ~; r! ]9 u铣床精加工15孔和铣两个16腰槽。夹具以左端定位X方向,上边定Y方向。压紧左边5.5、右边长条上表面。
9 `. S5 p, ?8 N) R) l# p; V以上供参考。
发表于 2011-10-29 13:26:09 | 显示全部楼层 来自: 中国上海
实话说,激光切割公差大小我没数,在我看来冲压完全可以落料,且就此谈谈吧。
& e( N# w1 h0 s' ^4 f需台钻、炮塔铣各几台——根据你产量要求。分步加工,试加工至尺寸无误,夹具、参数固定住,开始批量加工。中途需抽查,防止尺寸跑偏。
! {- m, C8 H5 y/ @9 A- h/ ^0 W7 Q1、制槽状工装,推片入槽,钻φ15孔;
. L7 w: r& s* I" c2 v+ v6 l2、重复上述操作,倒角;4 c6 p; N  F; \3 j
3、以槽、并辅之以孔定位,在铣床上先后铣出腰形槽;5 p: A) p4 ?4 \
4、做槽状工装,两片工件小头相对安装,固定,台钻钻φ7.5孔。
. f0 r, K5 A( d6 ]2 T4 p, [5、整形,修毛刺。
 楼主| 发表于 2011-10-29 14:13:03 | 显示全部楼层 来自: 中国江苏苏州
不好意思,我们只有加工中心,
 楼主| 发表于 2011-10-29 14:26:19 | 显示全部楼层 来自: 中国江苏苏州
我现在用虎钳夹着一件一件加工,有点慢,做出来的尺寸是OK的,我就想看有什么办法,一下做好多个这样
发表于 2011-10-29 20:09:43 | 显示全部楼层 来自: 中国广东东莞
本帖最后由 tangcarlos3d 于 2011-10-31 21:20 编辑 / |, _( T1 G1 x5 F& C2 P2 y) m
1 j6 u% t3 W5 q# ^4 ^8 A0 R/ K* \) A
这个零件用加工中心!有些杀鸡用牛刀吧。你们老板真有钱。做2~4块同样镇铁180X160,上面开5个20X6的通槽(pitch 30mm)。在槽的一端种上pin用作端面定位,把工件靠同一边,另外的地方用黑胶固定即可。铣完一个镇铁的5件后换上另一个镇铁的5件加工。同时装卸另一个镇铁的工件。
 楼主| 发表于 2011-10-31 13:06:33 | 显示全部楼层 来自: 中国江苏苏州
大哥,能画个图给我看下吗?有点不明白意思。
发表于 2011-10-31 14:21:48 | 显示全部楼层 来自: 中国浙江宁波
R和D15可以叠起来加工,槽子做夹具不做夹具效果差不多。
发表于 2011-10-31 21:24:07 | 显示全部楼层 来自: 中国广东东莞
大哥,能画个图给我看下吗?有点不明白意思。  M' }# ~; }0 U2 d" H2 Z2 E& n* O
lan289073673 发表于 2011-10-31 13:06 http://www.3dportal.cn/discuz/images/common/back.gif

/ V  `1 Q# m, o( h我真不知道怎么说你。下图没有画端面定位块。用黑胶点住后放在铣床上加工。, i0 N7 B: @% ]9 H8 }
现在明白了吗?
1.jpg
发表于 2011-10-31 23:13:07 | 显示全部楼层 来自: 中国浙江宁波
楼上的费心了。' w& _4 j. C& b1 `5 w/ c( _2 j

6 T% r' z- r7 K# l3 v这个夹具不方便吧?
发表于 2011-10-31 23:30:21 | 显示全部楼层 来自: 中国广东东莞
楼上的费心了。' i6 g8 \# p' {. a9 C' \

4 T: {5 m9 W1 R- C) o0 ]这个夹具不方便吧?
# D' {) R& V3 Q& q' W$ k8 {LOCUAS 发表于 2011-10-31 23:13 http://www.3dportal.cn/discuz/images/common/back.gif

* J( P7 |8 q# f有什么不方便?机械方法夹紧不能夹紧尾端。话不要只讲半截嘛。大家互相讨论无妨。
发表于 2011-10-31 23:46:24 | 显示全部楼层 来自: 中国浙江宁波
装活卸活是不是繁琐不简便呢?
4 z; \0 q* ]' r) y* x
" Q) {$ W" X- s6 ]个人见解而已,如果做夹具我也只能像你这样做,但是我可能选择做个靠山,虎钳一个一个夹的方法,通孔和圆弧可以多件一次加工的先做掉,然后就是一个一个铣槽子。
 楼主| 发表于 2011-11-1 15:49:26 | 显示全部楼层 来自: 中国江苏苏州
本帖最后由 lan289073673 于 2011-11-1 15:55 编辑 5 w# h$ f5 \! E2 J
" X: _$ R* y/ Y$ m1 h
[quote]# i, ?  ]2 a5 o$ H: F# m
用黑胶点 j是520吗?我们只有加工中心,没什么铣床之类
6 U0 T! ]! X) k3 b1 r( t9 X做成这样可以吗,就是上面用压板压.红色面为加工面.我们有好多像这种产品,有些全外形都要倒角,不怎做怎样式的夹具 未命名.jpg
5 O& z" c$ d0 s# ~ 22.jpg 像这种两面最大外面都的机倒角
发表于 2011-11-1 18:20:36 | 显示全部楼层 来自: 中国广东东莞
装活卸活是不是繁琐不简便呢?
! S* Y& d! P  i* R: |0 {; |: B4 f5 P
个人见解而已,如果做夹具我也只能像你这样做,但是我可能选择做个靠山,虎钳一个一个夹的方法,通孔和圆弧可以多件一次加工的先做掉,然后就是一个一个铣槽子。
: ?& k: J2 \. n$ e+ wLOCUAS 发表于 2011-10-31 23:46 http://www.3dportal.cn/discuz/images/common/back.gif

+ Q6 O1 O" y& [* k7 Z8 c请您把楼主5楼的贴和我前面的贴看看。我画的图是根据前面的分析结果画的。楼主要快,但没有给宽度尺寸和公差,所以才这样画。本想画一个机械压紧方案(一压二),但没宽度尺寸和公差就没画了。我的方案,通孔和圆弧在前面以加工了,这个夹具只供铣槽用。
发表于 2011-11-1 18:24:36 | 显示全部楼层 来自: 中国广东东莞
本帖最后由 tangcarlos3d 于 2011-11-1 20:30 编辑 4 x( S: H. y9 J. J
用黑胶点 j是520吗?我们只有加工中心,没什么铣床之类5 i, y* |8 A* n; X7 l% [
做成这样可以吗,就是上面用压板压.红色面为加工面.我们有好多像这种产品,有些全外形都要倒角,不怎做怎样式的夹具1963043
) \0 g) B. l5 O7 ^+ t, k! I1963044像这种两面最大外面都的 ...
  n: F- O% B5 Q/ jlan289073673 发表于 2011-11-1 15:49 http://www.3dportal.cn/discuz/images/common/back.gif
& g7 i$ a2 q. l& Y
你的宽度方向有间隙(你没有提供宽度尺寸和公差所以我设计成这样的),不能保证精度。长度方向设计基准盖住了并且没有定位(即可以移动)。想想为什么?
 楼主| 发表于 2011-11-2 11:04:14 | 显示全部楼层 来自: 中国江苏苏州
你好,宽度是25+0.05的,我是想设计一个一次全部加工下来的夹具。麻烦你能否设一个给我看下,传STP档,谢谢
 楼主| 发表于 2011-11-2 11:20:35 | 显示全部楼层 来自: 中国江苏苏州
像这三个图打样,我都是买15MM厚的材料加工好,在反过来飞,在夹虎钳上做的,不知各位有什么好方法,谢谢!

图纸.zip

361.69 KB, 下载次数: 2

发表于 2011-11-2 20:42:18 | 显示全部楼层 来自: 中国广东东莞
你好,宽度是25+0.05的,我是想设计一个一次全部加工下来的夹具。麻烦你能否设一个给我看下,传STP档,谢谢3 |' {* W* @( f6 o7 i
lan289073673 发表于 2011-11-2 11:04 http://www.3dportal.cn/discuz/images/common/back.gif

& {+ K) e! j. M1 a: U“外形激光到位”25+0.05的尺寸能大的达的到吗?
 楼主| 发表于 2011-11-3 08:26:05 | 显示全部楼层 来自: 中国江苏苏州
“外形激光到位”25+0.05的尺寸能大的达的到吗?# ~. ]7 V, k/ {9 c2 G: I
tangcarlos3d 发表于 2011-11-2 20:42 http://www.3dportal.cn/discuz/images/common/back.gif
  I+ [& H! |; C! y0 j- g3 L! L
可以的,也否帮我设计一个能够一次全加工完的夹具吗?谢谢!
发表于 2011-11-3 15:21:04 | 显示全部楼层 来自: 中国江苏徐州
用加工中心加工的话,找两个互相垂直的面做基准就可以。
 楼主| 发表于 2011-11-4 13:12:37 | 显示全部楼层 来自: 中国江苏苏州
怎没人给个满意的答案啊?
 楼主| 发表于 2011-11-4 13:13:20 | 显示全部楼层 来自: 中国江苏苏州
20# lhj7103
6 `8 t* m$ F/ \2 }* D, ?6 X那做的是批量,你说的是一个一个做?
 楼主| 发表于 2011-11-4 13:15:29 | 显示全部楼层 来自: 中国江苏苏州
6# tangcarlos3d 9 I# H  B+ [' P7 ]( ~
外形公差25+0.05能保证的,能否帮忙设计一个能一次就加工完批量夹具的,我们只有加工中心,没什么铣床,钻床。谢谢!
发表于 2011-11-4 13:42:43 | 显示全部楼层 来自: 中国江苏苏州
会不会变形啊???
发表于 2011-11-4 15:08:58 | 显示全部楼层 来自: 中国江苏苏州
好像那样做完应该会变形!!!
发表回复
您需要登录后才可以回帖 登录 | 注册

本版积分规则


Licensed Copyright © 2016-2020 http://www.3dportal.cn/ All Rights Reserved 京 ICP备13008828号

小黑屋|手机版|Archiver|三维网 ( 京ICP备2023026364号-1 )

快速回复 返回顶部 返回列表