QQ登录

只需一步,快速开始

登录 | 注册 | 找回密码

三维网

 找回密码
 注册

QQ登录

只需一步,快速开始

展开

通知     

查看: 1141|回复: 7
收起左侧

[求助] 液压系统回路疑惑

[复制链接]
发表于 2011-11-9 16:30:12 | 显示全部楼层 |阅读模式 来自: 中国广东深圳

马上注册,结识高手,享用更多资源,轻松玩转三维网社区。

您需要 登录 才可以下载或查看,没有帐号?注册

x
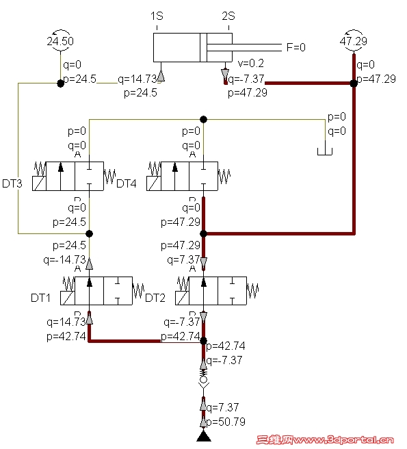
a1.jpg 0 Y7 T" m5 P, d7 Y
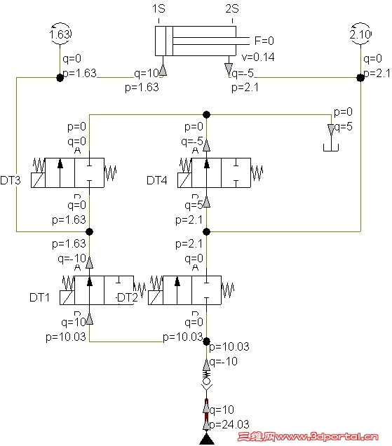
a2.jpg % _" d  b9 T- A& L; a" F/ W
差动时,压力很高?
发表于 2011-11-9 18:19:33 | 显示全部楼层 来自: 中国河南安阳
你的系统负荷F=0,系统的压力源于元件的压降。( c+ a' V2 k4 z! w4 W  ~/ z
差动时,流量增大,压降增加,系统的压力升高。7 K5 E8 X0 [, i! M$ g- t

. f1 E7 X: L! s这个系统中DT1换向阀压降最大,元件通径小应该是主要原因。
 楼主| 发表于 2011-11-10 07:59:35 | 显示全部楼层 来自: 中国广东深圳
但是单向阀压降由24到10,怎么理解?
发表于 2011-11-10 11:17:36 | 显示全部楼层 来自: 中国河南安阳
通过单向阀的压降:
9 k; T) D3 x9 N2 k第一个图流量小,所以压降小。
# D1 Z$ R$ B, g$ m第二个图流量大些,压降大些。
发表于 2011-11-10 11:18:18 | 显示全部楼层 来自: 中国河南安阳
你这个是仿真的吧,说说你的元件的通径参数。
 楼主| 发表于 2011-11-10 13:32:26 | 显示全部楼层 来自: 中国广东深圳
festo仿真
" P# k7 v2 B; n% j+ s不知道那里有通径参数设置。
4 n3 `' ]0 e3 c0 o3 y单向阀开启压力1BAR0 ?; q) l5 N% O5 |  K0 t
换向阀找不到在哪里设置。
发表于 2011-11-10 20:36:30 | 显示全部楼层 来自: 中国河南安阳
festo仿真8 N/ {% Y3 ~! G/ F4 \* V, F
不知道那里有通径参数设置。
% X) ?9 j6 H& j  \单向阀开启压力1BAR6 e  Z* L# a8 j2 T7 o
换向阀找不到在哪里设置。
, G0 R1 H' O  _% {% rsteve_suich 发表于 2011-11-10 13:32 http://www.3dportal.cn/discuz/images/common/back.gif
! E" m1 T8 q3 j1 z
你选择地通径太小了。
 楼主| 发表于 2011-11-11 11:34:01 | 显示全部楼层 来自: 中国广东深圳
这个软件我不知道在哪里改通径大小。
发表回复
您需要登录后才可以回帖 登录 | 注册

本版积分规则


Licensed Copyright © 2016-2020 http://www.3dportal.cn/ All Rights Reserved 京 ICP备13008828号

小黑屋|手机版|Archiver|三维网 ( 京ICP备2023026364号-1 )

快速回复 返回顶部 返回列表