QQ登录

只需一步,快速开始

登录 | 注册 | 找回密码

三维网

 找回密码
 注册

QQ登录

只需一步,快速开始

展开

通知     

查看: 1376|回复: 8
收起左侧

[求助] 液压故障诊断

[复制链接]
发表于 2011-11-10 23:01:13 | 显示全部楼层 |阅读模式 来自: 中国甘肃金昌

马上注册,结识高手,享用更多资源,轻松玩转三维网社区。

您需要 登录 才可以下载或查看,没有帐号?注册

x
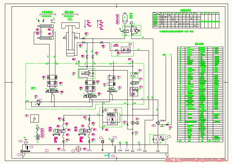
设备工作原理:该设备用于半连续铸造方式生产铸锭,铸造主油缸以30~200mm/min的速度下行(我们常用的速度为50~90mm/min)将铸锭从结晶器中拉出,需要实现间歇铸造,通常是拉10秒,停3秒。铸造完毕后将铸锭吊出,铸造主油缸快速上行,准备下一个铸造过程。8 {- j& [1 n- H( e' |4 j
0 G, N/ d! u& P3 K; f
故障现象:铸造过程中速度异常,设定铸造速度为30mm/min时实测速度不足10mm/min,设定铸造速度50mm/min时实测速度约20mm,且随着铸造长度的增加速度会越来越慢。
/ }  F  L* m3 F. l
7 l' Z4 r# o0 n故障处理过程:首先是怀疑比例阀(图中标号为30)故障,更换比例阀后故障依旧。然后调节标号为25的节流阀,将节流阀流量调大,故障现象依然存在,而且当设定速度为30mm/min时油缸不下行,而是上行,设定速度为50mm/min以上时油缸才能下行,而且速度依然很慢。空载、铸造速度设为30mm/min时实测油缸上腔压力6.5MPa,油缸下腔压力3.5MPa。
001.JPG
 楼主| 发表于 2011-11-10 23:03:40 | 显示全部楼层 来自: 中国甘肃金昌
图片看不清楚,把DWG文件传上来。

液压原理图.rar

177.19 KB, 下载次数: 21

发表于 2011-11-11 09:34:57 | 显示全部楼层 来自: 中国湖北十堰
本人认为你的油缸活塞密封出现严重损坏,近似认为活塞没有密封。当你的比例阀调整回油速度慢时,可以近似认为液压回路为差动。你可以做一下试验,将YV7不带电会出现什么情况。如果出现油缸上升,就应该是油缸密封出了问题
发表于 2011-11-11 11:12:24 | 显示全部楼层 来自: 中国湖南长沙
油泵是不是有问题了?发热是不是严重?容积效率降低了?
 楼主| 发表于 2011-11-12 18:25:30 | 显示全部楼层 来自: 中国甘肃金昌
3楼说的没错,刚开始的时候就怀疑油缸内泄,但因油缸拆装工作量太大,于是先从阀入手开始查,把所有怀疑的阀全部换了一遍,故障依旧,最后把油缸换了后故障消除。目前换下来的油缸还未拆开检查。
发表于 2011-11-12 20:38:10 | 显示全部楼层 来自: 中国安徽马鞍山
3楼好厉害,学习中
 楼主| 发表于 2011-11-14 19:30:01 | 显示全部楼层 来自: 中国甘肃金昌
油缸拆开后检查发现,确实是活塞的密封损坏了,活塞环已经碎了。
发表于 2011-11-23 17:11:03 | 显示全部楼层 来自: 中国北京
呵呵,这个看过后首先是怀疑阀的问题,然后从你的说明来判断问题出自油缸。
发表于 2011-11-24 10:31:50 | 显示全部楼层 来自: 中国福建龙岩
学习了,受教了
发表回复
您需要登录后才可以回帖 登录 | 注册

本版积分规则


Licensed Copyright © 2016-2020 http://www.3dportal.cn/ All Rights Reserved 京 ICP备13008828号

小黑屋|手机版|Archiver|三维网 ( 京ICP备2023026364号-1 )

快速回复 返回顶部 返回列表