QQ登录

只需一步,快速开始

登录 | 注册 | 找回密码

三维网

 找回密码
 注册

QQ登录

只需一步,快速开始

展开

通知     

查看: 2064|回复: 10
收起左侧

[求助] 位置度检测

[复制链接]
发表于 2011-11-12 20:08:54 | 显示全部楼层 |阅读模式 来自: 中国江西景德镇

马上注册,结识高手,享用更多资源,轻松玩转三维网社区。

您需要 登录 才可以下载或查看,没有帐号?注册

x
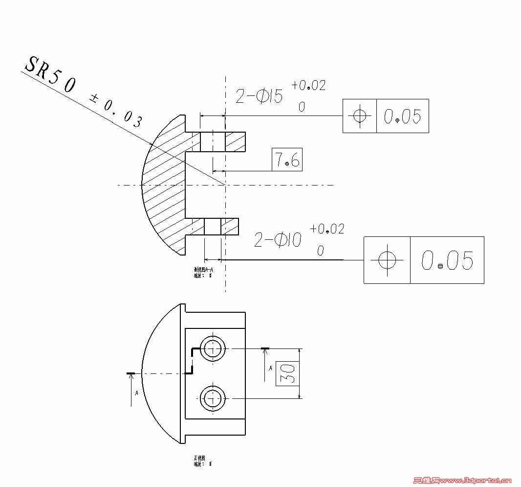
xjt wzd.jpg + B  p$ g9 U' b
各位前辈:如附图所示,改孔的位置度如何检测,用三坐标如何建立坐标系!谢谢
发表于 2011-11-12 20:13:34 | 显示全部楼层 来自: 中国广东东莞
本帖最后由 tangcarlos3d 于 2011-11-13 12:00 编辑 ; o/ B1 m6 ~' M+ i6 E: v
- R4 E+ c9 S3 q! B
你的图纸的位置度标注有问题:位置度有三个互为垂直的基准面或其它基准。你的位置度的基准是什么?

评分

参与人数 1三维币 +2 收起 理由
天际孤帆 + 2 鼓励交流

查看全部评分

 楼主| 发表于 2011-11-12 20:19:35 | 显示全部楼层 来自: 中国江西景德镇
嗯,我想问的是,如果仅仅以1个直径15的孔和一个球心做基准,能测另一个直径15的孔的位置度? 2# tangcarlos3d
发表于 2011-11-13 09:06:35 | 显示全部楼层 来自: 中国辽宁盘锦
看使用要求,就是和球心有关吧
发表于 2011-11-13 10:56:40 | 显示全部楼层 来自: 中国上海
未标注基准,就是自为基准。图上为同组要求,实际上就是二孔距离误差了
 楼主| 发表于 2011-11-13 20:26:15 | 显示全部楼层 来自: 中国江西景德镇
一直不明白设计意图,改天找设计沟通! 5# cadit
 楼主| 发表于 2011-11-13 20:29:01 | 显示全部楼层 来自: 中国江西景德镇
看使用要求,就是和球心有关吧5 F4 V  r0 M2 o9 N/ B
阿帕奇 发表于 2011-11-13 09:06 http://www.3dportal.cn/discuz/images/common/back.gif
那两孔之间的位置呢,还有孔到球心的7.6及15,不明白,如果三坐标测量不加入面(第三基准),不知道怎么测量,还有类似法兰,孔的位置度往往只给一个基准,摸索。
发表于 2011-11-14 19:12:22 | 显示全部楼层 来自: 中国河北邢台
没有看出,孔有位置要求!
发表于 2011-11-14 20:31:52 | 显示全部楼层 来自: 中国河南商丘
设计时的标注错误.可改为两孔的同轴度,这样也和实际装配相符合.你和设计人员商量一下吧.
7 G" @5 L, a( z$ C- f% I( s即使用三坐标来测量,也是要有基准的.假设需要测量的是同轴度,先把孔的轴线设置为Z轴,XY轴可以使用机器坐标.

评分

参与人数 1三维币 +4 收起 理由
天际孤帆 + 4 鼓励交流

查看全部评分

发表于 2011-11-15 13:11:20 | 显示全部楼层 来自: 中国山东青岛
我觉得9楼说的对。看设计意图,应该是指两孔的同轴度。这样用三坐标直接测量就可以了。可能还要加上垂直度要求。
6 Q, }; J2 s. q3 i8 n7 W/ P球面为基准不可取。圆弧太小,圆心找不准。

评分

参与人数 1三维币 +2 收起 理由
天际孤帆 + 2 鼓励交流

查看全部评分

发表于 2011-11-15 13:36:55 | 显示全部楼层 来自: 中国辽宁盘锦
那两孔之间的位置呢,还有孔到球心的7.6及15,不明白,如果三坐标测量不加入面(第三基准),不知道怎么测量,还有类似法兰,孔的位置度往往只给一个基准,摸索。' I( B5 v6 x/ a( N+ l# }
s2008b 发表于 2011-11-13 20:29 http://www.3dportal.cn/discuz/images/common/back.gif
我是说球心就是基准,孔中心在除了轴向外,其他两方向都有位置度要求
发表回复
您需要登录后才可以回帖 登录 | 注册

本版积分规则


Licensed Copyright © 2016-2020 http://www.3dportal.cn/ All Rights Reserved 京 ICP备13008828号

小黑屋|手机版|Archiver|三维网 ( 京ICP备2023026364号-1 )

快速回复 返回顶部 返回列表