QQ登录

只需一步,快速开始

登录 | 注册 | 找回密码

三维网

 找回密码
 注册

QQ登录

只需一步,快速开始

展开

通知     

全站
6天前
查看: 2971|回复: 13
收起左侧

[已解决] 这个零件30度角怎么加工

 关闭 [复制链接]
发表于 2011-11-22 17:30:53 | 显示全部楼层 |阅读模式 来自: 中国江苏无锡

马上注册,结识高手,享用更多资源,轻松玩转三维网社区。

您需要 登录 才可以下载或查看,没有帐号?注册

x
本帖最后由 liuli.0686 于 2011-11-22 17:32 编辑 . k( U1 g* ^6 d( }8 D& v6 i
: L: _& W+ J: y0 j1 ?  W
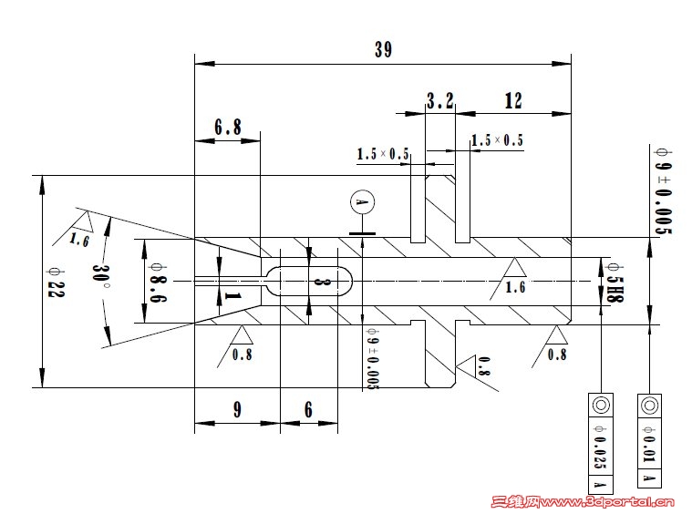
今天接到一张图纸,这个零件30度角怎么加工。

45HF-03A.e.pdf

8.85 KB, 下载次数: 7

发表于 2011-11-22 18:06:28 | 显示全部楼层 来自: 中国广东东莞
本帖最后由 tangcarlos3d 于 2011-11-24 22:50 编辑 2 s1 e2 K1 L4 D) ]1 Z8 X  G! o
3 Q: r  ~5 \* z5 g
你应该贴个图,而不是让别人下载后看。一来浪费人家的时间,二来浪费人家的流量。帮你贴个图吧。3 l5 G* @+ N, N4 }' D# a, P0 ?+ J9 R
先用车刀车,精度高的话再用磨床磨锥度(摆磨头架)
1.jpg

评分

参与人数 1三维币 +4 收起 理由
天际孤帆 + 4 鼓励交流并谢谢你的贴图配合

查看全部评分

 楼主| 发表于 2011-11-23 12:34:28 | 显示全部楼层 来自: 中国江苏无锡
零件小,加工说30°磨不出。只做两件
发表于 2011-11-23 13:19:10 | 显示全部楼层 来自: 中国辽宁丹东
车床,光刀光一下。

评分

参与人数 1三维币 +2 收起 理由
plc + 2 技术讨论

查看全部评分

发表于 2011-11-23 13:26:54 | 显示全部楼层 来自: 中国北京
钻孔后用锥角为30°的铰刀铰一下就可以了。此孔不是要求很高,用锥角为30°的铣刀铣成也可以。

评分

参与人数 1三维币 +2 收起 理由
天际孤帆 + 2 鼓励交流

查看全部评分

发表于 2011-11-23 20:09:04 | 显示全部楼层 来自: 中国江苏苏州
30度锥孔Ra 1.6,可以车成,

评分

参与人数 1三维币 +2 收起 理由
plc + 2 技术讨论

查看全部评分

发表于 2011-11-23 21:03:15 | 显示全部楼层 来自: 中国北京
这是个夹头呀,先车,再细砂纸纱就可以

评分

参与人数 1三维币 +2 收起 理由
plc + 2 技术讨论

查看全部评分

发表于 2011-11-23 21:14:25 | 显示全部楼层 来自: 中国陕西汉中
有顶尖磨,砂轮修成30度的成型磨出

评分

参与人数 1三维币 +2 收起 理由
plc + 2 技术讨论

查看全部评分

发表于 2011-11-23 21:16:53 | 显示全部楼层 来自: 中国陕西汉中
在车床尾架装一砂轮,修成30度角顶尖状,工件夹在卡盘中即可磨出
发表于 2011-11-24 22:54:26 | 显示全部楼层 来自: 中国广东东莞
零件小,加工说30°磨不出。只做两件2 y. D4 M+ X# j8 G
liuli.0686 发表于 2011-11-23 12:34 http://www.3dportal.cn/discuz/images/common/back.gif
  N8 G* [' f- F
我们厂里弹簧夹头套的30度都是摆磨头架磨出来的!谁说磨不了?怕是工人不想动吧。

评分

参与人数 1三维币 +2 收起 理由
plc + 2 技术讨论

查看全部评分

发表于 2011-11-29 15:15:53 | 显示全部楼层 来自: 中国广东东莞
我们厂里弹簧夹头套的30度都是摆磨头架磨出来的!谁说磨不了?怕是工人不想动吧。
! U, F7 m3 R/ e! Z6 m- Rtangcarlos3d 发表于 2011-11-24 22:54 http://www.3dportal.cn/discuz/images/common/back.gif
的确是有点小,锥孔底部直径只有5mm,即使用4mm砂轮还是很容易干涉,不是每个厂都备有这么小的砂轮的。

评分

参与人数 1三维币 +2 收起 理由
plc + 2 技术讨论

查看全部评分

发表于 2011-11-29 18:43:37 | 显示全部楼层 来自: 中国江苏苏州
确实不好加工,如果条件允许的话能否用两个零件组成?

评分

参与人数 1三维币 +2 收起 理由
plc + 2 技术讨论

查看全部评分

发表于 2011-11-30 08:32:50 | 显示全部楼层 来自: 中国安徽合肥
可以车床加工

评分

参与人数 1三维币 +2 收起 理由
plc + 2 技术讨论

查看全部评分

发表于 2011-12-4 09:11:07 | 显示全部楼层 来自: 中国广东东莞
用数控车床车
发表回复
您需要登录后才可以回帖 登录 | 注册

本版积分规则

Licensed Copyright © 2016-2020 http://www.3dportal.cn/ All Rights Reserved 京 ICP备13008828号

小黑屋|手机版|Archiver|三维网 ( 京ICP备2023026364号-1 )

快速回复 返回顶部 返回列表