QQ登录

只需一步,快速开始

登录 | 注册 | 找回密码

三维网

 找回密码
 注册

QQ登录

只需一步,快速开始

展开

通知     

全站
7天前
查看: 2444|回复: 13
收起左侧

[已答复] 如何保证安装精度

[复制链接]
发表于 2011-11-24 16:45:30 | 显示全部楼层 |阅读模式 来自: 美国

马上注册,结识高手,享用更多资源,轻松玩转三维网社区。

您需要 登录 才可以下载或查看,没有帐号?注册

x
1靠螺丝连接2块成L型的形状,5 K+ d4 U8 _/ M+ X3 ]2 o6 J; w! U. \
2然后把它安装在大基板上,那在安装中如何保证最后不歪?
7 F+ W8 Z, w3 h; d* x7 T$ N( M" H) t; {4 `" r( ?
怕第一步连接后,L不垂直% M, G: @- |% ]8 V: Y2 }
怕安装最后达不到理想的效果7 w- r+ o* Y+ a
, z" h, k. R; `7 U5 A
大家有何方法?保证最后不歪
搜狗截图_2011-11-24_16-38-51.png
搜狗截图_2011-11-24_16-41-03.png
发表于 2011-11-24 17:24:07 | 显示全部楼层 来自: 中国北京
1  关键在于L形支架的底面与支承轴的半圆孔的轴线的平行度,且二L形支架必须等高。加工后应按要求检验合格。
3 P4 j- ~  r8 i' c2  大基板的平面度必须保证。4 V; c0 ?- `+ r1 Q! S
3  如果有加工误差,须用薄铁皮调整找正,然后拧紧螺栓。

评分

参与人数 1三维币 +2 收起 理由
天际孤帆 + 2 鼓励交流

查看全部评分

发表于 2011-11-24 20:48:55 | 显示全部楼层 来自: 中国山东济南
本帖最后由 点识 于 2011-11-24 20:53 编辑
6 w4 i* K# q8 d8 H% Z
$ U& c& l5 L7 {- y# m& N& g不知楼主所说“不歪”和“L不垂直”,都指的是什么?
1 Z; x& H# t' b. T, Y" L$ o其实,从楼主图示结构分析,安装要求主要应该是轴线与安装支承面平行。否则,工作时,就会“别劲”!) n; m) W! F# G/ V, Z+ Q! ^* }
因此,安装时,就不应急于拧紧L支承底板上的螺栓。而应首先通过使用垫片调整L支承底板间隙,从而,使得轴线与安装支承面达到平行。其次,用手盘一盘轴,看看是否转动灵活,无明显的卡滞现象,方可逐一备紧螺栓。但要注意,一边紧螺栓,一边盘轴。当感觉某一侧螺栓备紧时,轴会出现滞和紧的感觉,那说明相关螺栓底部固定平面仍与轴线不平行,继续加垫片,直至备紧螺栓,盘轴仍很轻松,这就说明安装的比较合适了。: ]! Y  V: ~& p0 H1 r  J: p  l4 p6 Y
这种感觉和手法,单靠嘴说没多大用,这需要靠自己的亲身体验和感受的经验积累。实际安装几次,就知道是什么样的感觉了。

评分

参与人数 1三维币 +4 收起 理由
天际孤帆 + 4 鼓励交流

查看全部评分

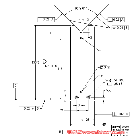
 楼主| 发表于 2011-11-25 08:56:42 | 显示全部楼层 来自: 美国
非常不好意思!8 `5 }' _1 T- B' w7 `
补上图纸!
搜狗截图_2011-11-25_08-54-59.png
搜狗截图_2011-11-25_08-55-25.png
 楼主| 发表于 2011-11-25 09:06:53 | 显示全部楼层 来自: 美国
补上整个工装
搜狗截图_2011-11-25_09-05-55.png
 楼主| 发表于 2011-11-25 09:11:22 | 显示全部楼层 来自: 美国
1  关键在于L形支架的底面与支承轴的半圆孔的轴线的平行度,且二L形支架必须等高。加工后应按要求检验合格。( {) J( @) \7 I) R% F
2  大基板的平面度必须保证。
. b' ?4 G& W/ }/ g, B3  如果有加工误差,须用薄铁皮调整找正,然后拧紧螺栓。
2 C1 \/ O0 [0 j$ vgaoyns 发表于 2011-11-24 17:24 http://www.3dportal.cn/discuz/images/common/back.gif

; t# g# [, m# D! x5 H/ _8 L9 r1二L形支架必须等高,图纸中公差链有+-0.2,可以接受的话,是不是不需要垫片调整?/ A6 g  I5 y) i( y
2 大基板的平面度0.04
发表于 2011-11-25 13:06:29 | 显示全部楼层 来自: 中国河南新乡
装配设备,主要看设计时的要求精度。装配过程中要采用定位(一般定位都是设计人员设计时给定的),装配不方便或精度较高的话采用工装。

评分

参与人数 1三维币 +2 收起 理由
天际孤帆 + 2 鼓励交流

查看全部评分

发表于 2011-11-25 19:38:30 | 显示全部楼层 来自: 中国江苏苏州
L形的两个零件之间的连接有问题,单靠螺钉定位不合理,螺钉只能起紧固作用,不能定位。如何保证螺钉锁上之后两个零件的底面在同一个面上?我认为可以加一个销连接,或者L的底座做成T形,立柱上开个槽与T形底座配合。

评分

参与人数 1三维币 +2 收起 理由
天际孤帆 + 2 鼓励交流

查看全部评分

发表于 2011-11-25 21:39:04 | 显示全部楼层 来自: 中国广东东莞
我们的做法是在每个L形板的长方向用2根pin定位(保证3个L端面平行)。L的前后方向装配时调整保证,高度有零件制造精度保证(可适当加垫片)。这样比用pin/孔直接定心容易制造。

评分

参与人数 1三维币 +2 收起 理由
天际孤帆 + 2 鼓励交流

查看全部评分

发表于 2011-11-26 10:04:02 | 显示全部楼层 来自: 中国广东深圳
两块板安装成L形,最好用定位销。4 j, q# W* X3 }" ?! w- C/ u
安装成L形后以底面定位,加工V型槽。
发表于 2011-11-26 13:03:02 | 显示全部楼层 来自: 新加坡
L形可以在总装的时候调整精度。加销钉是画蛇添足,工件被卡死,无法调整精度
 楼主| 发表于 2011-11-28 16:45:32 | 显示全部楼层 来自: 美国
L形的两个零件之间的连接有问题,单靠螺钉定位不合理,螺钉只能起紧固作用,不能定位。如何保证螺钉锁上之后两个零件的底面在同一个面上?我认为可以加一个销连接,或者L的底座做成T形,立柱上开个槽与T形底座配合。/ Y. e- \6 y8 M  A: i
lonthin 发表于 2011-11-25 19:38 http://www.3dportal.cn/discuz/images/common/back.gif

% v9 j! n' w+ x+ j1 H' R* P5 {& u9 B6 O+ k  p5 h1 ^( A; S- b
我就是想问:如何保证螺钉锁上之后两个零件的底面在同一个面上?
  P0 G" P1 _) g+ s% ~; U( l5 w
& ~7 T) Q  l' Z& z加一个销连接,或者L的底座做成T形,立柱上开个槽与T形底座配合。1 H$ D$ n! K3 q8 v# f' T! N

% c. N+ S6 s* M1 W* j' h9 Z我不懂,能否给我抓个图,让我看看!非常感谢!
 楼主| 发表于 2011-11-28 16:48:28 | 显示全部楼层 来自: 美国
我们的做法是在每个L形板的长方向用2根pin定位(保证3个L端面平行)。L的前后方向装配时调整保证,高度有零件制造精度保证(可适当加垫片)。这样比用pin/孔直接定心容易制造。3 z* J" j8 N1 F. v0 J
tangcarlos3d 发表于 2011-11-25 21:39 http://www.3dportal.cn/discuz/images/common/back.gif
% m1 y( e9 c0 X+ f4 N
8 m2 h+ c; \: Y! B7 u
大侠,文字描述,可是我不理解啊
1 ]2 r/ |5 k; e# l# n. z+ @& a. M1 k9 d( o) S
您能否帮我抓个实际例子的图片,透视图或虚线图!
发表于 2011-11-28 19:04:05 | 显示全部楼层 来自: 中国江苏南通
同心呗,如果设备可以,可粗装配再机加
发表回复
您需要登录后才可以回帖 登录 | 注册

本版积分规则

Licensed Copyright © 2016-2020 http://www.3dportal.cn/ All Rights Reserved 京 ICP备13008828号

小黑屋|手机版|Archiver|三维网 ( 京ICP备2023026364号-1 )

快速回复 返回顶部 返回列表