QQ登录

只需一步,快速开始

登录 | 注册 | 找回密码

三维网

 找回密码
 注册

QQ登录

只需一步,快速开始

展开

通知     

查看: 1592|回复: 6
收起左侧

[求助] 液压泵出口的卸荷疑问

[复制链接]
发表于 2011-11-26 20:52:04 | 显示全部楼层 |阅读模式 来自: 中国广西柳州

马上注册,结识高手,享用更多资源,轻松玩转三维网社区。

您需要 登录 才可以下载或查看,没有帐号?注册

x
本帖最后由 hgwac 于 2011-11-26 22:06 编辑
/ f0 m! s1 I- m4 I& E4 a( `+ X$ Y3 I: T
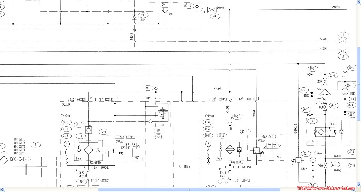
9 J8 n+ J+ i% p9 a5 D: u/ _" u( W如图所示,泵的出口已经有电磁溢流阀可以实现卸荷功能了,为什么还要用换向阀再实现一次卸荷功能
未命名.jpg
发表于 2011-11-26 21:04:56 | 显示全部楼层 来自: 中国山西太原
看不到全图,楼主能贴个全图么?
) ~! g# U' J% _2 ~: W2 q$ k可能是工况需要吧。不是一起动作,右面那个可能是负载的一个卸荷之类的吧。
 楼主| 发表于 2011-11-26 22:07:48 | 显示全部楼层 来自: 中国广西柳州
不好意思,这就是一个液压站的原理图,再贴一张大图
未命名1.jpg
发表于 2011-11-26 22:33:28 | 显示全部楼层 来自: 中国广东湛江
卸荷阀内泄是指先导回油直接回到主回油口,工况需要280bar
发表于 2011-11-28 08:59:08 | 显示全部楼层 来自: 中国上海
个人感觉和压力有过滤器后面的单向阀有关系,泵出口卸荷不代表单向阀上面也可以泄压
发表于 2011-11-28 11:43:36 | 显示全部楼层 来自: 中国湖北十堰
你说的是不是那个通径很小φ6的电磁阀?如果是就不是用于卸荷,而是用于系统工作前提升系统油温的作用。
发表于 2011-11-28 13:27:12 | 显示全部楼层 来自: 中国上海
LZ图不全,个人认为油路里面应该有一个继电器控制上面那个电磁换向阀卸荷的。因为流量比较大,一旦引起压力冲击,危害会比较大,所以设置电磁换向阀卸荷
发表回复
您需要登录后才可以回帖 登录 | 注册

本版积分规则


Licensed Copyright © 2016-2020 http://www.3dportal.cn/ All Rights Reserved 京 ICP备13008828号

小黑屋|手机版|Archiver|三维网 ( 京ICP备2023026364号-1 )

快速回复 返回顶部 返回列表