QQ登录

只需一步,快速开始

登录 | 注册 | 找回密码

三维网

 找回密码
 注册

QQ登录

只需一步,快速开始

展开

通知     

全站
8天前
查看: 1537|回复: 1
收起左侧

[求助] 请问流量计问题

[复制链接]
发表于 2011-11-29 22:47:19 | 显示全部楼层 |阅读模式 来自: 中国广东深圳

马上注册,结识高手,享用更多资源,轻松玩转三维网社区。

您需要 登录 才可以下载或查看,没有帐号?注册

x
本帖最后由 danxinyun1 于 2011-11-29 22:57 编辑 , x$ x" w. S. R9 c0 K

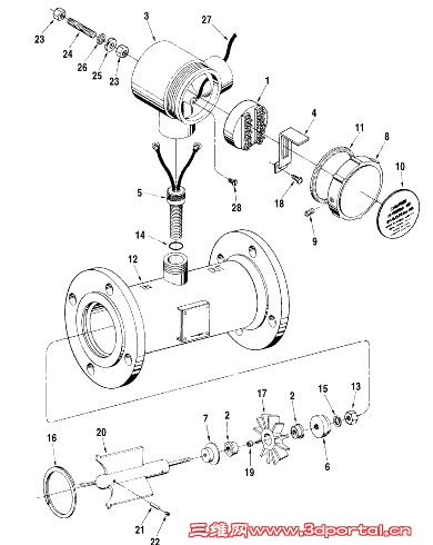
( {8 R9 O# Z& e1 p) v请问各位大侠工艺中有没有涡轮流量计,内部拆卸的图片有吗》能否上传内部各个零件的图片,谢谢
发表于 2011-12-4 15:31:22 | 显示全部楼层 来自: 中国上海
各个厂家的涡轮流量计的基本结构相似,但详细结构都差别蛮大的。1 |' g7 a6 ~" ^! \, _; I( a# U6 |! |
0 i+ I! t2 ?" u& T
附件为美国FMC的涡轮流量计零件图。
lw.jpg

P0579.pdf

77.8 KB, 下载次数: 7

发表回复
您需要登录后才可以回帖 登录 | 注册

本版积分规则


Licensed Copyright © 2016-2020 http://www.3dportal.cn/ All Rights Reserved 京 ICP备13008828号

小黑屋|手机版|Archiver|三维网 ( 京ICP备2023026364号-1 )

快速回复 返回顶部 返回列表