QQ登录

只需一步,快速开始

登录 | 注册 | 找回密码

三维网

 找回密码
 注册

QQ登录

只需一步,快速开始

展开

通知     

查看: 1826|回复: 6
收起左侧

[已答复] 怎这产品怎设计夹具加工

[复制链接]
发表于 2011-12-6 16:00:02 | 显示全部楼层 |阅读模式 来自: 中国江苏苏州

马上注册,结识高手,享用更多资源,轻松玩转三维网社区。

您需要 登录 才可以下载或查看,没有帐号?注册

x
本帖最后由 wcaon 于 2011-12-10 16:50 编辑 7 [  ]: n0 c3 p; w  ^

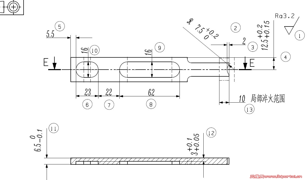
  I' X3 W# [; y1 {' i材料是60SI2MN,外形是割到位的,就加工里面的跟R7.5半圆
55.jpg
发表于 2011-12-6 16:15:02 | 显示全部楼层 来自: 中国江苏苏州
这还要什么夹具啊。。
发表于 2011-12-6 16:53:41 | 显示全部楼层 来自: 中国上海
这不要什么夹具吧。。
发表于 2011-12-6 20:28:01 | 显示全部楼层 来自: 中国福建厦门
这个你爱怎么做就怎么做了,简单的要命啊。
  j* m% @$ ~/ p* j& R; y- L# H5 `其实说白了不明白楼主说加工什么要夹具,无法帮助你
发表于 2011-12-6 20:31:32 | 显示全部楼层 来自: 中国广东广州
我也绝对这个不用夹具的
发表于 2011-12-6 20:36:19 | 显示全部楼层 来自: 中国广东东莞
楼主的问题一个月前在别的版块发过吧?我还回了2次以上贴并画了结构图。怎么又问呢?
 楼主| 发表于 2011-12-12 09:47:56 | 显示全部楼层 来自: 中国江苏苏州
我不跟你说过我们只有CNC的呢,按你那方法还的要铣床,
发表回复
您需要登录后才可以回帖 登录 | 注册

本版积分规则


Licensed Copyright © 2016-2020 http://www.3dportal.cn/ All Rights Reserved 京 ICP备13008828号

小黑屋|手机版|Archiver|三维网 ( 京ICP备2023026364号-1 )

快速回复 返回顶部 返回列表