QQ登录

只需一步,快速开始

登录 | 注册 | 找回密码

三维网

 找回密码
 注册

QQ登录

只需一步,快速开始

展开

通知     

查看: 2984|回复: 18
收起左侧

[讨论] 力士乐A11VO开式泵的待机压力

[复制链接]
发表于 2011-12-8 11:04:53 | 显示全部楼层 |阅读模式 来自: 中国北京

马上注册,结识高手,享用更多资源,轻松玩转三维网社区。

您需要 登录 才可以下载或查看,没有帐号?注册

x

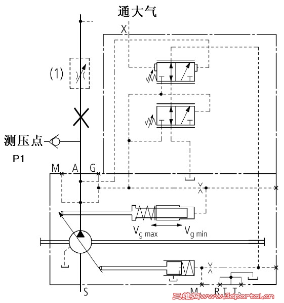
泵原理图

泵原理图
各位网友大家好,请问大家有没有测试过力士乐A11VO-DRS(控制方式DRS是负载敏感+压力切断)开式泵的待机压力啊!- J: z( u0 N; [6 I; P
待机工况是指:发动机启动后,不执行任何动作,主阀各支路均处于中位,中位不闭死的,Ls管路也没有接,而是通大气的。8 `4 ~5 Q$ [6 O/ w" E
发动机转速从怠速逐步上升到高怠速,600RPM~2000RPM,在这一过程中泵的输出压力P1是怎么变化的?是不是个定值,该值一般为多大?
 楼主| 发表于 2011-12-8 11:09:40 | 显示全部楼层 来自: 中国北京
2.jpg
2 b" x% ?* X8 r力士乐样本中也说明了  如上图,可待机压力在什么范围内是合理的呢?

评分

参与人数 1三维币 +2 收起 理由
自流井 + 2 有图

查看全部评分

发表于 2011-12-8 11:20:33 | 显示全部楼层 来自: 中国上海
出口压力决定于负载,因为负载压力是0,所以说泵出口压力应该和负载敏感阀的弹簧压力平衡,他们应该相等
 楼主| 发表于 2011-12-8 13:40:13 | 显示全部楼层 来自: 中国北京
错 此时压力应该和泵内部的变量小腔的弹簧形成力平衡
发表于 2011-12-8 16:27:26 | 显示全部楼层 来自: 中国上海
本帖最后由 rehuo008 于 2011-12-8 16:51 编辑
7 h& N" M& @* Z5 ~( ^: F9 k  R/ Y
% q( X( X. T; N; P  m+ e) U. a△P的设定就是通过负载敏感阀弹簧的压力值设定的,待机压力是指负载敏感阀刚好差一点换向,泵出口压力油正好没有进入小油缸无杆腔的压力,此时弹簧有一点点变形,就是所说待机压力比弹簧设定压力稍微大一点,因为弹簧刚度很小,所以近似认为相等

评分

参与人数 1三维币 +2 收起 理由
自流井 + 2 技术交流

查看全部评分

发表于 2011-12-8 16:28:18 | 显示全部楼层 来自: 中国上海
本帖最后由 rehuo008 于 2011-12-8 16:32 编辑
8 f# L8 F$ V) R- \, a: W, i( q
1 T6 c" X+ l# [0 U  a& J. _建议LZ看下A11VO LR功率控制,如果你坚持认为我是错的,那就没办法了
发表于 2011-12-8 16:47:45 | 显示全部楼层 来自: 中国上海
你说的是对的,待机压力等于变量小腔弹簧压力值没错,但是这个值是多少?要知道弹簧是变形的,变形量不知道。所以没有意义
发表于 2011-12-8 17:53:00 | 显示全部楼层 来自: 日本
我的看法是:问题的答案取决于:' c9 r" |) S* y$ x( _1 U
测试的条件1,泵出口(楼主原理图所示)关死:这个值可近似认为就是DETP。/ O5 R6 y2 f) K3 }7 @( ^
测试条件2:中位不闭死的(楼主文字所述)。2 W, }' Q7 q3 J& X* t" }8 U: x
测试2下,有多种情况。0-DETP都属正常的仅为测试,中位畅通无阻回油箱,负载决定压力 注,实际设计不大可能这样);
8 f- I& b$ W" Q2 s3 j& A* s9 ?超过DETP也是正常的(为了补油,泵设定了最小排量的情况)。

评分

参与人数 1三维币 +1 收起 理由
自流井 + 1 交流

查看全部评分

 楼主| 发表于 2011-12-9 09:25:36 | 显示全部楼层 来自: 中国北京
sorry  我有笔误,主阀中位是闭死的。测试时,泵的出口是封死的 没有和主阀相连。
发表于 2011-12-9 09:36:37 | 显示全部楼层 来自: 中国上海
如果是这样的话,就简单了,中位闭死的话,靠压力切断阀调节,压力切断阀设定多少压力,待机压力就是多少。
1 G+ t' {4 U8 V9 }8 ^  x前面看法有点疏漏,如果中位不闭死的话,大小油缸弹簧压力和不会超过50Bar,因为压力切断阀设定压力为50~350bar,换句话说如果设定最小压力50bar,泵不是无级调速的,当出口压力超过50bar,大小油缸就会关到最小,所以大小油缸弹簧压力和不会超过50bar。0 {* \9 B0 ~+ w- F
还有一个原因,就是功率损耗问题,系统不工作时,肯定压力越小,功率损耗越低,所以我认为当负载敏感阀打开时,大小油缸应该会瞬间关到最小,这么考虑的话,待命压力只会比△P稍微高一点。
/ Q2 A1 Z( A4 ?其实最后一句原话样本上是这样说的:零行程工作时,待命压力比△P设定值略高

评分

参与人数 1三维币 +1 收起 理由
自流井 + 1 不错

查看全部评分

发表于 2011-12-9 20:23:52 | 显示全部楼层 来自: 中国江苏南京
一般在20bar到30bar之间,是定值与转速无关。压力低了LS不起作用,高了逼泵。
发表于 2011-12-9 22:47:03 | 显示全部楼层 来自: 中国江苏无锡
我们做过测试零行程时的压力大约在25bar左右。
 楼主| 发表于 2011-12-10 18:41:21 | 显示全部楼层 来自: 中国河北保定
那请问12楼的  你的测试工况是怎么样的,待机压力会随着发动机转速的上升而上升吗?
发表于 2011-12-17 15:22:07 | 显示全部楼层 来自: 中国湖南长沙
当X口通油箱或大气,A口堵住,M口接压力表,此时压力表读数为待机压力!所以待机压力=负载敏感阀弹簧压力!所以待机压力可通过此弹簧调节.调节范围(14~25bar)
发表于 2011-12-20 15:57:22 | 显示全部楼层 来自: 中国浙江台州
本帖最后由 youngpan 于 2011-12-20 15:59 编辑 ; _6 _1 T" \" S: n
+ z5 s5 l. A# t# W/ a
应该是低压待命吧,这是我的愚见!
发表于 2011-12-28 08:53:32 | 显示全部楼层 来自: 中国四川宜宾
待机压力却决于你多路阀中卸货阀的卸货压力,但该压力大于负载敏感阀压差
发表于 2011-12-28 12:55:59 | 显示全部楼层 来自: 中国北京
学习了   顶
发表于 2011-12-28 12:59:52 | 显示全部楼层 来自: 中国湖南长沙
应该根负载敏感阀弹簧压力差不多,可能稍大,随着转速升高,出口压力会增大一点,但应该是很有限的一点。
发表于 2012-1-1 22:33:16 | 显示全部楼层 来自: 中国江苏无锡
我们的测试是电机驱动的1470r|min,待命压力差不多29bar
发表回复
您需要登录后才可以回帖 登录 | 注册

本版积分规则


Licensed Copyright © 2016-2020 http://www.3dportal.cn/ All Rights Reserved 京 ICP备13008828号

小黑屋|手机版|Archiver|三维网 ( 京ICP备2023026364号-1 )

快速回复 返回顶部 返回列表