QQ登录

只需一步,快速开始

登录 | 注册 | 找回密码

三维网

 找回密码
 注册

QQ登录

只需一步,快速开始

展开

通知     

查看: 2174|回复: 9
收起左侧

[求助] 谁能解释以下这个回路的作用?

[复制链接]
发表于 2011-12-25 19:01:28 | 显示全部楼层 |阅读模式 来自: 中国浙江杭州

马上注册,结识高手,享用更多资源,轻松玩转三维网社区。

您需要 登录 才可以下载或查看,没有帐号?注册

x
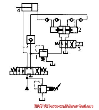
在书上看到的双作用增压回路,怎么也看不明白。3x
1.jpg
发表于 2011-12-25 21:41:42 | 显示全部楼层 来自: 中国江苏苏州
以下纯属个人见解,不一定正确。主要来看油缸4无杆腔。- o# O: @0 A$ I* f* X4 a
阀处于右位,当油缸4无杆腔压力上升到溢流阀1溢流压力时(弹簧应该较软),油从阀3进入2号元件中间大腔,小腔高压油进入油缸4有杆腔,当2号元件行程末端时,电磁阀3换向,~~~~~~~~~~~~~~~~~。

评分

参与人数 1三维币 +1 收起 理由
自流井 + 1 技术

查看全部评分

发表于 2011-12-25 22:01:22 | 显示全部楼层 来自: 中国河南安阳
阀1是顺序阀,应该不参与增压的。; N" J2 r6 z. z
只是在油缸负荷增加到一定值时,顺序阀打开,然后通过换向阀3换向实现的。

评分

参与人数 1三维币 +2 收起 理由
自流井 + 2 技术到位

查看全部评分

发表于 2011-12-25 22:21:34 | 显示全部楼层 来自: 中国湖南长沙
同意3#的分析,应该是压力达到顺序阀1调定压力后,通过使电磁阀3反复得失电,利用增压缸,对油缸无杆腔进一步加压,有点空行程快进,工作行程加压的味道。

评分

参与人数 1三维币 +1 收起 理由
自流井 + 1 头象是什么

查看全部评分

发表于 2011-12-26 08:01:24 | 显示全部楼层 来自: 中国江苏南通
2号件也起增压作用
 楼主| 发表于 2011-12-26 20:25:25 | 显示全部楼层 来自: 中国浙江杭州
本帖最后由 longbow2007 于 2011-12-26 20:28 编辑 " Y7 r# h) K5 Y1 Q7 Y/ E8 @* W+ H
以下纯属个人见解,不一定正确。主要来看油缸4无杆腔。8 j5 a+ q+ n- h5 P8 E& m
阀处于右位,当油缸4无杆腔压力上升到溢流阀1溢流压力时(弹簧应该较软),油从阀3进入2号元件中间大腔,小腔高压油进入油缸4有杆腔,当2号元件行程末端时,电 ...- r$ h4 \8 B# k
wlg0106 发表于 2011-12-25 21:41 http://www.3dportal.cn/discuz/images/common/back.gif

& y+ d6 T7 ^6 t  p三位四通阀处于右位时,如果阀3处于图示位置,增压器2如何动作,我觉得应该是向右运动,但此时高压油如何进入液压缸的有杆腔?
发表于 2011-12-26 22:32:23 | 显示全部楼层 来自: 中国湖南长沙
5# 自流井 ; o9 E3 {. S$ g" D( h+ a
报告领导,头像有点像mathworks公司的。。。。
发表于 2012-1-17 14:24:29 | 显示全部楼层 来自: 中国江苏苏州
三位四通阀处于右位时,如果阀3处于图示位置,增压器2如何动作,我觉得应该是向右运动,但此时高压油如何进入液压缸的有杆腔?6 ^9 ?; A# c- D# i6 s" U, ^
longbow2007 发表于 2011-12-26 20:25 http://www.3dportal.cn/discuz/images/common/back.gif
确实是增压器2活塞向右运动,由于面积比和单向阀的关系,可以使最右端腔体内的高压油进入油缸无杆腔,同时增压器2左端部分完成一次充油,两位四通电磁换向阀换向后,左端高压油进入油缸无杆腔。往复循环工作,实现连续增压。
发表于 2012-1-18 15:17:08 | 显示全部楼层 来自: 中国辽宁盘锦
看了8楼的结论我比较赞同,2楼的有杆腔实在无法理解
发表于 2012-1-20 11:45:33 | 显示全部楼层 来自: 中国河南安阳
使用单增压缸的增压系统较多,增压油缸仅仅是单行程增压,完成动作后回程。
& P1 J; ^; R" N6 f+ t. K* T这个是一个连续增压的回路,这个回路不仅是连续增压,而且还有快进的功能。" ?$ ?+ |3 r( R
这是一个比较典型的回路,我们给煤机厂做过一套类似的系统。
发表回复
您需要登录后才可以回帖 登录 | 注册

本版积分规则


Licensed Copyright © 2016-2020 http://www.3dportal.cn/ All Rights Reserved 京 ICP备13008828号

小黑屋|手机版|Archiver|三维网 ( 京ICP备2023026364号-1 )

快速回复 返回顶部 返回列表