QQ登录

只需一步,快速开始

登录 | 注册 | 找回密码

三维网

 找回密码
 注册

QQ登录

只需一步,快速开始

展开

通知     

全站
7天前
查看: 1733|回复: 4
收起左侧

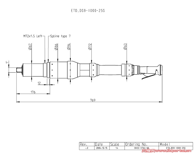
[求助] 请帮忙看下图,上面的spline type7 是什么意思啊!谢谢

[复制链接]
发表于 2011-12-25 19:09:41 | 显示全部楼层 |阅读模式 来自: 中国内蒙古包头

马上注册,结识高手,享用更多资源,轻松玩转三维网社区。

您需要 登录 才可以下载或查看,没有帐号?注册

x
本帖最后由 kaka6688 于 2011-12-25 21:15 编辑 5 ^5 ^% x. ^3 I. y# k6 k: F% _
  A: H, L& X/ Z
请帮忙看下图,上请帮忙看下图,上面的spline type7 是什么意思啊!谢谢[attach]198710 8433076360_etd_ds9-1000-25s_00.pdf (18.07 KB, 下载次数: 3)
发表于 2011-12-25 19:48:57 | 显示全部楼层 来自: 中国湖南岳阳
帮你贴个图。
1.jpg

评分

参与人数 1三维币 +3 收起 理由
天际孤帆 + 3 谢谢贴图。

查看全部评分

发表于 2011-12-25 20:59:14 | 显示全部楼层 来自: 中国江苏苏州
是不是样条线标示。可不可以说一下这个轴是做什么用的,这个部位安装什么部品
发表于 2011-12-25 22:23:41 | 显示全部楼层 来自: 中国河北
七号花键?
发表于 2011-12-30 10:56:13 | 显示全部楼层 来自: 中国广东珠海
是花键的参数吗?但一般不会这样标注的啊,图纸也没有其他解释
发表回复
您需要登录后才可以回帖 登录 | 注册

本版积分规则

Licensed Copyright © 2016-2020 http://www.3dportal.cn/ All Rights Reserved 京 ICP备13008828号

小黑屋|手机版|Archiver|三维网 ( 京ICP备2023026364号-1 )

快速回复 返回顶部 返回列表