QQ登录

只需一步,快速开始

登录 | 注册 | 找回密码

三维网

 找回密码
 注册

QQ登录

只需一步,快速开始

展开

通知     

查看: 3072|回复: 12
收起左侧

[已解决] 连杆加工

 关闭 [复制链接]
发表于 2006-5-11 08:18:31 | 显示全部楼层 |阅读模式 来自: 中国浙江温州

马上注册,结识高手,享用更多资源,轻松玩转三维网社区。

您需要 登录 才可以下载或查看,没有帐号?注册

x
哪位仁兄有连杆加工工艺,我公司有一连杆需自行加工,但我不知道怎样加工可以满足活塞销孔的要求……
发表于 2006-5-14 17:42:38 | 显示全部楼层 来自: 中国湖北宜昌
先精镗,再珩磨
发表于 2006-5-22 13:29:53 | 显示全部楼层 来自: 中国湖北宜昌
连杆肯定是在镗床上加工,请将图纸上传才能确定加工工艺( K4 X7 K2 a9 T1 q8 |2 D% K

) [; w- a) f2 T  ^/ l[ 本帖最后由 zyj10282005 于 2006-5-22 13:31 编辑 ]
发表于 2006-6-4 12:35:57 | 显示全部楼层 来自: 中国湖北宜昌
一般来讲,是将连杆装夹在角铁上先粗镗,为了防止工件变形,将螺丝适当松1下,再精镗
发表于 2006-6-5 09:19:09 | 显示全部楼层 来自: 中国浙江金华
你的连杠是分离,还是整体的,工艺复杂!着dd高精度难做。
 楼主| 发表于 2006-6-5 16:29:02 | 显示全部楼层 来自: 中国浙江温州
我们是用加工中心加工,
发表于 2006-7-11 11:10:23 | 显示全部楼层 来自: 中国上海
我原来就是高连杆的,镗孔——内圆磨——绗磨
发表于 2006-7-11 23:05:15 | 显示全部楼层 来自: 中国重庆
1.先粗镗,再精镗,粗糙度可达到Ra0.2.
+ K: x1 L, p7 z0 ]/ Z2.两道工需,两次装夹.
- a3 p, t  i! n' Z- P2 P1 ^3.粗镗时留的余量是0.35mm.
发表于 2006-7-26 16:42:58 | 显示全部楼层 来自: 中国重庆
铝件粗,精镗。铸件粗,精镗,珩即可。
发表于 2006-7-27 12:55:47 | 显示全部楼层 来自: 中国山东烟台
请将图纸传上来,帮你参谋一下.
发表于 2006-7-27 15:27:52 | 显示全部楼层 来自: 中国湖北十堰
这是个比较复杂的问题了,连杆分好多种类的,你做的是那一种呢,因该按照图纸是可以加工的
 楼主| 发表于 2006-7-30 14:58:18 | 显示全部楼层 来自: 中国浙江温州
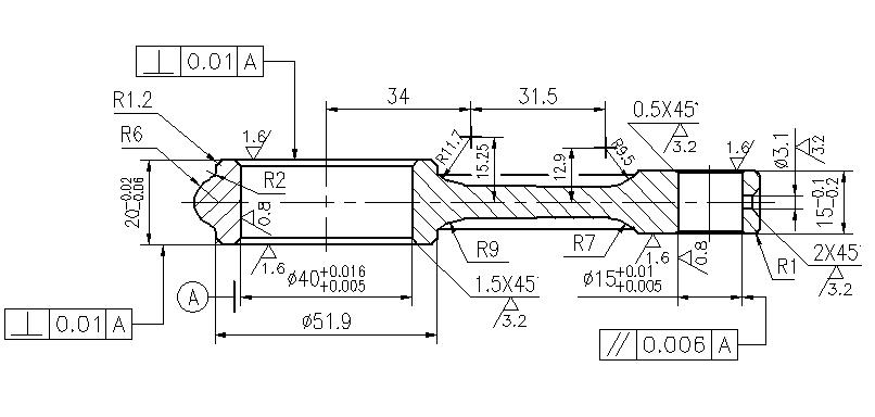
现在怎么传图纸上来呢
0 ^5 F/ w; S9 S0 D. t) S- p- R/ |( d6 K0 ]6 g8 X9 Z; V8 ^
[ 本帖最后由 xsl200325 于 2006-7-30 15:04 编辑 ]
连杆.JPG
发表于 2006-9-11 22:03:35 | 显示全部楼层 来自: 中国黑龙江佳木斯
铸件-清砂-检验-退火-时效处理-钳工划线-粗车端面留量--磨两面至尺寸-钳工划线-四瓜夹盘,专用夹具粗车内孔,倒角.留余量0.15-0.2MM,-铰刀精铰铰内孔至尺寸留量0.015-0.03MM----钻3.1孔---珩磨内孔至尺寸-检验-入库.
- m1 B1 E  b& a+ w请各位高手给批示一下,我是新手不要见怪.谢谢了.
发表回复
您需要登录后才可以回帖 登录 | 注册

本版积分规则


Licensed Copyright © 2016-2020 http://www.3dportal.cn/ All Rights Reserved 京 ICP备13008828号

小黑屋|手机版|Archiver|三维网 ( 京ICP备2023026364号-1 )

快速回复 返回顶部 返回列表