QQ登录

只需一步,快速开始

登录 | 注册 | 找回密码

三维网

 找回密码
 注册

QQ登录

只需一步,快速开始

展开

通知     

全站
6天前
查看: 2391|回复: 3
收起左侧

[已答复] 11kw交流电机电缆和120w小风机电线并用是否可以

[复制链接]
发表于 2012-1-5 15:36:10 | 显示全部楼层 |阅读模式 来自: 中国北京

马上注册,结识高手,享用更多资源,轻松玩转三维网社区。

您需要 登录 才可以下载或查看,没有帐号?注册

x
如题,试问相应国家标准
发表于 2012-1-5 18:42:00 | 显示全部楼层 来自: 中国河北石家庄
你是想一个接触器同时控制着两个设备?可以是可以,热元件有两个吗?

评分

参与人数 1三维币 +3 收起 理由
pangpang + 3 及时应助

查看全部评分

发表于 2012-1-9 08:51:01 | 显示全部楼层 来自: 中国黑龙江哈尔滨
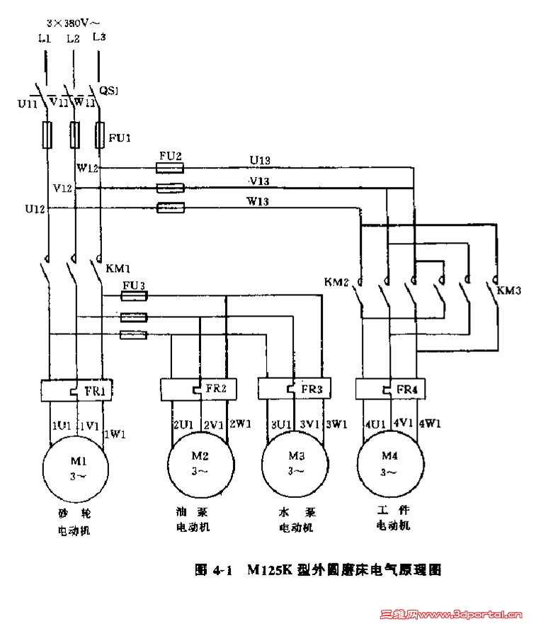
下面是某机床电路的主电路。或许能回应您提出的问题。
% @5 p  g2 g1 v) D8 y至于国家标准,似乎并不是什么事情都要由国家标准来规定的。
实用机床电路图.JPG
发表于 2012-1-11 15:34:19 | 显示全部楼层 来自: 中国江苏常州
120W小风机可以直接从11KW电机端子引线连接;这种小风机不用热保护,和大电机共用短路保护即可,按大电机的选。比如变频电机的风扇电机,天车抱闸电机都是这么引得。

评分

参与人数 1三维币 +5 收起 理由
pangpang + 5 应助。好,与实际应用相结合。

查看全部评分

发表回复
您需要登录后才可以回帖 登录 | 注册

本版积分规则


Licensed Copyright © 2016-2020 http://www.3dportal.cn/ All Rights Reserved 京 ICP备13008828号

小黑屋|手机版|Archiver|三维网 ( 京ICP备2023026364号-1 )

快速回复 返回顶部 返回列表