QQ登录

只需一步,快速开始

登录 | 注册 | 找回密码

三维网

 找回密码
 注册

QQ登录

只需一步,快速开始

展开

通知     

全站
11天前
查看: 1659|回复: 3
收起左侧

[求助] 国外的液压原理图 请帮忙看看

[复制链接]
发表于 2012-2-14 20:59:51 | 显示全部楼层 |阅读模式 来自: 中国河北秦皇岛

马上注册,结识高手,享用更多资源,轻松玩转三维网社区。

您需要 登录 才可以下载或查看,没有帐号?注册

x
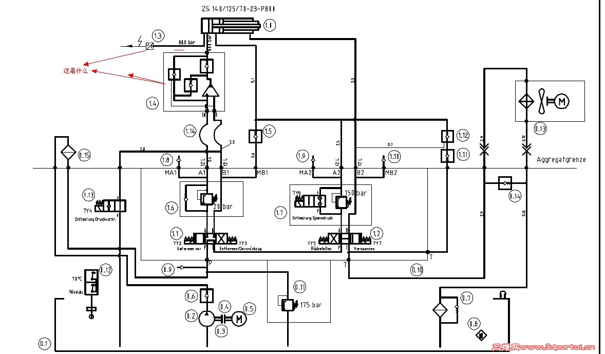
液压原理图.jpg & v0 A9 M* {6 t. f2 K$ V
7 m/ ^9 `- P) m! V( u; Q8 m
这是一个 增压的 液压 原理图纸 ,谁能帮分析一下 。' f* ~- M2 ]6 \
另外 谁能告诉一下图上的箭头 是什么元件
发表于 2012-2-14 21:14:05 | 显示全部楼层 来自: 中国吉林四平
自动液压增压器可以自动往复。
 楼主| 发表于 2012-2-14 21:20:53 | 显示全部楼层 来自: 中国河北秦皇岛
本帖最后由 bwg998 于 2012-2-14 21:25 编辑 2 [7 R) b3 o& J" R$ ^. [: s0 P! n

& {+ F$ W+ m/ l/ d9 i8 m: X- H2 ^谢谢 你  有大概的 型号 或者 样子 的图片 吗   不是 气液增压泵 吧
" @) f3 \9 |4 G$ k努力学习   
. A: b: _! s/ Q- B2 I+ ^谁能帮忙 分析一下
发表于 2012-2-16 19:29:21 | 显示全部楼层 来自: 中国辽宁大连
13是个压力传感器吧?14就不晓得叫什么阀了。
发表回复
您需要登录后才可以回帖 登录 | 注册

本版积分规则


Licensed Copyright © 2016-2020 http://www.3dportal.cn/ All Rights Reserved 京 ICP备13008828号

小黑屋|手机版|Archiver|三维网 ( 京ICP备2023026364号-1 )

快速回复 返回顶部 返回列表