|
|

楼主 |
发表于 2012-2-23 18:46:31
|
显示全部楼层
来自: 中国四川资阳
本帖最后由 xuexi520 于 2012-2-23 18:48 编辑 S- P+ h% G8 v' O t/ Z: k
9 y u) V3 _# I) i# d
谢谢 各位老师的帮助与指点!
+ L# ?' a2 Z2 R9 G9 H
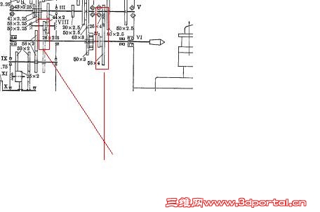
3 T5 m& F7 ^/ P8 Z6 C3 O; F请看图:1 ?% w2 \# M% p y9 a) h- H, b j9 r
" e" W( R' `" X& F
2楼老师: M4 Q& h: i, P
2 D0 s. z, Y& {. j+ `5 a; S学生已经找了所有涉及到这个图纸的零件图。没有找到啊。) ] f! m: i* q! k4 Y1 o. ?
( @% `# S7 K3 j% z2 @7 \# I
谢谢
% N! m5 }/ V8 W$ A) X. M; Q6 t# ?: X
1 L3 L6 t- o$ Q* }3楼老师: 9 J& G6 i6 l% k1 }8 {1 x, p
$ \. C0 k$ O2 { K4 D- Z! L( u
两处分别传入动力(离合器),带动主轴正、反转。———————— 如图1,红色框框示出。
" P) |& ?3 A" ~. a8 A D: j5 s$ [2 z
谢谢3 E' t6 J, W4 P: {3 _6 s
4楼老师:0 u. q" e' i1 F7 V6 w
: P. ~% r- X0 m, z
中间有个离合器分开着那————————不管离合器是否离合,都有两组动力传跟主轴9 f% t( n1 c: g$ }; t. P
+ k7 N" `# b/ k. Z* k8 ?) H. T% P谢谢
3 a+ L: w0 ~" E: y: a
/ z$ |+ P7 }; q: n+ R$ s: D! k
6 M& N' d: v6 M
2 M' W& l: R; F2 M3 @请各位老师 赐教... |
|