QQ登录

只需一步,快速开始

登录 | 注册 | 找回密码

三维网

 找回密码
 注册

QQ登录

只需一步,快速开始

展开

通知     

全站
7天前
查看: 2083|回复: 8
收起左侧

[已解决] 各位专家 请教一个问题

 关闭 [复制链接]
发表于 2012-3-1 15:56:17 | 显示全部楼层 |阅读模式 来自: 中国上海

马上注册,结识高手,享用更多资源,轻松玩转三维网社区。

您需要 登录 才可以下载或查看,没有帐号?注册

x
假如我要钻个M3的螺纹孔 ,我要求螺纹深度为5,那么我孔最小的深度为多少啊 ?
2 G! z) c; C& z- `% }* O8 W
; |! x2 x7 z" X6 ?3 |$ v
+ A) M. [* |0 c) Y$ \8 J7 {我是一个阀块里有这个问题
3 O: Y0 W  ~" y+ b' ?+ R8 W 未命名.jpg 6 h7 @, s; m' m  h+ h) b8 U  N( k
; X2 Q2 L8 h; s

$ g' J; ]" x: }  [! \# K$ x/ D- [& v: w3 E* J& r8 G1 r6 D
我要求螺孔的深度越小越好,在螺纹深度确定的情况下。 这样我阀块其他地方钻孔就相对方便
发表于 2012-3-1 16:20:24 | 显示全部楼层 来自: 中国湖南岳阳
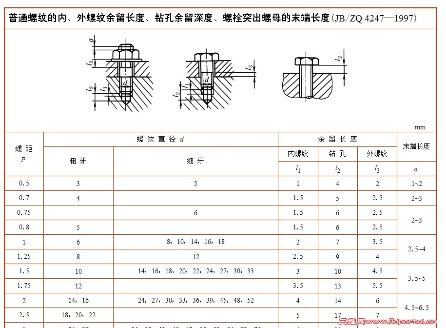
参考一下标准。
1.jpg

评分

参与人数 1三维币 +2 收起 理由
天际孤帆 + 2 鼓励交流

查看全部评分

发表于 2012-3-1 16:20:33 | 显示全部楼层 来自: 新加坡
按照标准钻孔深度应该是8mm。, h0 i$ B3 E  ?* X6 I
再小的话恐怕攻丝时,丝锥就没发攻到5个深了。* J/ X6 \! [( u, l3 ?/ @+ O
再提醒一下,钻头还有个尖呢,做阀块是千万不能忽略了这个。- b. i' B$ g* a) [6 X
中压情况下,钢件的阀块壁厚至少得5mm。

评分

参与人数 1三维币 +2 收起 理由
天际孤帆 + 2 鼓励交流

查看全部评分

发表于 2012-3-1 22:01:32 | 显示全部楼层 来自: 中国广东广州
如果是零件要求所限,可不必按常规来做,钻6点几的深度就可以。可以先用标准丝锥攻到3点几到4左右的深度,再用头部磨平的丝锥(只留有效部分)来攻即可。

评分

参与人数 1三维币 +2 收起 理由
天际孤帆 + 2 鼓励交流

查看全部评分

发表于 2012-3-1 22:47:48 | 显示全部楼层 来自: 中国浙江宁波
一般底孔深度,比螺纹的有效深度多出两个螺距即可,但是如果螺纹是用手工丝锥加工,分头锥、二锥来加工的话,底孔深度还可以小一点
 楼主| 发表于 2012-3-2 10:33:30 | 显示全部楼层 来自: 中国上海
还是采用4楼的办法 ,哈哈。多谢诸位大哥的指导
发表于 2012-3-2 12:45:17 | 显示全部楼层 来自: 中国浙江台州
楼主一般可用此简要计算,如下: 钻孔深度=螺纹要求深度+螺纹直径X0.7; `0 O; F2 w  M9 }1 D
按你提出螺纹深度为5,根据上式计算应为7.1,你取为7就可以了。
发表于 2012-3-2 18:10:35 | 显示全部楼层 来自: 中国吉林长春
共同进步,三维论坛好!
发表于 2012-3-4 23:29:43 | 显示全部楼层 来自: 中国江西九江
具体加工的话按图示设计要求,但如果没有标出或没有图纸规定,则一般底孔深度留给螺纹有效深度的1.5-2倍。这主要是考虑到丝锥切削刃的下刀。一般常用丝锥切削刃为C型,2-3个切削刃。但如果产品特殊,如壁厚、螺纹干涉等等情况,可据情况设定。但,最少不能少于螺纹有效长度+1.5个螺距
发表回复
您需要登录后才可以回帖 登录 | 注册

本版积分规则

Licensed Copyright © 2016-2020 http://www.3dportal.cn/ All Rights Reserved 京 ICP备13008828号

小黑屋|手机版|Archiver|三维网 ( 京ICP备2023026364号-1 )

快速回复 返回顶部 返回列表