QQ登录

只需一步,快速开始

登录 | 注册 | 找回密码

三维网

 找回密码
 注册

QQ登录

只需一步,快速开始

展开

通知     

全站
10天前
查看: 2305|回复: 4
收起左侧

[原创] 油缸试验台

[复制链接]
发表于 2012-3-8 09:55:49 | 显示全部楼层 |阅读模式 来自: 中国江苏无锡

马上注册,结识高手,享用更多资源,轻松玩转三维网社区。

您需要 登录 才可以下载或查看,没有帐号?注册

x
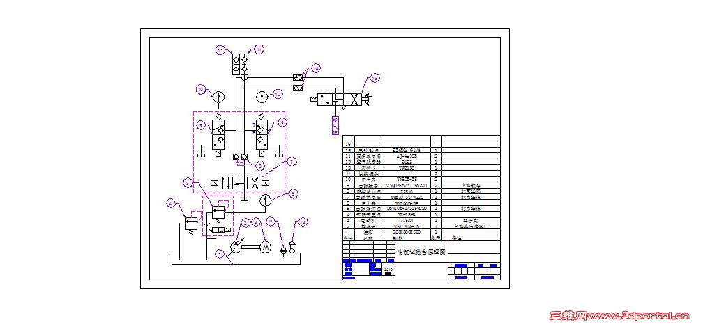
自己设计的一台简单的油缸试验台,大家看看怎么样。7 O0 N9 F" l1 e3 z
试验台.JPG

评分

参与人数 1三维币 +3 收起 理由
9619 + 3 鼓励原创

查看全部评分

发表于 2012-3-8 11:28:34 | 显示全部楼层 来自: 中国江苏无锡
还可以,不过也不难的
发表于 2012-3-9 17:27:09 | 显示全部楼层 来自: 中国安徽合肥
标题栏看不清,提几点看法:. \, ^) Z) ?& G3 r! _# a
1、需不需要加节流阀;
4 E8 I3 m' `! x, }- b2、一个变量泵,既做换向试验、又做耐压试验不经济,通用办法是一个低压大流量变量泵和一个高压小流量泵
6 [' I6 Q! A( D" o3、一个电磁溢流阀,一个直动溢流阀,可以做耐压试验和油缸启动压力,这两个压力差别很大,压力表怎么解决高低压力的精确显示?

评分

参与人数 1三维币 +3 收起 理由
9619 + 3 技术讨论

查看全部评分

发表于 2012-3-9 21:46:36 | 显示全部楼层 来自: 中国广东广州
1、油缸的行程如何检测?( K% F$ O" A1 n9 h  L& y: b# I
2、液压锁用来保压实验?这样效果不好,应该改为测其内泄漏试验
) r$ h; n, L4 a" u! r, `) W3、电机是变频的么?如果不是,应该加一个双向节流阀" b) ]6 q5 J: H( [# r4 g! ^) F, V
4、加一个称重传感器,测油缸的输出力
发表于 2012-3-9 22:53:26 | 显示全部楼层 来自: 中国河南安阳
1、油缸的行程如何检测?
0 p. ~/ P; n. q7 V9 o; }' J2、液压锁用来保压实验?这样效果不好,应该改为测其内泄漏试验
7 W. e$ U$ o% F/ |; ~3 V0 M3、电机是变频的么?如果不是,应该加一个双向节流阀  k. Z" ?0 N) d/ C$ H/ ]+ N
4、加一个称重传感器,测油缸的输出力( I/ z( Y: A! s/ q+ Y6 c
lcjppplll 发表于 2012-3-9 21:46 http://www.3dportal.cn/discuz/images/common/back.gif

7 j1 d) g) \  E, w& l& ?' _; y感觉楼主这里的液控单向阀是油气分离的吧。
发表回复
您需要登录后才可以回帖 登录 | 注册

本版积分规则


Licensed Copyright © 2016-2020 http://www.3dportal.cn/ All Rights Reserved 京 ICP备13008828号

小黑屋|手机版|Archiver|三维网 ( 京ICP备2023026364号-1 )

快速回复 返回顶部 返回列表