QQ登录

只需一步,快速开始

登录 | 注册 | 找回密码

三维网

 找回密码
 注册

QQ登录

只需一步,快速开始

展开

通知     

全站
3天前
查看: 1004|回复: 2
收起左侧

[求助] 求助

[复制链接]
发表于 2012-3-16 12:45:48 | 显示全部楼层 |阅读模式 来自: 中国江苏镇江

马上注册,结识高手,享用更多资源,轻松玩转三维网社区。

您需要 登录 才可以下载或查看,没有帐号?注册

x
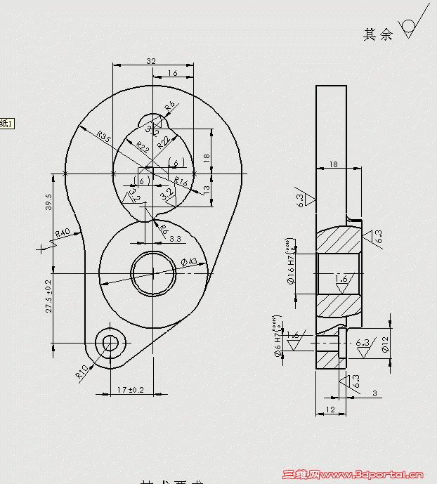
关于下图用线切割能加工出来么?主要考虑的是3处不是相通的,需要重新定位,线切割重新定位的话能保证相互之间的坐标尺寸么?- v' `7 ?+ w, b8 v( t- b; u1 x
还有就是在进行模拟运动的时候,怎么能把运动轨迹画出来,往往只能看的见运动轨迹和起始终结的位置,而不能记录下来。困扰很久。 QQ截图20120316123700.gif
发表于 2012-3-16 15:48:41 | 显示全部楼层 来自: 中国广东珠海
本帖最后由 fsjt 于 2012-3-16 16:17 编辑 / ~# t( k; v8 j8 b1 o
. K$ l% {/ U8 \2 R
先车好最大外径与Φ16孔,碰Φ16孔分中,然后线线割外形和直接从外切割入定位Φ6孔绕割出(后加工Φ12孔),保证位置准确.......: U+ ]: I- j" u1 |3 N  }) F
* N4 R* T2 f/ E! _( E$ b
A-1.jpg
发表于 2012-3-16 16:04:27 | 显示全部楼层 来自: 中国上海
如楼上所言,先车最大外径,再线切外形和不规则孔,直径6的孔那里最后铣床加工。
发表回复
您需要登录后才可以回帖 登录 | 注册

本版积分规则


Licensed Copyright © 2016-2020 http://www.3dportal.cn/ All Rights Reserved 京 ICP备13008828号

小黑屋|手机版|Archiver|三维网 ( 京ICP备2023026364号-1 )

快速回复 返回顶部 返回列表