QQ登录

只需一步,快速开始

登录 | 注册 | 找回密码

三维网

 找回密码
 注册

QQ登录

只需一步,快速开始

展开

通知     

查看: 2005|回复: 10
收起左侧

[求助] 帮忙看看这个单向阀什么作用?

[复制链接]
发表于 2012-3-23 13:12:11 | 显示全部楼层 |阅读模式 来自: 中国浙江宁波

马上注册,结识高手,享用更多资源,轻松玩转三维网社区。

您需要 登录 才可以下载或查看,没有帐号?注册

x
本帖最后由 北堂 于 2012-3-23 13:18 编辑
6 C: `5 a/ ]& `
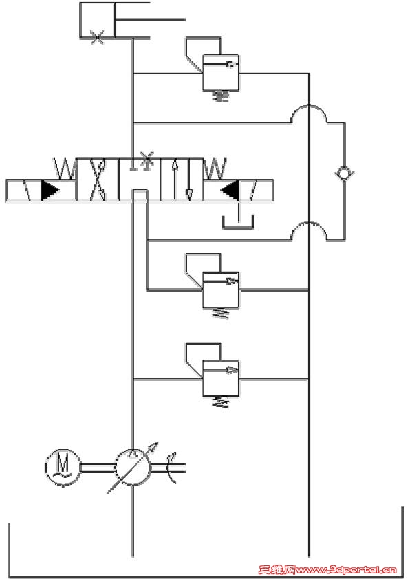
9 L/ f3 J, A; Y, Z: X这个图是我根据实物绘制的草图。油缸的无杆腔对空气。* s9 t! k2 z8 t
我弄不清楚这里的单向阀是什么作用?可以取消吗?
* }; ~0 Y" [+ `7 a1 U1 N$ T请教下各位,非常感谢!
全页传真图片.jpg
发表于 2012-3-23 14:08:41 | 显示全部楼层 来自: 新加坡
弱弱的说一下
+ ~0 N% g6 C8 ^$ Z; J电液换向阀在中位时给油缸补油的 ?
发表于 2012-3-23 18:44:42 | 显示全部楼层 来自: 中国河南安阳
感觉是两个压力。
发表于 2012-3-24 08:00:54 | 显示全部楼层 来自: 中国江苏南通
中位时,油从单向阀入油缸,但单向阀开启压力是多少?
% @) U0 v6 e- b" U7 \' k! W2 b
$ R1 y: x8 |6 n+ d8 J. L- g5 t两级压力有什么作用
头像被屏蔽
发表于 2012-3-25 22:31:09 | 显示全部楼层 来自: 中国江苏南通
提示: 作者被禁止或删除 内容自动屏蔽
发表于 2012-3-26 08:39:04 | 显示全部楼层 来自: 中国上海
本帖最后由 9619 于 2012-3-26 09:39 编辑 9 b! k1 L7 K4 S0 E4 F. \& M
6 z7 t" `. ^( r+ A
3# 9619 ; [$ B& h4 k+ p7 F" {( Y
版主正解~~~" L0 c; e' C4 ^6 D! b
单向阀是防止不同位时,2压力干扰
发表于 2012-3-26 20:01:13 | 显示全部楼层 来自: 中国江苏无锡
弱弱的问一句:在电磁阀左位时,活塞向右运动,但是单向阀不也进油了?为了缓冲?
发表于 2012-3-27 14:09:46 | 显示全部楼层 来自: 中国北京
和三楼一样的理解。
发表于 2012-3-30 09:57:11 | 显示全部楼层 来自: 中国北京
说说负载形式?
发表于 2012-3-30 11:11:11 | 显示全部楼层 来自: 中国湖南长沙
活塞杆收回时,给有杆腔补油使活塞杆快速收回。
发表于 2012-4-2 10:58:31 | 显示全部楼层 来自: 美国
具体没有看出来,但是不是2级压力,其中1个应该是用于换向的最低换向压力,感觉单向阀也是出于类似的目的,标注压力等级将有助分析
发表回复
您需要登录后才可以回帖 登录 | 注册

本版积分规则


Licensed Copyright © 2016-2020 http://www.3dportal.cn/ All Rights Reserved 京 ICP备13008828号

小黑屋|手机版|Archiver|三维网 ( 京ICP备2023026364号-1 )

快速回复 返回顶部 返回列表