QQ登录

只需一步,快速开始

登录 | 注册 | 找回密码

三维网

 找回密码
 注册

QQ登录

只需一步,快速开始

展开

通知     

查看: 1694|回复: 2
收起左侧

[求助] 铣槽后去毛刺的问题

[复制链接]
发表于 2012-3-23 14:46:32 | 显示全部楼层 |阅读模式 来自: 中国重庆

马上注册,结识高手,享用更多资源,轻松玩转三维网社区。

您需要 登录 才可以下载或查看,没有帐号?注册

x
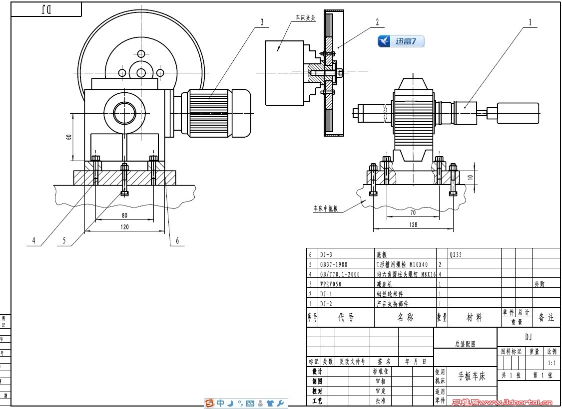
是汽车同步器上的齿套,8 p' ?" }1 M" F* ^/ _
1、45钢材质,调质硬度HB220-250。
$ k7 o7 m, E; D6 H. Q9 {2、产品为拉齿和滚齿后,铣缺口。
' a) r' n9 `. X/ o  {3 a3、铣缺口后产生的是大毛刺。
- _0 C1 J. Z9 L; D' c2 v& U/ B: u: m  m* l

$ t7 P% I. X$ o现在的想法是在第二张图的基粗上,把钢丝轮换成碗形的钢丝轮,不知道行不,有没有更好的方案,大家讨论下嘛!
未命名.jpg
未命名2.jpg
 楼主| 发表于 2012-3-24 09:20:55 | 显示全部楼层 来自: 中国重庆
没得人知道吗?
发表于 2012-3-25 10:28:10 | 显示全部楼层 来自: 中国山西太原
发表回复
您需要登录后才可以回帖 登录 | 注册

本版积分规则


Licensed Copyright © 2016-2020 http://www.3dportal.cn/ All Rights Reserved 京 ICP备13008828号

小黑屋|手机版|Archiver|三维网 ( 京ICP备2023026364号-1 )

快速回复 返回顶部 返回列表