QQ登录

只需一步,快速开始

登录 | 注册 | 找回密码

三维网

 找回密码
 注册

QQ登录

只需一步,快速开始

展开

通知     

查看: 7291|回复: 15
收起左侧

[已答复] 电机反接制动电气原理图

 关闭 [复制链接]
发表于 2012-3-28 20:16:47 | 显示全部楼层 |阅读模式 来自: 中国江苏南通

马上注册,结识高手,享用更多资源,轻松玩转三维网社区。

您需要 登录 才可以下载或查看,没有帐号?注册

x
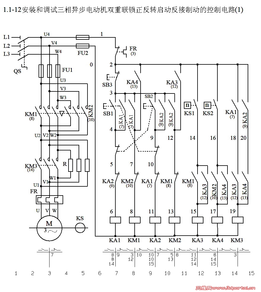
附件是我画的电机反接制动电气原理图,请问是否正确?) c. ^1 ?- r' x: k! F5 a# U, B1 H9 y
工作台升降电机反接制动电气原理图.pdf (59.19 KB, 下载次数: 24)
发表于 2012-3-28 21:15:17 | 显示全部楼层 来自: 中国天津
电机反接制动电气原理图。可在图面上点击放大。
Pic.JPG
发表于 2012-3-29 19:45:50 | 显示全部楼层 来自: 中国陕西西安
反接制动时必须一致按着按钮SB2,直到电机停止运转,如果未完全停止及松开按钮SB2,电机将一直开始反转,直到按下停止按钮SB4。不知问题是否正确,看梯形图看惯了看这个都感觉有点吃力了,还得多学习哈

评分

参与人数 1三维币 +5 收起 理由
pangpang + 5 应助。

查看全部评分

 楼主| 发表于 2012-4-1 16:55:33 | 显示全部楼层 来自: 中国江苏南通
反接制动时必须一致按着按钮SB2,直到电机停止运转,如果未完全停止及松开按钮SB2,电机将一直开始反转,直到按下停止按钮SB4。不知问题是否正确,看梯形图看惯了看这个都感觉有点吃力了,还得多学习哈$ s9 H: H- c0 n
sunxp166 发表于 2012-3-29 19:45 http://www.3dportal.cn/discuz/images/common/back.gif
1 ?, a' y  Z1 u7 r
5 _: \5 v) E* T9 s* @+ x

" s% q$ o2 b1 f是有这个问题,不知如何改进?
发表于 2012-4-5 15:42:17 | 显示全部楼层 来自: 中国台湾
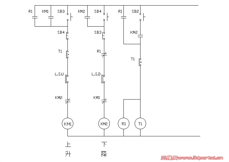
畫了一張圖,不知道行不行,參考一下
Wiring.jpg
 楼主| 发表于 2012-4-5 20:09:43 | 显示全部楼层 来自: 中国江苏南通
畫了一張圖,不知道行不行,參考一下9 ~. H; r- U2 m- A  z5 X; S1 r. y. L
twingo49 发表于 2012-4-5 15:42 http://www.3dportal.cn/discuz/images/common/back.gif

' v1 v7 Y0 @- j& v
3 ]. ]0 w( T4 h  J非常感谢twingo49的回复,我看了一下,有几个疑问,不知说得对否?( |$ P+ `" H& F9 r1 A# ~# Z- J
1. 电机上升时,无法停止。# O! w* [5 I5 ]; t9 @% x; {7 r
2. R1表示中间继电器,应该用符号"KA1"吧。
& Y7 F- @0 r. N3. “R1”要确保其常闭触点先断开,常开触点后闭合吗?(中间继电器都可以实现吗?HH54P型的好像可以)

评分

参与人数 1三维币 +5 收起 理由
pangpang + 5 提出问题,而且认真参予讨论。

查看全部评分

发表于 2012-4-6 09:27:32 | 显示全部楼层 来自: 中国台湾
本帖最后由 twingo49 于 2012-4-6 09:29 编辑 1 n! E. q% J- p( k* w
非常感谢twingo49的回复,我看了一下,有几个疑问,不知说得对否?
9 s: z: N; [: ~) d, [# _1. 电机上升时,无法停止。7 Q2 c1 T' r' C; o" {
2. R1表示中间继电器,应该用符号"KA1"吧。
; k$ a8 C, H1 \  h3 V2 b3. “R1”要确保其常闭触点先断开,常开触点后闭合吗?(中间继电器 ...
2 l3 _" r* [0 k8 v7 Glalala88 发表于 2012-4-5 20:09 http://www.3dportal.cn/discuz/images/common/back.gif
% k$ M: ^- B2 Z& p: y0 O! R: @
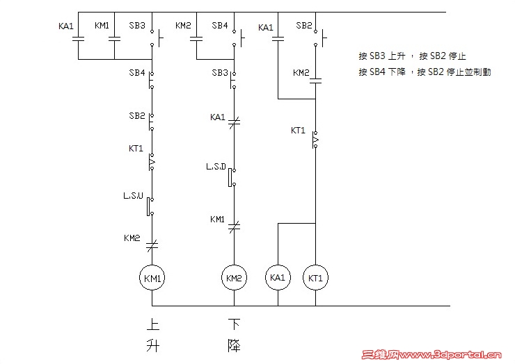
1. 的確,上升時會一直到上升限才會停止,因此改了一下圖。4 M) w/ ]" J; n+ z  ~8 H) a
2. R1 改成 KA1( }& q# C% ^- t4 X4 @: S
3. b接點先斷開,a接點後閉合沒錯
Wiring.jpg

评分

参与人数 1三维币 +5 收起 理由
pangpang + 5 应助。感谢您的积极参予。建议电气图文符号可否使用标准规定的形式。

查看全部评分

 楼主| 发表于 2012-4-16 18:16:24 | 显示全部楼层 来自: 中国江苏南通
1. 的確,上升時會一直到上升限才會停止,因此改了一下圖。
+ A1 ~! b$ X8 J0 ^2. R1 改成 KA12 ?9 Z% r, }# g/ O
3. b接點先斷開,a接點後閉合沒錯
" B8 n6 ~1 Z8 t' \& N3 utwingo49 发表于 2012-4-6 09:27 http://www.3dportal.cn/discuz/images/common/back.gif

! F. l0 ~5 {( `, v8 A3 ^
/ Q* |! I; |9 B' i再次感谢twingo49,上图应该正确,另外,我还想请教一下您,如果把升降启动按钮改为自复位选择开关,左旋时上升,右旋时下降,松开后复位(即停止上升或下降),原理图该怎么画?
发表于 2012-4-28 09:02:24 | 显示全部楼层 来自: 中国台湾
8# lalala88 - ?- E6 t& C5 G" J
好幾天沒進來看帖,昨天才看到你的回應,再畫一張你看看行不行。 Drawing1.pdf (7.3 KB, 下载次数: 5)
发表于 2012-4-28 17:56:16 | 显示全部楼层 来自: 中国天津
楼上附件中给出的电路。讨论问题还是直接给出图为好。
Pic.jpg
发表于 2012-4-29 14:10:47 | 显示全部楼层 来自: 中国浙江丽水
本帖最后由 xf81519 于 2012-4-29 14:12 编辑 0 w1 M  T$ p0 s- ]+ O
- h6 k- Y6 |7 i. g: E9 i, k% Q
反接制动要速度继电器才能平稳控制,不然很易过头,给你两张典型反接制动的图,你可参考,因为不知前面的图和不知整个用途,所以不好设计.# N- Y& A5 b4 `) ^( [: ?
(12)是大电机串电阻反接制动,(13)是小电机真接反接制动.
12.jpg
13.jpg

评分

参与人数 1三维币 +5 收起 理由
pangpang + 5 热心参予讨论。的确,用时间控制是很难做到准确、平稳的。

查看全部评分

发表于 2012-4-29 15:10:13 | 显示全部楼层 来自: 中国浙江丽水
如果就是下行碰到限位开关后停止的话,那还是用电磁制动器好,反接制动要有行程余量给它的,电磁制动如果功率配合的好止动可迅速行程余量少.停点准.

评分

参与人数 1三维币 +3 收起 理由
pangpang + 3 讨论

查看全部评分

发表于 2012-5-9 09:12:44 | 显示全部楼层 来自: 中国天津
人才啊,可以参考一下S7-200的那些经典程序,关于电机控制的。
发表于 2012-9-4 12:28:37 | 显示全部楼层 来自: 中国山东烟台
反接制动是有要求的,别造成反向运动了!
发表于 2012-9-4 13:07:57 | 显示全部楼层 来自: 中国辽宁沈阳
我感兴趣的是7楼、10楼的图形是用什么软件绘制的呀?
发表于 2013-1-25 16:36:17 | 显示全部楼层 来自: 中国台湾
liangquan 发表于 2012-9-4 13:07 static/image/common/back.gif7 N3 R( N3 A- A! |5 Q
我感兴趣的是7楼、10楼的图形是用什么软件绘制的呀?

5 s! r/ d% d: j2 Z) b8 w. ~5 B- Q; EAutocad electrical 畫的
发表回复
您需要登录后才可以回帖 登录 | 注册

本版积分规则


Licensed Copyright © 2016-2020 http://www.3dportal.cn/ All Rights Reserved 京 ICP备13008828号

小黑屋|手机版|Archiver|三维网 ( 京ICP备2023026364号-1 )

快速回复 返回顶部 返回列表