QQ登录

只需一步,快速开始

登录 | 注册 | 找回密码

三维网

 找回密码
 注册

QQ登录

只需一步,快速开始

展开

通知     

全站
2天前
查看: 2106|回复: 11
收起左侧

[求助] 用SW画这种阀体,有空就上源文件,谢了,在线等.......

[复制链接]
发表于 2012-3-31 10:26:34 | 显示全部楼层 |阅读模式 来自: 中国江苏盐城

马上注册,结识高手,享用更多资源,轻松玩转三维网社区。

您需要 登录 才可以下载或查看,没有帐号?注册

x
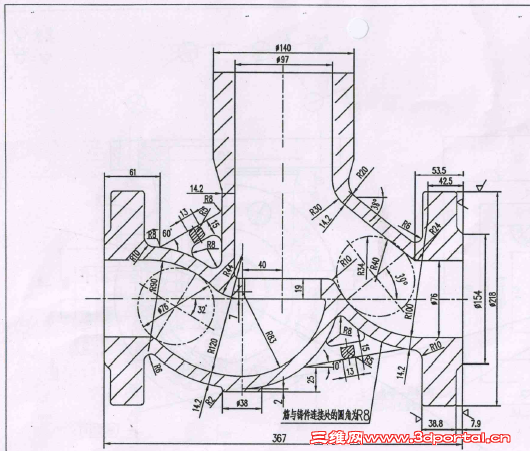
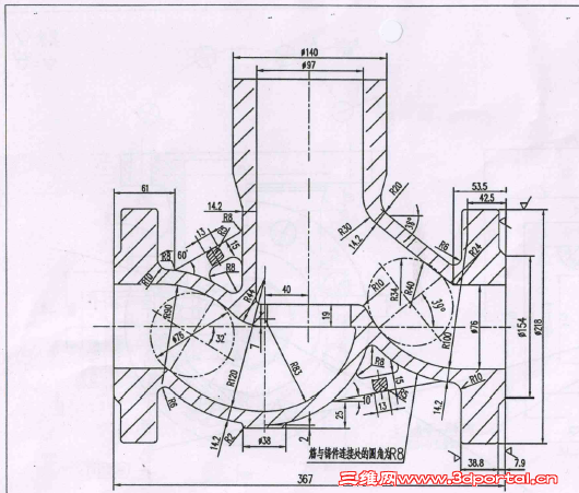
QQ截图20120331102132.png QQ截图20120331102141.png QQ截图20120331102146.png 画好发我QQ:261326505,我看看是什么思路造型。
QQ截图20120331102132.png
 楼主| 发表于 2012-3-31 11:02:59 | 显示全部楼层 来自: 中国江苏盐城
这么多人看了就是不会?
发表于 2012-3-31 11:18:53 | 显示全部楼层 来自: 中国河北廊坊
本帖最后由 gld123 于 2012-3-31 11:20 编辑 4 t: J/ m& @" x$ S% B

, a% C# O0 X& z9 V2 u+ P画这个是需要时间的,如果有CAD图,就会快很多。
发表于 2012-3-31 11:33:45 | 显示全部楼层 来自: 中国辽宁鞍山
我画过的一个    处理不到位  见笑6 a0 X( [4 g! y6 D  h
模型显示可能有问题   重新生成一下就可以了
发表于 2012-3-31 11:36:34 | 显示全部楼层 来自: 中国广西南宁
有吧,不过需要那么详细么
发表于 2012-3-31 11:39:22 | 显示全部楼层 来自: 中国辽宁鞍山
刚附件没传上来   补一个[local]1[/local]
发表于 2012-3-31 11:40:24 | 显示全部楼层 来自: 中国辽宁鞍山
晕  怎么不显示附件
 楼主| 发表于 2012-3-31 12:38:26 | 显示全部楼层 来自: 中国江苏盐城
你发我邮箱也行,谢谢:xuliang6495@163.com
 楼主| 发表于 2012-3-31 12:39:08 | 显示全部楼层 来自: 中国江苏盐城
你发我邮箱也行,谢谢:xuliang6495@163.com
 楼主| 发表于 2012-3-31 12:40:00 | 显示全部楼层 来自: 中国江苏盐城
你发我邮箱也行,谢谢:xuliang6495@163.com
发表于 2012-3-31 13:00:30 | 显示全部楼层 来自: 中国辽宁鞍山
邮件已发送
 楼主| 发表于 2012-3-31 13:18:02 | 显示全部楼层 来自: 中国江苏盐城
11# 55154947 收到,感谢
发表回复
您需要登录后才可以回帖 登录 | 注册

本版积分规则


Licensed Copyright © 2016-2020 http://www.3dportal.cn/ All Rights Reserved 京 ICP备13008828号

小黑屋|手机版|Archiver|三维网 ( 京ICP备2023026364号-1 )

快速回复 返回顶部 返回列表