QQ登录

只需一步,快速开始

登录 | 注册 | 找回密码

三维网

 找回密码
 注册

QQ登录

只需一步,快速开始

展开

通知     

查看: 2053|回复: 2
收起左侧

[求助] 两气路图不解

[复制链接]
发表于 2012-4-2 15:29:29 | 显示全部楼层 |阅读模式 来自: 中国广东广州

马上注册,结识高手,享用更多资源,轻松玩转三维网社区。

您需要 登录 才可以下载或查看,没有帐号?注册

x
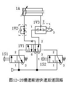
1、第一个气路图:说是慢速前进,快速后退;但怎么觉得是快速前进慢速后退呢?那快速排气阀不是在有杆端吗? 1.jpg 3 ^/ E4 K+ V7 ~% O

/ N5 j4 S+ d+ p, f0 A+ P% e2、由下面全功能图设计画出气动回路图,不解,能否帮忙详细解答下,谢谢!* i( U6 G% F- s4 k
2a.jpg    2b.jpg
发表于 2012-4-4 13:57:30 | 显示全部楼层 来自: 中国江苏无锡
第一个图是快速前进,慢速后退。原因有二:一是有杆腔接了快速排气阀,二是无杆腔接的排气节流阀,就是为了后退时的缓冲
( ~) m; }5 q6 Y, F' n6 Y: N第二个问题。汽缸A的功能图可以看出,1S1给启动信号(逻辑图重叠部分的后面应该是零位,没画出来),A先伸出,到位后行程开关1S2感应(从横坐标2与各元件的交点可以看出来),保压一段时间后再缩回(缩回时1S2失去信号)。这样大概了解之后就应该知道设计:
( q. t1 K3 z& `汽缸A的启动信号由启动按钮1s1手动给出,松开按钮后汽缸继续前行,表明所控制的气控阀1V1有记忆功能,应选用2位五通双气控电磁阀,这样左位仍然接通;9 ~4 D! n# N0 H
汽缸A伸出到位,行程开关1S2和2S1同时获得信号(或者说变换信号),二位五通气控阀1V1右位接通,此时由2S1控制的2V1左位接通;
* j1 ?/ s  ~" k" I, n8 K6 U9 n" H汽缸A开始保压一段时间,待汽缸B伸出到位后,从图上可以看出2S2获得信号,然后迅速失去信号,说明2s2已经换位,此时推动1V2也换位,汽缸B开始回缩;: ~2 R; r, C/ S- I: R5 i
汽缸B回缩完成动作到位后,由功能图看出1S2获得信号,1V1换位,汽缸回缩,同时功能图上2S1失去信号,由2S1控制的2V1右位接通,汽缸B不再动作,汽缸A完成动作: ?9 s4 ]& `4 u1 o& }/ z
整个动作回路还是比较清楚,但是信号夹杂所以有点复杂。因为1S1与1S2部分动作重叠,这两者的关系并列,所以采用并联,同理2S1与2S2采用并联的方式,右下角的总阀相当于停止保压按钮,辅助功能。其实如果采用磁性开关或者接近开关来检测信号,用plc控制动作顺序,七个电磁阀可以省略掉五个,只要两个二位五通电磁阀就够了,气动回路图会非常简单b] 1# 老等3
 楼主| 发表于 2012-4-7 13:33:44 | 显示全部楼层 来自: 中国广东广州
2# ligongjie 谢谢,明白许多……
发表回复
您需要登录后才可以回帖 登录 | 注册

本版积分规则


Licensed Copyright © 2016-2020 http://www.3dportal.cn/ All Rights Reserved 京 ICP备13008828号

小黑屋|手机版|Archiver|三维网 ( 京ICP备2023026364号-1 )

快速回复 返回顶部 返回列表