QQ登录

只需一步,快速开始

登录 | 注册 | 找回密码

三维网

 找回密码
 注册

QQ登录

只需一步,快速开始

展开

通知     

goto3d 说: 在线网校重磅上线MC2022&Inventor2022全新课程,虞为民老师、大表哥同事精彩讲解,快去围观!
2021-06-25
查看: 1450|回复: 2
收起左侧

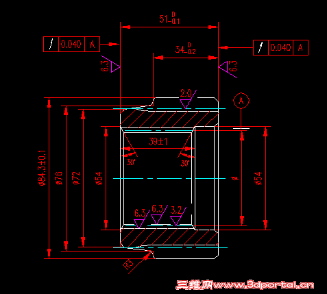
[求助] 斜齿轮要求收尾,哪位大侠能帮我画出来啊?

[复制链接]
发表于 2012-4-2 22:06:54 | 显示全部楼层 |阅读模式 来自: 中国山东济宁

马上注册,结识高手,享用更多资源,轻松玩转三维网社区。

您需要 登录 才可以下载或查看,没有帐号?注册

x
QQ截图20120402220257.png 1.rar (102.29 KB, 下载次数: 15)
发表于 2012-4-3 01:25:46 | 显示全部楼层 来自: 中国广东珠海
附件上不是斜齿轮吧?感觉还有的参数是不正确的。比如外圆柱齿轮的齿高系数和齿顶高系数与图纸不符。
 楼主| 发表于 2012-4-10 22:41:41 | 显示全部楼层 来自: 中国山东济宁
哪位大侠画出来,本人有最新发动机图纸一套相赠(SolidWorks格式),绝不食言。
发表回复
您需要登录后才可以回帖 登录 | 注册

本版积分规则


Licensed Copyright © 2016-2020 http://www.3dportal.cn/ All Rights Reserved 京 ICP备13008828号

小黑屋|手机版|Archiver|三维网 ( 京ICP备2023026364号-1 )

快速回复 返回顶部 返回列表