QQ登录

只需一步,快速开始

登录 | 注册 | 找回密码

三维网

 找回密码
 注册

QQ登录

只需一步,快速开始

展开

通知     

查看: 2037|回复: 1
收起左侧

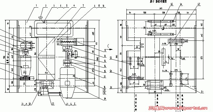
[机械] 小车装配图CAD版的

[复制链接]
发表于 2012-4-16 09:42:42 | 显示全部楼层 |阅读模式 来自: 中国河南新乡

马上注册,结识高手,享用更多资源,轻松玩转三维网社区。

您需要 登录 才可以下载或查看,没有帐号?注册

x
给大家共享!!喜欢的朋友支持!!
捕获.GIF

起重机双梁小车总装图.rar

164.29 KB, 下载次数: 64

发表于 2012-4-16 22:23:43 | 显示全部楼层 来自: 中国河南洛阳
1# cp14946
9 b; V8 q$ G$ t( ]( P: l! H太拉风了,下载下来学习学习
发表回复
您需要登录后才可以回帖 登录 | 注册

本版积分规则


Licensed Copyright © 2016-2020 http://www.3dportal.cn/ All Rights Reserved 京 ICP备13008828号

小黑屋|手机版|Archiver|三维网 ( 京ICP备2023026364号-1 )

快速回复 返回顶部 返回列表