QQ登录

只需一步,快速开始

登录 | 注册 | 找回密码

三维网

 找回密码
 注册

QQ登录

只需一步,快速开始

展开

通知     

全站
11天前
查看: 1560|回复: 13
收起左侧

[求助] 讨论

[复制链接]
发表于 2012-4-17 15:52:50 | 显示全部楼层 |阅读模式 来自: 中国湖北黄石

马上注册,结识高手,享用更多资源,轻松玩转三维网社区。

您需要 登录 才可以下载或查看,没有帐号?注册

x
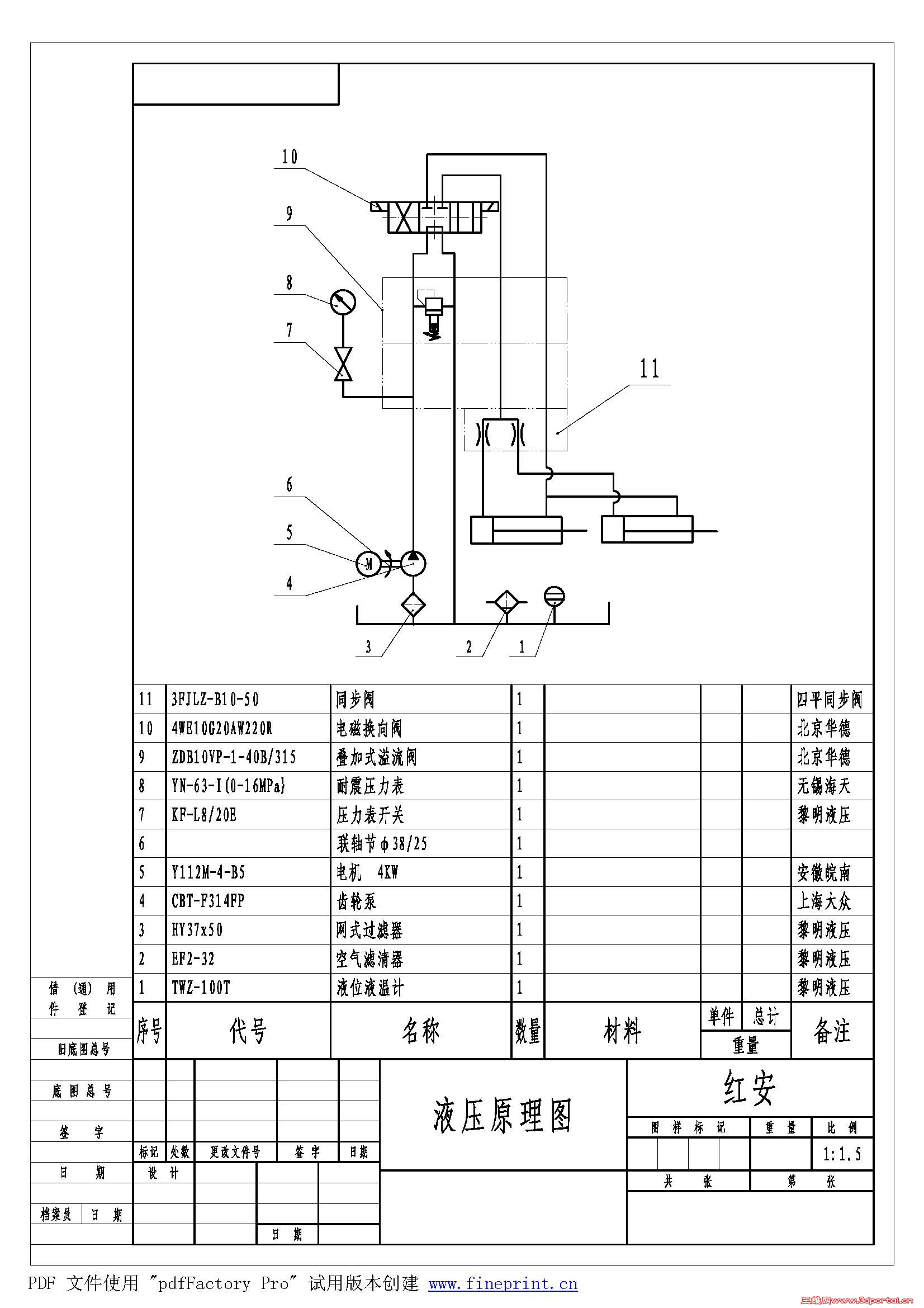
无杆腔工作时(有载荷)压力10MPa,有杆腔缩回时(无载荷)14MPa,是原理图有问题吗?

液压系统图.pdf

78.52 KB, 下载次数: 18

液压系统图.pdf

78.52 KB, 下载次数: 4

发表于 2012-4-17 16:20:12 | 显示全部楼层 来自: 中国河北秦皇岛
下次记得直接上图,省了人家花流量下载!!!
123.jpg

评分

参与人数 1三维币 +2 收起 理由
9619 + 2 应助

查看全部评分

发表于 2012-4-17 16:25:27 | 显示全部楼层 来自: 中国河北秦皇岛
看图就一个叠加溢流阀,怎么出来两个压力呢?
3 Q  @: d3 g/ F0 g; c' G/ C除非出现被压了吧,你回油管路什么都没有么?
发表于 2012-4-17 18:03:37 | 显示全部楼层 来自: 中国河南安阳
你那两个是节流阀吧,如果是节流阀,最好改为单向节流阀,这样会成才不会有高压出现。
: {  D& l) Q9 W6 M, Z! a节流阀(或同步阀)规格选小了就会造成这个结果。。
发表于 2012-4-17 21:54:53 | 显示全部楼层 来自: 中国山东聊城
如果是旧的液压系统的话,工作缸是否有划伤的情况。
 楼主| 发表于 2012-4-18 12:32:56 | 显示全部楼层 来自: 中国湖北黄石
是同步阀,二楼说的是,我不不会贴图,今天正在学.
发表于 2012-4-18 12:35:49 | 显示全部楼层 来自: 中国浙江杭州
本帖最后由 zls888 于 2012-4-18 12:45 编辑 / V" G& J* h+ E8 m2 q1 D
你那两个是节流阀吧,如果是节流阀,最好改为单向节流阀,这样会成才不会有高压出现。9 S) H4 m* F7 ~  _; j% Z  Q$ [
节流阀(或同步阀)规格选小了就会造成这个结果。。- E9 `0 B3 d* s8 r6 y5 A
9619 发表于 2012-4-17 18:03 http://www.3dportal.cn/discuz/images/common/back.gif
应该是分流阀,我怀疑管路通径太小或者阀的可通过额定流量太少,不过14排量齿轮泵,最大流量也就是42L/min,10通径阀过80L/min都应该不会这么大压降,估计回油路有问题;另外油缸返程如果拖动很重的负载(比如工作台)也可能压力升高,因为是有杆腔进油,面积小
 楼主| 发表于 2012-4-18 12:40:20 | 显示全部楼层 来自: 中国湖北黄石
4# 9619 4 Z% A! I* O  v& d
通径应该不小,泵36L/min的流量用10通径的阀足够
 楼主| 发表于 2012-4-18 12:45:57 | 显示全部楼层 来自: 中国湖北黄石
应该不小,泵36L/min的流量用10通径的阀足够,管道15通径也不小,不过有点长20M
 楼主| 发表于 2012-4-18 12:50:49 | 显示全部楼层 来自: 中国湖北黄石
液压系统图补上.
液压系统图.JPG
发表于 2012-4-18 12:51:21 | 显示全部楼层 来自: 中国浙江杭州
4# 9619  1 P4 H" n3 T5 ]( X3 e
通径应该不小,泵36L/min的流量用10通径的阀足够
# n, L$ h0 r+ d! C7 ^, c# sdgshs5708 发表于 2012-4-18 12:40 http://www.3dportal.cn/discuz/images/common/back.gif
我怀疑你分流阀处于较小开度,因为是可调的,见图示
Snap2.jpg
发表于 2012-4-18 13:13:43 | 显示全部楼层 来自: 中国江苏无锡
个人觉得也是楼上说的那样,可能是分流集流阀的问题。
 楼主| 发表于 2012-4-19 10:33:15 | 显示全部楼层 来自: 中国湖北黄石
我选的是自调式的分流阀,不用调的.
发表于 2012-4-19 11:50:16 | 显示全部楼层 来自: 中国黑龙江哈尔滨
原因很简单:3 k; s0 J$ U& _4 a7 e, |8 a5 [
a.单杆活塞杆,同样的负载,有杆腔工作是工作压力肯定比无杆腔工作时高:
; j7 Q# M: b/ bb.按照你的系统原理图,有杆腔工作时是回油节流调速,节流阀本身就相当于负载。
6 T# f1 g4 \2 y* f7 |+ a* y- f综合以上两种情况,这种情况出现一点都不奇怪。你可以设置一些参数值,简单地计算下,就会更明了了。当然,你也可以不让这种情况出现,你只需要让一个同事在旁边帮你手调下节流阀的开度,你关注下压力表的数值就知道活塞杆缩回时数值的变化情况。
发表回复
您需要登录后才可以回帖 登录 | 注册

本版积分规则


Licensed Copyright © 2016-2020 http://www.3dportal.cn/ All Rights Reserved 京 ICP备13008828号

小黑屋|手机版|Archiver|三维网 ( 京ICP备2023026364号-1 )

快速回复 返回顶部 返回列表