QQ登录

只需一步,快速开始

登录 | 注册 | 找回密码

三维网

 找回密码
 注册

QQ登录

只需一步,快速开始

展开

通知     

查看: 1178|回复: 2
收起左侧

[求助] 请帮忙看下手动泵型号及生产厂家

[复制链接]
发表于 2012-4-17 19:04:23 | 显示全部楼层 |阅读模式 来自: 中国浙江宁波

马上注册,结识高手,享用更多资源,轻松玩转三维网社区。

您需要 登录 才可以下载或查看,没有帐号?注册

x
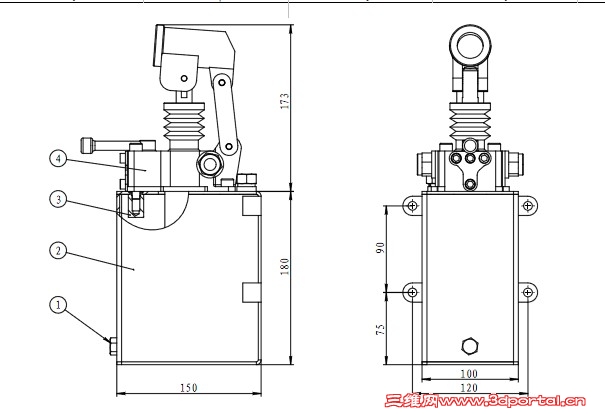
今天接了个小项目,希望同行可以提供下 下图中用到的手动泵型号和生产厂家,谢谢 手动双回路液压站.pdf (179.56 KB, 下载次数: 7)
发表于 2012-4-19 15:51:14 | 显示全部楼层 来自: 中国广东深圳
本帖最后由 ttyxe 于 2012-4-19 15:53 编辑 / R. _/ {3 Z5 W' ^: c0 E' c: b3 G

/ `' L: ?. q4 O$ X! j7 x* g  J* Z如图这个东西能用吗?需要的话可以看以下网址http://www.ecsystec.cn/products1.asp?TypeID=102 总装图.jpg 原理图.jpg 外形1.jpg
 楼主| 发表于 2012-4-19 22:19:06 | 显示全部楼层 来自: 中国浙江宁波
可以用的 谢谢
发表回复
您需要登录后才可以回帖 登录 | 注册

本版积分规则


Licensed Copyright © 2016-2020 http://www.3dportal.cn/ All Rights Reserved 京 ICP备13008828号

小黑屋|手机版|Archiver|三维网 ( 京ICP备2023026364号-1 )

快速回复 返回顶部 返回列表