QQ登录

只需一步,快速开始

登录 | 注册 | 找回密码

三维网

 找回密码
 注册

QQ登录

只需一步,快速开始

展开

通知     

全站
1天前
查看: 2256|回复: 15
收起左侧

[求助] 三维造型求高手帮忙

[复制链接]
发表于 2012-4-21 16:12:15 | 显示全部楼层 |阅读模式 来自: 中国上海

马上注册,结识高手,享用更多资源,轻松玩转三维网社区。

您需要 登录 才可以下载或查看,没有帐号?注册

x
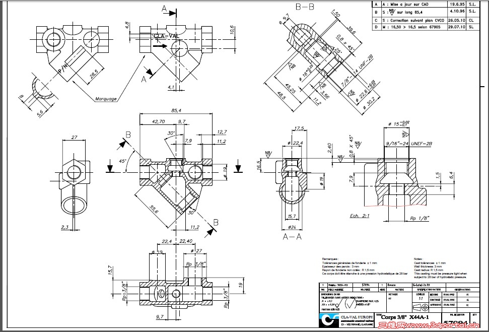
图档是PDF的,高手帮忙画一下三维图档, 57094.dwg.rar (91.47 KB, 下载次数: 60)
发表于 2012-4-23 13:18:42 | 显示全部楼层 来自: 中国江苏无锡
你的图里好像缺尺寸,还有有的尺寸是配不拢的
发表于 2012-4-23 16:51:13 | 显示全部楼层 来自: 中国江苏苏州
我做到这边我做不下去了,好多问题。看图
未命名1.jpg
未命名2.jpg

零件1.rar

153.04 KB, 下载次数: 15

评分

参与人数 1三维币 +3 收起 理由
chenjun520601 + 3 积极参与

查看全部评分

 楼主| 发表于 2012-4-24 08:47:26 | 显示全部楼层 来自: 中国上海
QQ截图20120423222721.jpg 3# liusheng30
发表于 2012-4-24 09:01:50 | 显示全部楼层 来自: 中国辽宁盘锦
搞毕业设计吗?
发表于 2012-4-24 10:10:19 | 显示全部楼层 来自: 中国上海
好像是暖通平衡阀,有些地方不一定要跟原图完全一样的呀,
发表于 2012-4-24 10:11:02 | 显示全部楼层 来自: 中国江苏苏州
4# 19771028
未命名1.jpg

评分

参与人数 1三维币 +3 收起 理由
chenjun520601 + 3 跟进讨论,支持!

查看全部评分

发表于 2012-4-24 10:16:33 | 显示全部楼层 来自: 中国台湾
本帖最后由 judyyai 于 2012-4-24 10:18 编辑
: E7 G7 S% S5 Q% `9 M) l* L
! i$ K2 ~5 @9 X9 s' J相同问题~这里与开思论坛反应不一样~! O* j6 {/ i8 N# R! @' Y
不过还是能学习到一些~2 j4 N6 d+ [' x, W" j0 ~
* ^- ]6 s5 _) N: ^3 S6 U0 o
请问发问的楼主~4楼贴的图片是你画得吗...
) t& i9 O7 n+ d% {9 G那应该把你遇到困难说出来~而不是整个PDF放上来 请人家画~
 楼主| 发表于 2012-4-24 10:53:36 | 显示全部楼层 来自: 中国上海
我画了半天时间,失败而告终,请各位 兄弟帮忙画一下,十分感激。。。
 楼主| 发表于 2012-4-24 10:56:10 | 显示全部楼层 来自: 中国上海
是的,高人帮忙画一下好吗,谢谢 5# 阿帕奇
发表于 2012-4-25 12:53:56 | 显示全部楼层 来自: 中国上海
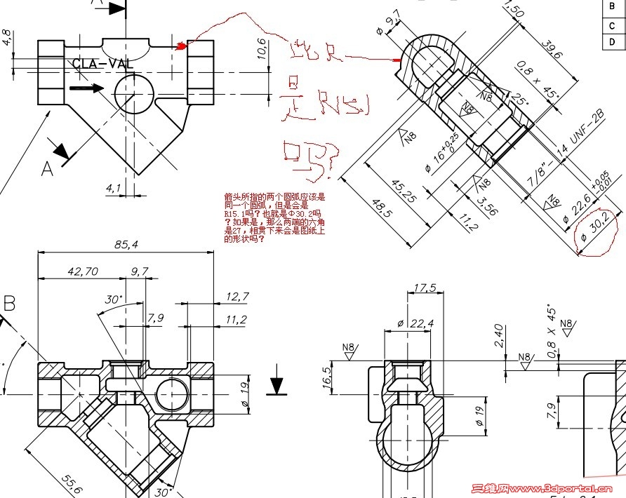
图纸尺寸不全 直径30.2相贯线到哪里?
发表于 2012-4-26 16:36:05 | 显示全部楼层 来自: 中国台湾
7# liusheng30 : ]" \- z" U! v* ?  Y' U" {, j6 n

; z, \0 B" d- L  `( d: G1.的直径是25/ E# g) M) W: U& ]8 M% V0 U
因为内径19 厚度有注明3mm
发表于 2012-4-26 17:21:58 | 显示全部楼层 来自: 中国江苏苏州
12# judyyai   f6 S# b2 C8 [0 \" F& a3 a" `! e
那么,Φ25和Φ30.2两个圆柱,拉伸草图的两个圆心是在同一个基准面上的,是怎么做到B-B视图所示的相切的?
发表于 2012-4-26 22:02:16 | 显示全部楼层 来自: 中国山东青岛
都是高人啊
发表于 2012-4-27 12:42:56 | 显示全部楼层 来自: 中国台湾
13# liusheng30
2 d& m0 F% n: O6 `- q# H( I! U( V2 [* [
这张图~有许多表示不是很正确的- b- Y. |2 j& ?  Y# T- Y1 l# s4 D8 s
5 v. }7 l" a$ Q, b
2012-04-27_124125.png
发表于 2012-5-7 16:59:08 | 显示全部楼层 来自: 中国江苏常州
此零件是铸件,有的尺寸不必太在意的。
发表回复
您需要登录后才可以回帖 登录 | 注册

本版积分规则


Licensed Copyright © 2016-2020 http://www.3dportal.cn/ All Rights Reserved 京 ICP备13008828号

小黑屋|手机版|Archiver|三维网 ( 京ICP备2023026364号-1 )

快速回复 返回顶部 返回列表