QQ登录

只需一步,快速开始

登录 | 注册 | 找回密码

三维网

 找回密码
 注册

QQ登录

只需一步,快速开始

展开

通知     

全站
1天前
查看: 1250|回复: 0
收起左侧

[讨论] Sw和CAD绘制工程图的时效性和结果正确的PK?

[复制链接]
发表于 2012-4-22 11:21:20 | 显示全部楼层 |阅读模式 来自: 中国甘肃兰州

马上注册,结识高手,享用更多资源,轻松玩转三维网社区。

您需要 登录 才可以下载或查看,没有帐号?注册

x
使用AutoCAD多年,绘图的时效性和正确性都不能得到有效的提高。  t7 o1 L' _6 C. n
AutoCAD+Excel工作法→需要用Excel进行数据计算,AutoCAD则根据Excel的数据结果进行绘图。! q: u+ M; l0 B
AutoCAD+Excel绘图工序=Excel计算工序+AutoCad绘图工序。
6 h" Y& E2 ]+ e6 e- \3 B校核绘图尺寸的正确性工作量比较大。2 x! J$ U. W$ k& X( w2 ?( \9 ~& O4 s
# }( I7 m4 s( x2 Y
Solidworks提高绘图的时效性和正确性取决对工程图+零件+装配体模板应用。
5 t& S- K4 J- N熟练灵活使用工程图+零件+装配体模板→专心致志保证尺寸的正确性,繁琐的计算结果交由Solidworks完成。; Q; @9 y6 R8 M8 u' d  v$ z
! F1 L9 L3 Z# a5 M3 _$ @/ U' l: ^( `
请问高手是否赞同这个观点。* M2 L& [# P' l6 u0 _, w2 R
-----------------------------------2 l% t& n: W( g" e3 C

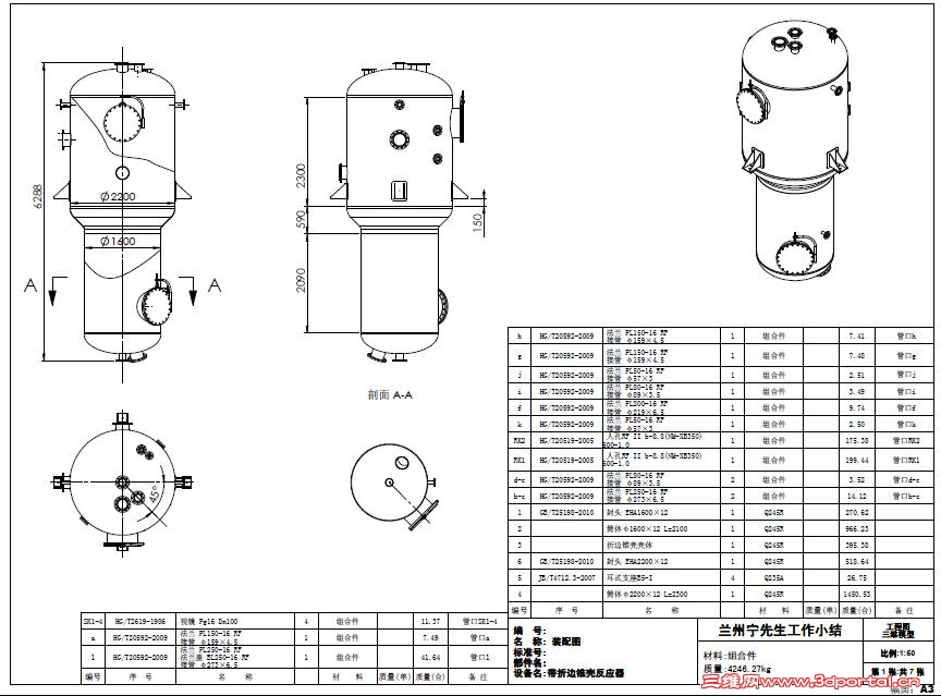
! \7 h0 H9 [5 `" l+ r 0.jpg * Q3 [0 z4 V+ d5 G2 [8 e

. A( V8 U. b. i# D9 B0 E$ e 1.jpg
发表回复
您需要登录后才可以回帖 登录 | 注册

本版积分规则


Licensed Copyright © 2016-2020 http://www.3dportal.cn/ All Rights Reserved 京 ICP备13008828号

小黑屋|手机版|Archiver|三维网 ( 京ICP备2023026364号-1 )

快速回复 返回顶部 返回列表