QQ登录

只需一步,快速开始

登录 | 注册 | 找回密码

三维网

 找回密码
 注册

QQ登录

只需一步,快速开始

展开

通知     

查看: 3596|回复: 7
收起左侧

[求助] 电压型漏电保护器电路图

[复制链接]
发表于 2012-4-29 14:32:18 | 显示全部楼层 |阅读模式 来自: 中国浙江丽水

马上注册,结识高手,享用更多资源,轻松玩转三维网社区。

您需要 登录 才可以下载或查看,没有帐号?注册

x
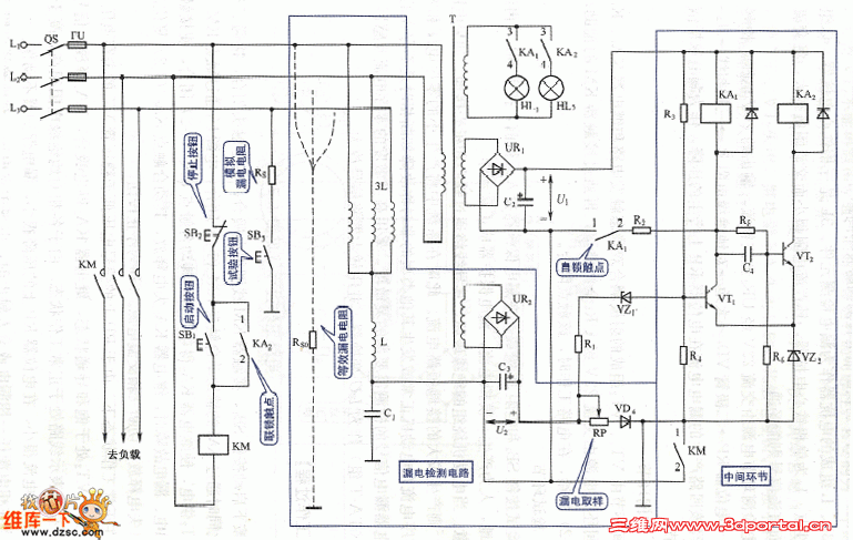
目前电压型漏电保护器用的不多,主要是用电型漏电保护器,因为电压型是对整个三相系统进行保护而不能分级保护。现在我有一三相电源供电的实验工作台,想用电压型漏电保护器进行保护,无奈网上资料很少,只找到这么一张图,但没有工作原理和元件参数,请行家帮助解读一下工作原理和元件参数,或提供其它的电路图,谢谢!
电压型漏电保护电路图如图所示.gif
发表于 2012-5-2 14:49:49 | 显示全部楼层 来自: 中国上海
这个图不对吧,怎么连接地都没有呢?一般而言电压型漏电保护装置都是以设备外壳对地电压为动作信号的。
 楼主| 发表于 2012-5-3 10:13:08 | 显示全部楼层 来自: 中国浙江丽水
谢谢!是呀,我也是这么想的,可是找到这张图后,它写的是电压漏电保护,所以我就纳闷了,上来请教大家一下。4 W& m7 M. `0 p  X. E4 W0 e
按我想的:应该设备外壳对地电压24V(或更低)则驱动接触器跳断原理,那就做一个稳定电压24V,然后做一个比较器,比较外壳电压高于24V则驱动接触器跳断,这样可以吗?
发表于 2012-5-24 21:43:00 | 显示全部楼层 来自: 中国浙江杭州
一般而言电压型漏电保护装置都是以设备外壳对地电压为动作信号的。
发表于 2012-5-25 08:41:31 | 显示全部楼层 来自: 中国广东江门
楼主,你在网上找找看,这方面的资料有很多的。
发表于 2012-5-25 13:37:16 | 显示全部楼层 来自: 中国吉林长春
图纸不完整,一般设备是负载(电机)和电箱外壳对地。
发表于 2012-12-19 09:47:21 | 显示全部楼层 来自: 中国甘肃平凉
无法实现漏电保护,缺少对地端动作的信号
发表于 2013-1-5 14:40:33 | 显示全部楼层 来自: 中国安徽淮南
是一个非常完整的电压型漏电保护装置,u2+——地——等效漏电电阻——电源线——电抗线圈——u2-,如有漏地RP取样点电位变化驱动KA1,KA2,KA2断KM
发表回复
您需要登录后才可以回帖 登录 | 注册

本版积分规则


Licensed Copyright © 2016-2020 http://www.3dportal.cn/ All Rights Reserved 京 ICP备13008828号

小黑屋|手机版|Archiver|三维网 ( 京ICP备2023026364号-1 )

快速回复 返回顶部 返回列表