QQ登录

只需一步,快速开始

登录 | 注册 | 找回密码

三维网

 找回密码
 注册

QQ登录

只需一步,快速开始

展开

通知     

查看: 1467|回复: 9
收起左侧

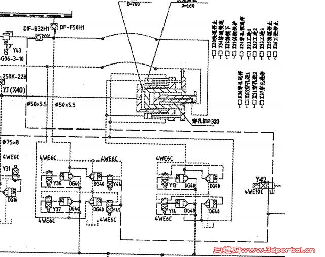
[求助] 穿孔机后退的原因

[复制链接]
发表于 2012-5-29 23:06:07 | 显示全部楼层 |阅读模式 来自: 中国江苏苏州

马上注册,结识高手,享用更多资源,轻松玩转三维网社区。

您需要 登录 才可以下载或查看,没有帐号?注册

x
现在是双动挤压机原理图上穿孔机到达工位后还要后退一段,在向前,是由二通插装阀控制的,这是什么原因呢?插装阀控制的系统第一次接触,请大家指教
发表于 2012-5-30 08:40:13 | 显示全部楼层 来自: 中国江苏南通
这个要上原理图才能分析
 楼主| 发表于 2012-5-30 10:40:21 | 显示全部楼层 来自: 中国江苏苏州
发表于 2012-5-30 12:13:11 | 显示全部楼层 来自: 中国江苏泰州
这个是挤压工艺要求的,穿孔后 如果不后退,挤压杆前推的时候,会拉伤穿孔针的,不是液压要求这么做的
发表于 2012-5-30 12:13:48 | 显示全部楼层 来自: 中国江苏泰州
这个要多看资料的,理论实践相结合
 楼主| 发表于 2012-5-31 11:52:30 | 显示全部楼层 来自: 中国江苏苏州
我第一次没写清楚,是当穿孔到位后,挤压过程中,主缸前进,而穿孔缸后退
发表于 2012-5-31 16:44:58 | 显示全部楼层 来自: 中国江苏泰州
那后退的速度和前进的速度你计算过吗 挤压针始终伸出挤压模具一段距离吗: y  m3 V# d6 D
如果是系统的问题 比如穿孔缸关闭后 挤压针自动后退吗,这个情况几乎是不可能发生
 楼主| 发表于 2012-6-1 09:29:42 | 显示全部楼层 来自: 中国江苏苏州
挤压针会跟着主缸的前进后退一点
发表于 2012-6-3 09:58:52 | 显示全部楼层 来自: 中国江苏泰州
我仔细看了下 挤压针后退是必须的,但是你说挤压针随主缸前进后退一点,这个一点,你计算过时挤压针正好在模具外一点了
# Y0 g/ k% O* C# f) }/ h5 P挤压针有随动针 和固定针 两种方式
5 D; A9 j9 H0 b如果是固定针 那就要是主缸前进是他后退
 楼主| 发表于 2012-6-4 10:04:59 | 显示全部楼层 来自: 中国江苏苏州
具体从哪找原因啊
发表回复
您需要登录后才可以回帖 登录 | 注册

本版积分规则


Licensed Copyright © 2016-2020 http://www.3dportal.cn/ All Rights Reserved 京 ICP备13008828号

小黑屋|手机版|Archiver|三维网 ( 京ICP备2023026364号-1 )

快速回复 返回顶部 返回列表