QQ登录

只需一步,快速开始

登录 | 注册 | 找回密码

三维网

 找回密码
 注册

QQ登录

只需一步,快速开始

展开

通知     

查看: 1962|回复: 5
收起左侧

[求助] 求高人帮忙给做下加工工艺

[复制链接]
发表于 2012-6-11 16:55:10 | 显示全部楼层 |阅读模式 来自: 中国河北石家庄

马上注册,结识高手,享用更多资源,轻松玩转三维网社区。

您需要 登录 才可以下载或查看,没有帐号?注册

x
本帖最后由 wang801216 于 2012-6-11 16:58 编辑 9 ^; C$ u; I$ s( l% s5 Y4 p4 A

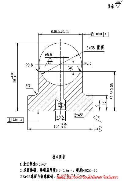
% J2 x2 y" e$ N) `; K求高人帮忙给做下加工工艺,万分感谢,图纸见下面附图(材质为20CrMnTi)
& W! i9 v; F0 F, M$ s- w 球座.pdf (36.65 KB, 下载次数: 7)
发表于 2012-6-11 17:19:56 | 显示全部楼层 来自: 中国山西太原
1  车外圆、用样板刀车内球面,钻孔。" D$ {1 y! S) ]7 v% [6 B  d* I  \
2  调头,以φ54外圆为基准找正,车底面、钻铰φ8.5孔并倒角。
. h. o/ p3 e9 Y" K6 G' j4 B1 G6 \3  热处理渗碳。
8 z  u$ z5 R, ]: p5 W* v6 C* z4  磨球面,并用钢球配研,达到技术要求。
球座.jpg

评分

参与人数 1三维币 +2 收起 理由
asdolmlm + 2

查看全部评分

发表于 2012-6-11 19:16:07 | 显示全部楼层 来自: 中国广东汕头
本帖最后由 tangcarlos3d 于 2012-6-11 20:57 编辑
% P3 f$ \9 O! ]: {
0 H8 v" _+ l# ^8 Z* Q补充一句:渗炭后要高频淬火。如需要还要低温回火来保证最后表面硬度。
发表于 2012-6-11 21:49:12 | 显示全部楼层 来自: 中国江西九江
可以使用数控车加工球面
 楼主| 发表于 2012-6-11 22:23:34 | 显示全部楼层 来自: 中国河北石家庄
2# gaoyns
! |4 S7 U) X6 m  w球面渗碳+淬火后,其球面肯定要变形,再用球刀修磨球面还能保证精度么?
发表于 2012-6-15 09:11:24 | 显示全部楼层 来自: 中国辽宁盘锦
2# gaoyns  
. f6 _8 `! p0 d, }; a9 r$ r# y球面渗碳+淬火后,其球面肯定要变形,再用球刀修磨球面还能保证精度么?
4 g2 v! A. l/ L1 Q7 \& ?wang801216 发表于 2012-6-11 22:23 http://www.3dportal.cn/discuz/images/common/back.gif
哪里看得出是用球刀修呢?
发表回复
您需要登录后才可以回帖 登录 | 注册

本版积分规则


Licensed Copyright © 2016-2020 http://www.3dportal.cn/ All Rights Reserved 京 ICP备13008828号

小黑屋|手机版|Archiver|三维网 ( 京ICP备2023026364号-1 )

快速回复 返回顶部 返回列表