QQ登录

只需一步,快速开始

登录 | 注册 | 找回密码

三维网

 找回密码
 注册

QQ登录

只需一步,快速开始

展开

通知     

查看: 1530|回复: 3
收起左侧

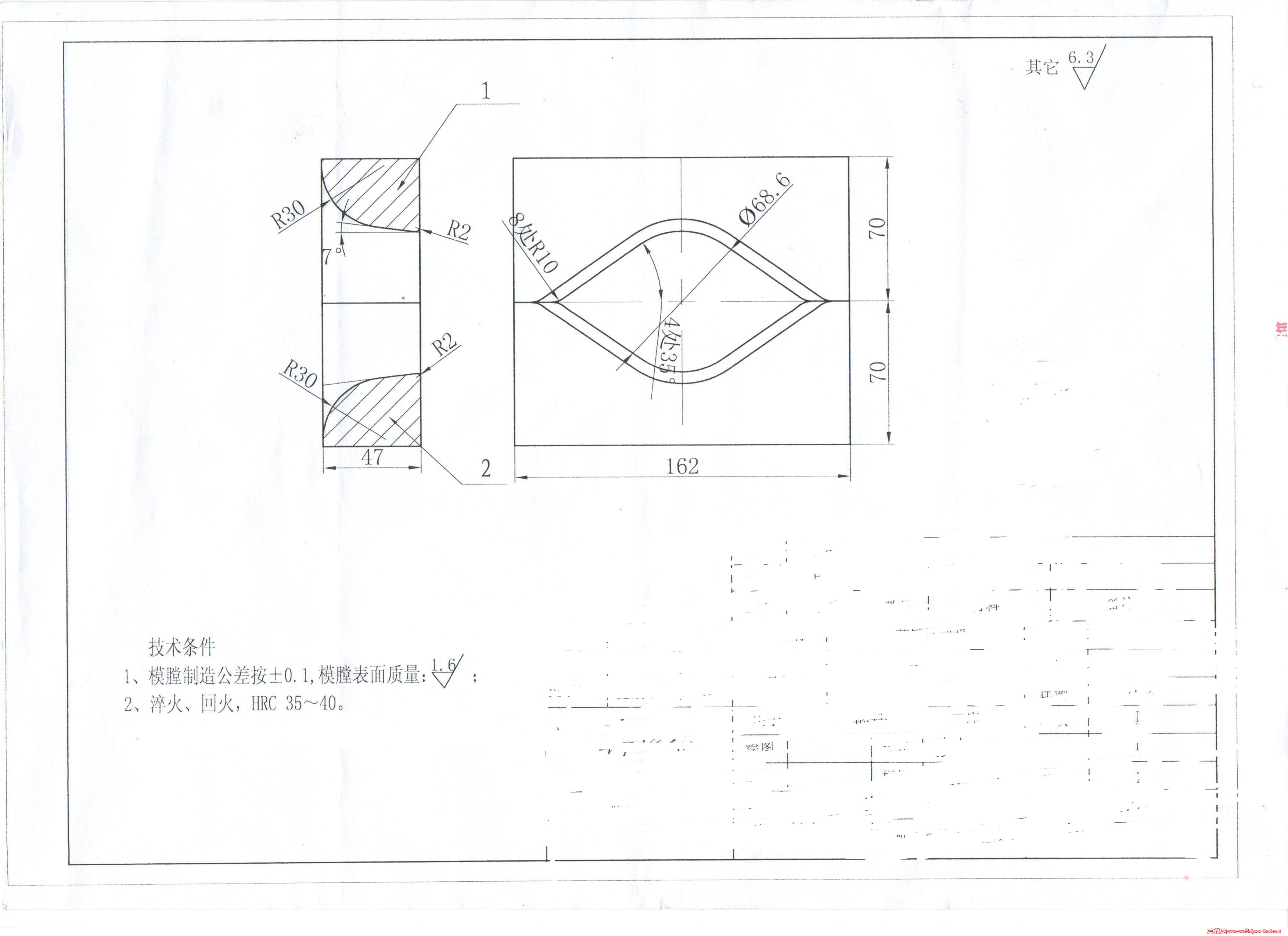
[求助] 哪位高手帮忙做下图NX

[复制链接]
发表于 2012-6-12 21:20:55 | 显示全部楼层 |阅读模式 来自: 中国黑龙江哈尔滨

马上注册,结识高手,享用更多资源,轻松玩转三维网社区。

您需要 登录 才可以下载或查看,没有帐号?注册

x
帮个忙吧,我自己搞不定
9.jpg
发表于 2012-6-13 07:30:46 | 显示全部楼层 来自: 中国山东济南
1# dabaibaidi , z' B. n$ C  e# a$ q. M
图不复杂,但是R30交代的并不是很清楚,如果没其他限制,图纸轮廓似有问题,如图:
1.JPG
2.JPG
 楼主| 发表于 2012-6-13 08:01:39 | 显示全部楼层 来自: 中国黑龙江哈尔滨
2# WHC44 ! u* ?1 c3 h# `" R# o3 y# Q( U
我做出来也是这样的,和图纸不一样啊,回去和设计沟通一下,谢谢啊
发表于 2012-10-3 16:23:01 | 显示全部楼层 来自: 中国广东珠海
可能他在cad中改了一些东西。
发表回复
您需要登录后才可以回帖 登录 | 注册

本版积分规则


Licensed Copyright © 2016-2020 http://www.3dportal.cn/ All Rights Reserved 京 ICP备13008828号

小黑屋|手机版|Archiver|三维网 ( 京ICP备2023026364号-1 )

快速回复 返回顶部 返回列表