QQ登录

只需一步,快速开始

登录 | 注册 | 找回密码

三维网

 找回密码
 注册

QQ登录

只需一步,快速开始

展开

通知     

全站
2小时前
查看: 2717|回复: 18
收起左侧

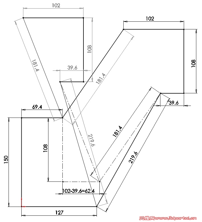
[讨论] 按此尺寸怎样画出此图形?用CAD画。

[复制链接]
发表于 2012-6-17 11:06:12 | 显示全部楼层 |阅读模式 来自: 中国江苏苏州

马上注册,结识高手,享用更多资源,轻松玩转三维网社区。

您需要 登录 才可以下载或查看,没有帐号?注册

x
本帖最后由 zxchenjian163 于 2012-6-17 17:12 编辑 7 q3 V0 p3 S. p
$ N5 |) ^+ O/ I3 f. r
捕获.JPG 如图,按计算或做辅助线怎样画出此图?
发表于 2012-6-17 12:15:05 | 显示全部楼层 来自: 中国河北沧州
你希望做什么?
% V0 Q' p' h) g如果只是画草图,那么根据计算的点连上直线就是了。
, \7 `" p) P% P' b/ ]; h0 }不让用约束是什么意思?
5 i4 x* `' @# @1 w% H. E7 Z  M有时间你画着玩可以,如果考验大家的计算能力那就算了吧,没什么兴趣。
发表于 2012-6-17 16:41:18 | 显示全部楼层 来自: 中国吉林长春
这没什么难度
发表于 2012-6-17 16:54:46 | 显示全部楼层 来自: 中国黑龙江哈尔滨
这种标注方法就是不对了。除了定形尺寸外还必须有定位尺寸。上图就是缺少定位尺寸,这样的零件不论是画图还是加工都相当麻烦,标注不合理。
 楼主| 发表于 2012-6-17 17:29:19 | 显示全部楼层 来自: 中国江苏苏州
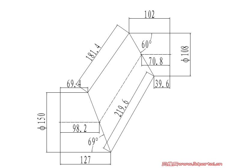
终于明白了,有两种结果,
QQ截图20120617172855.jpg
发表于 2012-6-17 18:44:11 | 显示全部楼层 来自: 日本
你应该到cad去!去吧
发表于 2012-6-17 18:57:08 | 显示全部楼层 来自: 中国江苏无锡
本帖最后由 KCKK 于 2012-6-17 19:02 编辑
% U3 ^0 K+ ]0 \: S7 Q/ m) Z
: s7 n+ w& r3 f+ V$ t! K% E% g楼主晚饭吃好了吗?撑不撑啊...........
6 i# ]' c* `" i, m" y9 V: ~9 N你走错门户了吧?
1 {+ Q7 C6 @# [2 o8 ]' ~2 [. N这样的图纸有用吗?图纸是为生产用的!
5 n$ E1 f$ i, \3 d0 E2 v: [9 j' R1 A' y
按此尺寸怎样画出此图形?用CAD画。.png
头像被屏蔽
发表于 2012-6-17 19:31:12 | 显示全部楼层 来自: 中国浙江宁波
提示: 作者被禁止或删除 内容自动屏蔽
发表于 2012-6-18 10:43:48 | 显示全部楼层 来自: 中国辽宁盘锦
没有角度约束,很可能就出现5#多解得现象
发表于 2012-6-18 11:41:34 | 显示全部楼层 来自: 中国江苏南京
这样的图纸是不能出的,出了之后要被生产部门骂死的~~~~
发表于 2012-6-18 13:23:49 | 显示全部楼层 来自: 中国上海
终于明白了,有两种结果,
6 g0 S4 C4 F  [% d! gzxchenjian163 发表于 2012-6-17 17:29 http://www.3dportal.cn/discuz/images/common/back.gif
: |! e  R' S: _* f3 O( K
% }2 V) \! e# m" S# W* }# V
你“终于明白了”,我终于糊涂了,你图中的两个白色的圆在CAD中是如何得到的?也许你把关键步骤藏起来了。
- J, |8 \8 A' |( v! {3 S
0 p7 p4 x: u: f7 J2 \2 E+ v0 A$ J3 B你说有两种形状是正确的,其实做图也很简单,见下图(为了图形清晰,圆弧就不画了,地球人都知道此交点如何得到):
作图.jpg
发表于 2012-6-18 13:30:34 | 显示全部楼层 来自: 中国安徽蚌埠
2057006如图,按计算或做辅助线怎样画出此图?
' C4 ]0 d+ ]; ?  q/ czxchenjian163 发表于 2012-6-17 11:06 http://www.3dportal.cn/discuz/images/common/back.gif

; W. k& Y) ]& @9 q8 w1 Y3 P你这个图和一个网名叫“忧愁岁月”的图相同,你两是认识还是同一个人啊??????……
6 ^, L+ q6 \8 b/ [2 ?  j“忧愁岁月”发的贴链接:  {* c1 F% k# _7 I" ~
http://www.3dportal.cn/discuz/viewthread.php?tid=1156342&extra=page%3D1
1.jpg
发表于 2012-6-18 15:32:36 | 显示全部楼层 来自: 中国江苏南京
12# wwwzzzvvv 这位大侠好神勇啊,这个竟然被你发现了,侦查能力很强啊
发表于 2012-6-18 16:00:12 | 显示全部楼层 来自: 中国上海
这图拿去加工,直接被骂死。
发表于 2012-6-18 16:00:21 | 显示全部楼层 来自: 中国江苏常州
根本就是一个人嘛,?
0 g% d8 \1 @( p# V- X4 p$ a换了马甲而已!看一下登陆的ip地址就知道了。
发表于 2012-6-18 16:06:37 | 显示全部楼层 来自: 中国安徽蚌埠
根本就是一个人嘛,?
1 n$ f0 M8 c* d) }: x0 t6 F换了马甲而已!看一下登陆的ip地址就知道了。
! u) d7 m4 g' F% L: d7 x, Psmartlz 发表于 2012-6-18 16:00 http://www.3dportal.cn/discuz/images/common/back.gif

2 {* m0 F7 o2 s2 M! V1 y. U6 eO(∩_∩)O~看来喜欢换马甲的人不少啊O(∩_∩)O哈哈~……
 楼主| 发表于 2012-6-18 18:58:47 | 显示全部楼层 来自: 中国江苏苏州
16# wwwzzzvvv 晕了,我是看了他的图觉得有些问题,才发来让大家看看,没想到闹了这么多名堂出来。
发表于 2012-6-18 21:23:18 | 显示全部楼层 来自: 日本
大家也太多心了吧?
( l2 C4 R9 o; O: b4 p/ U, ?  @, N0 b( h7 F3 z
要是楼主真是那样的话,那他也就太无聊了,不会自己发问,自己解答的吧?
6 U' W6 Z/ [& Z5 T, R' n7 u
# X1 a4 G( I( p4 i3 \3 T 捕获.JPG
发表于 2012-7-24 10:54:15 | 显示全部楼层 来自: 中国江苏无锡
可能是几何没学好
发表回复
您需要登录后才可以回帖 登录 | 注册

本版积分规则


Licensed Copyright © 2016-2020 http://www.3dportal.cn/ All Rights Reserved 京 ICP备13008828号

小黑屋|手机版|Archiver|三维网 ( 京ICP备2023026364号-1 )

快速回复 返回顶部 返回列表