QQ登录

只需一步,快速开始

登录 | 注册 | 找回密码

三维网

 找回密码
 注册

QQ登录

只需一步,快速开始

展开

通知     

查看: 1630|回复: 2
收起左侧

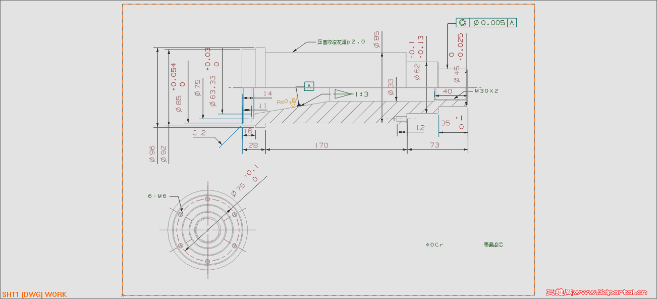
[求助] 求助此工件的磨床工艺

[复制链接]
发表于 2012-6-27 16:14:28 | 显示全部楼层 |阅读模式 来自: 中国江苏苏州

马上注册,结识高手,享用更多资源,轻松玩转三维网社区。

您需要 登录 才可以下载或查看,没有帐号?注册

x
[localimg=1069,528]1[/localimg]
xinzhou.png
发表于 2012-6-27 17:27:31 | 显示全部楼层 来自: 中国广东珠海
图纸放大点
发表于 2012-6-27 20:12:21 | 显示全部楼层 来自: 中国湖南岳阳
1.内圆磨,夹外径,校正,精磨止口φ85(+0.054/0),
* v  T& V4 I1 @) G9 }/ W% V0 l   调整角度,精磨1:3内锥面,接触率≥85%,控制口部尺寸φ63.33(+0.033/0)。1 H* G' v- Q' [1 o% W
2.外圆磨,上锥度心轴,两端顶起,精磨外圆各部分至尺寸,并靠磨端面。

评分

参与人数 1三维币 +2 收起 理由
asdolmlm + 2

查看全部评分

发表回复
您需要登录后才可以回帖 登录 | 注册

本版积分规则


Licensed Copyright © 2016-2020 http://www.3dportal.cn/ All Rights Reserved 京 ICP备13008828号

小黑屋|手机版|Archiver|三维网 ( 京ICP备2023026364号-1 )

快速回复 返回顶部 返回列表