QQ登录

只需一步,快速开始

登录 | 注册 | 找回密码

三维网

 找回密码
 注册

QQ登录

只需一步,快速开始

展开

通知     

全站
10天前
查看: 1482|回复: 8
收起左侧

[讨论] 手动液压锁

[复制链接]
发表于 2012-7-6 12:59:35 | 显示全部楼层 |阅读模式 来自: 中国江苏常州

马上注册,结识高手,享用更多资源,轻松玩转三维网社区。

您需要 登录 才可以下载或查看,没有帐号?注册

x
还有手动液压锁一说?求指教
 楼主| 发表于 2012-7-6 15:24:55 | 显示全部楼层 来自: 中国江苏常州
我汗,是不是我提的太弱智了,不屑一顾?
发表于 2012-7-10 10:29:13 | 显示全部楼层 来自: 中国江苏南通
没遇见过啊
$ f% O& y: k% p( w5 `! u; o! ]3 J5 N; x* y; w9 @% G/ T* t1 G" I  J9 g
上个图看看
 楼主| 发表于 2012-7-10 11:52:44 | 显示全部楼层 来自: 中国江苏常州
自流井 发表于 2012-7-10 10:29 static/image/common/back.gif/ ]& x' e# }3 x7 p2 V) L1 m
没遇见过啊' N. g6 |1 h# n5 B; ?4 O2 Z9 j
2 r0 X3 s* b9 I# F# @
上个图看看

, d& v/ E! b/ f) d; }我也是听到的,没有图,呵呵
发表于 2012-7-13 20:57:31 | 显示全部楼层 来自: 中国安徽马鞍山
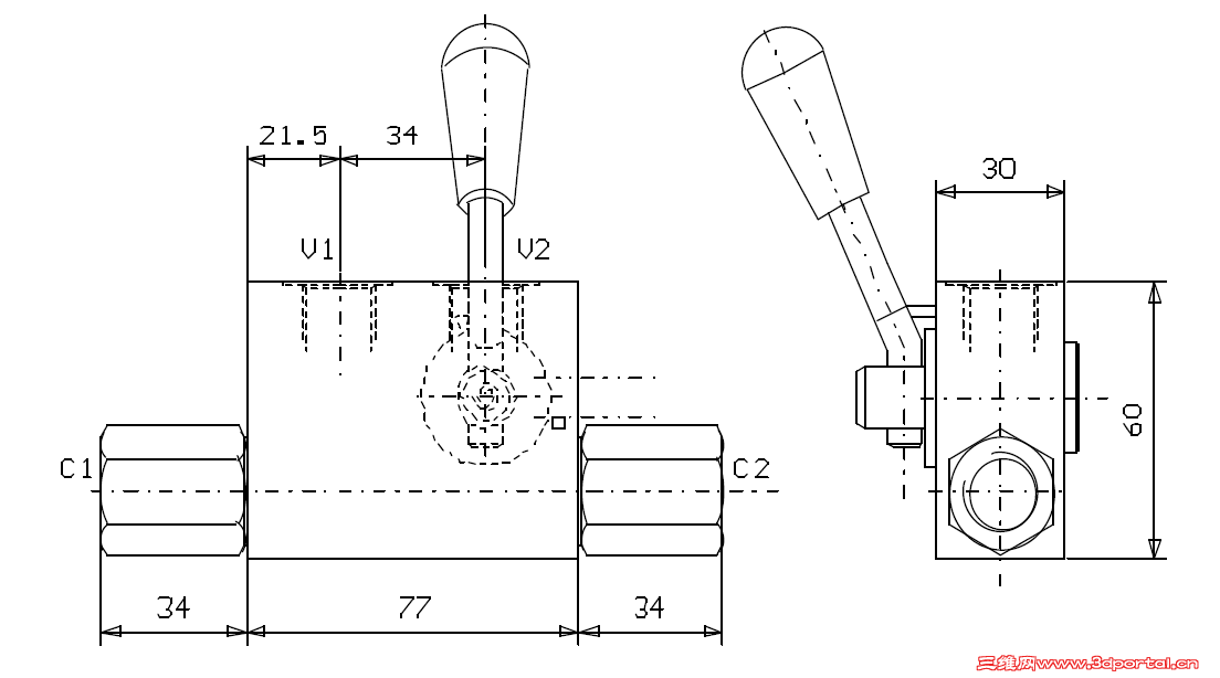
液压锁加截止阀
2.png
1.png

评分

参与人数 1三维币 +2 收起 理由
9619 + 2 技术讨论

查看全部评分

 楼主| 发表于 2012-7-16 11:24:15 | 显示全部楼层 来自: 中国江苏常州
weibangzhou 发表于 2012-7-13 20:57 static/image/common/back.gif6 Z" c4 @6 [' Y4 z4 E- ?6 _
液压锁加截止阀

& Y7 N! o. T% m# Y5 K谢谢你的发图。对于图中我有两个问题:1特性曲线中的C-V曲线是什么意思?C口流向V口又流不通。4 }5 G) D5 v7 a8 G! z+ }8 e
2.开启压力(Apertura)怎么有两个啊,表示什么意思呢?  不吝赐教,谢谢!
发表于 2012-7-19 17:37:18 | 显示全部楼层 来自: 中国北京
有我说个例子:挖掘机上一般有一条辅助油管,不用时是关闭的,用时可以手动用一般的扳手掰开

评分

参与人数 1三维币 +2 收起 理由
9619 + 2 技术讨论

查看全部评分

发表于 2012-7-20 16:02:28 | 显示全部楼层 来自: 中国黑龙江双鸭山
长见识了,就是一个截止阀吗?
发表于 2012-7-29 20:44:22 | 显示全部楼层 来自: 中国上海
这种阀很常见,用在工程机械上。
5 `8 }1 }" V. W% ~2 B8 f我们就有做这种阀,若有需要请联络:pjfei_1@163.com
发表回复
您需要登录后才可以回帖 登录 | 注册

本版积分规则


Licensed Copyright © 2016-2020 http://www.3dportal.cn/ All Rights Reserved 京 ICP备13008828号

小黑屋|手机版|Archiver|三维网 ( 京ICP备2023026364号-1 )

快速回复 返回顶部 返回列表