QQ登录

只需一步,快速开始

登录 | 注册 | 找回密码

三维网

 找回密码
 注册

QQ登录

只需一步,快速开始

展开

通知     

查看: 1664|回复: 4
收起左侧

[求助] 平衡阀先导压力偏高

[复制链接]
发表于 2012-7-17 16:12:55 | 显示全部楼层 |阅读模式 来自: 中国北京

马上注册,结识高手,享用更多资源,轻松玩转三维网社区。

您需要 登录 才可以下载或查看,没有帐号?注册

x
本帖最后由 henchend 于 2012-7-17 16:38 编辑 6 b- Q, p' {8 @7 H- s2 T
! P2 ]3 {/ R1 y
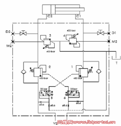
诸位大侠:这是平衡阀原理,当我供油500bar的时候,测量先导压力的时候比正常偏高30bar,本身平衡阀的压力设定值时450bar,不知道是为什么先导压力有的偏高而且有的偏低?是不是顺序阀的调节压力过高,但是顺序阀的调节压力是有要求在450bar,而且有咯噔咯噔的噪音出现。
[2K1BLJW[N9$(3)1F1HHOGF.jpg
 楼主| 发表于 2012-7-18 10:15:51 | 显示全部楼层 来自: 中国北京
这个问题很难还是简单呀  没人帮我呀 愁死我啦
发表于 2012-7-18 15:52:09 | 显示全部楼层 来自: 中国上海
你加工的阀块阀孔在拧紧阀的时候感觉紧吗?
 楼主| 发表于 2012-7-19 11:17:54 | 显示全部楼层 来自: 中国北京
skipmisty 发表于 2012-7-18 15:52 static/image/common/back.gif% `5 V! R3 K* ?1 W1 t* V/ n
你加工的阀块阀孔在拧紧阀的时候感觉紧吗?
7 i1 i, G+ ?' R3 s
一点都不紧,我实验了一批的阀,几乎全部是这样偏大,有个别是是小点,而且都有噪音,真是搞不懂哪里出了问题了,如果装在车车上的话有可能油缸回震动,这样泵车的笔架就很不稳定了,很担心这个问题
发表于 2012-7-20 16:24:03 | 显示全部楼层 来自: 中国上海
henchend 发表于 2012-7-19 11:17 static/image/common/back.gif) Z: j9 M3 f& ?
一点都不紧,我实验了一批的阀,几乎全部是这样偏大,有个别是是小点,而且都有噪音,真是搞不懂哪里出了 ...

" L+ ]3 n' g) [! z我 有试验过一些平衡阀,由于平衡阀阀孔加工不好造成平衡阀装上后,试验其开启压力发现开启压力会有波动,而且先导开启也会受到影响会有不准的现象,一般我们都是处理阀孔,若不是阀孔问题,可能是 油液脏了或者阀孔未处理干净,孔内有细小铁屑;当然也不排除插装阀本身批次有质量问题,阀芯我们也处理过,对于好拆装的阀芯我们会进行研磨……
发表回复
您需要登录后才可以回帖 登录 | 注册

本版积分规则


Licensed Copyright © 2016-2020 http://www.3dportal.cn/ All Rights Reserved 京 ICP备13008828号

小黑屋|手机版|Archiver|三维网 ( 京ICP备2023026364号-1 )

快速回复 返回顶部 返回列表