QQ登录

只需一步,快速开始

登录 | 注册 | 找回密码

三维网

 找回密码
 注册

QQ登录

只需一步,快速开始

展开

通知     

查看: 1854|回复: 4
收起左侧

[求助] 谁有液性塑料涨紧滚齿(剃齿)夹具

[复制链接]
发表于 2012-7-26 15:10:24 | 显示全部楼层 |阅读模式 来自: 中国重庆

马上注册,结识高手,享用更多资源,轻松玩转三维网社区。

您需要 登录 才可以下载或查看,没有帐号?注册

x
本人做汽车同步器,同步器齿套内孔公差拉齿后比较大,分组装夹给管理方面造成很大的麻烦,质量往往保证不了,考虑采用液性塑料涨紧方式滚剃,消除间隙带来的影响!!!!但没有相关经验和图纸资料,那位兄弟有实际应用的图纸能传到我邮箱头吗?邮箱:944045887@qq.com,先谢了!!!
 楼主| 发表于 2012-8-8 13:15:12 | 显示全部楼层 来自: 中国重庆
看来这方面的东西还少呢?找不到哟
发表于 2012-8-8 13:46:21 | 显示全部楼层 来自: 中国湖南岳阳
chong20001124 发表于 2012-8-8 13:15 http://www.3dportal.cn/discuz/static/image/common/back.gif8 p4 n8 ^) i. i: v
看来这方面的东西还少呢?找不到哟

% D7 p+ o1 e' x
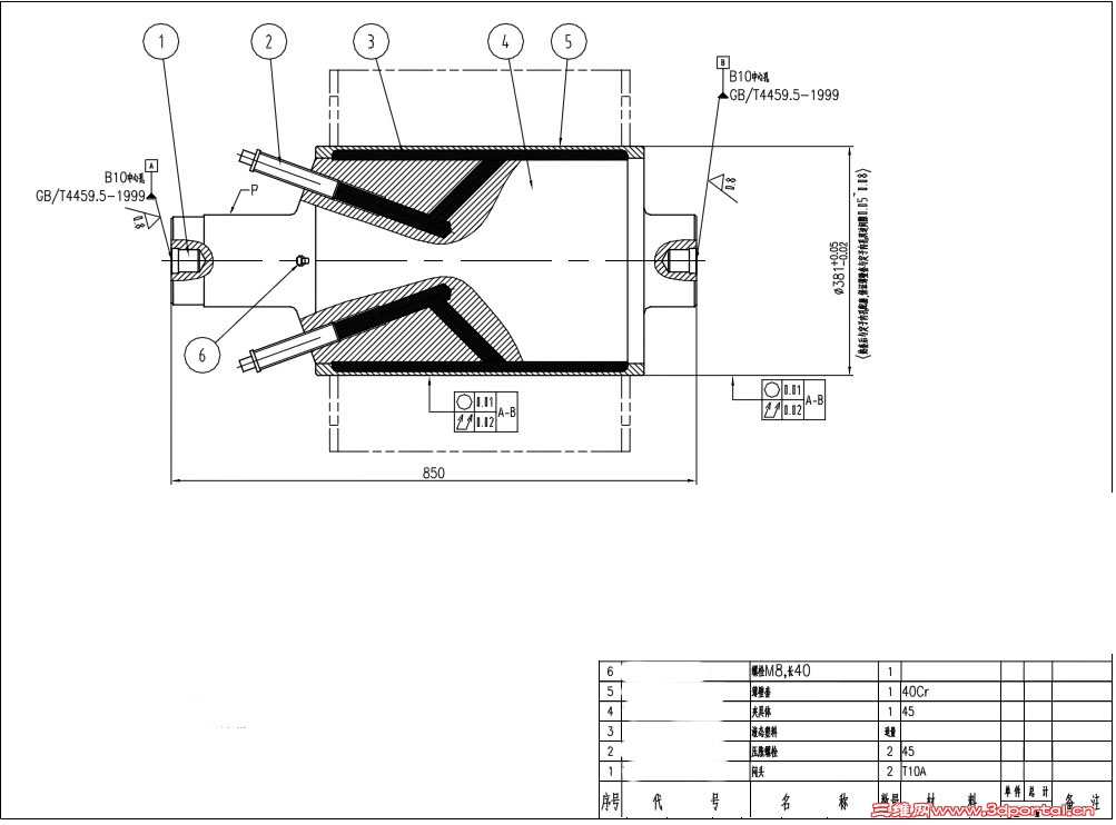
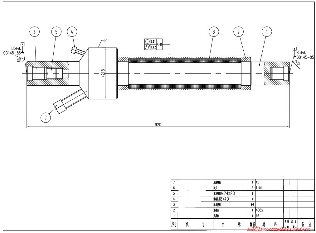
, e$ F: u! f. e手头只有电机定、转子液塑张紧芯轴示意图。
0.jpg
1.jpg
发表于 2012-8-15 22:29:02 | 显示全部楼层 来自: 中国福建福州
液性塑料是买的还是自己弄的 书上倒是有配方
发表于 2012-8-16 13:24:03 | 显示全部楼层 来自: 中国北京
液性塑料可以用锂基滑脂替代,性能差不多
发表回复
您需要登录后才可以回帖 登录 | 注册

本版积分规则


Licensed Copyright © 2016-2020 http://www.3dportal.cn/ All Rights Reserved 京 ICP备13008828号

小黑屋|手机版|Archiver|三维网 ( 京ICP备2023026364号-1 )

快速回复 返回顶部 返回列表