QQ登录

只需一步,快速开始

登录 | 注册 | 找回密码

三维网

 找回密码
 注册

QQ登录

只需一步,快速开始

展开

通知     

全站
8天前
查看: 3021|回复: 10
收起左侧

[求助] 该零件热处理时如何设计工装

[复制链接]
发表于 2012-8-8 21:05:22 | 显示全部楼层 |阅读模式 来自: 中国河南郑州

马上注册,结识高手,享用更多资源,轻松玩转三维网社区。

您需要 登录 才可以下载或查看,没有帐号?注册

x
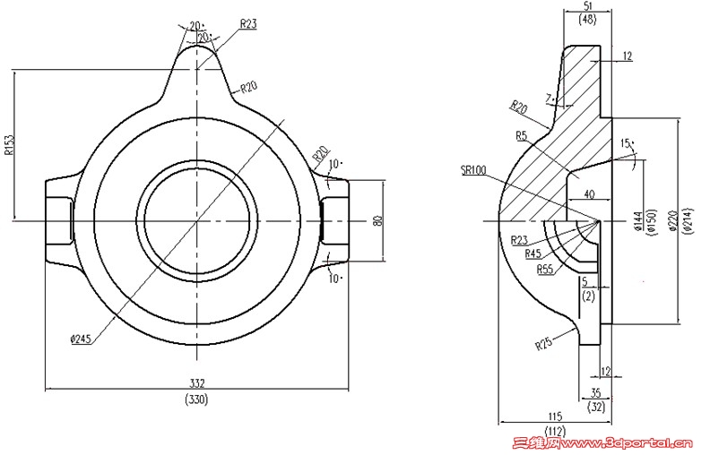
该零件需要对其淬火,加热设备为气炉。出炉时,工人师傅需要将零件一个一个用铁钩钩进一铁框里。这样做效率低,工人师傅也非常热。我也考虑了一下在一块钢板上打几排孔,将零件球面部分放入孔内,出炉时用天车吊起工装将所有零件直接淬火。考虑到钢板在炉中加热到900多度,是否会变软?这种方法可不可行?是否还有更好的办法?请大师们指教!
1.jpg
发表于 2012-8-8 21:51:49 | 显示全部楼层 来自: 中国广东东莞
本帖最后由 tangcarlos3d 于 2012-8-8 21:54 编辑
) P6 k8 i8 s; @/ ~5 A
/ f2 E7 e8 B8 h0 C" T可是可以。1. 由于要加热工装,加热炉的效率降低了。2. 由于加热温度在900以上,所用的钢板寿命有限。3. 用钢板托住工件,工件在钢板下面的部分不易加热到淬火温度,容易造成硬度不均匀。; U: W8 c9 @' }$ ^
建议咏方形孔、不用圆孔定工件。

评分

参与人数 1三维币 +2 收起 理由
asdolmlm + 2

查看全部评分

 楼主| 发表于 2012-8-8 21:56:35 | 显示全部楼层 来自: 中国河南郑州
tangcarlos3d 发表于 2012-8-8 21:51 static/image/common/back.gif2 q3 d* g+ S7 K/ n8 u
可是可以。1. 由于要加热工装,加热炉的效率降低了。2. 由于加热温度在900以上,所用的钢板寿命有限。3. 用 ...

9 B. `& [; {* ], y$ E/ s$ d能否有更好的办法?
发表于 2012-8-8 22:04:37 | 显示全部楼层 来自: 中国广东东莞
我不知道你的加热炉的情况,在这里建议用直径10~14mm的钢筋焊成吊篮。工件摆放时注意点,可多层摆放。篮子变形后还容易校正。
发表于 2012-8-9 00:42:41 | 显示全部楼层 来自: 美国
做个多层的架子吧,推进去,拉出来,干这行的辛苦是免不了的了。
5 K2 }2 [# L3 [& r# G7 K% N  \架子会一定程度上影响热处理的效率和效果,请注意。
发表于 2012-8-9 10:12:14 | 显示全部楼层 来自: 加拿大
有没有耐热的钢丝网,用其做成筐状,应该可以吧。
发表于 2012-8-9 16:18:59 | 显示全部楼层 来自: 中国广东汕头
丝网直径太细,用几次就不行了,用钢筋焊成架子、蓝子都可以。
 楼主| 发表于 2012-8-13 22:32:46 | 显示全部楼层 来自: 中国河南郑州
非常感谢大家!
发表于 2012-9-2 21:36:13 | 显示全部楼层 来自: 中国上海
我是做工装的,你给的图纸不全,是整体淬火还是局部淬火?还是要求工作面淬火其它地方无所谓?表粗度也没有。
5 H- |& Q0 C2 v! {2 V. D( F3 R我理解应该是最后一项,这个工装就用直径5-8的钢筋(可能要耐高温的合金钢)焊接个方网,把工件放上面,只要不漏工件就行,不能用板材,那样加热效率太低了.5 D. I& \2 [! r1 `! R# _+ d
敝人不才,仅供参考。
发表于 2012-12-24 14:05:36 | 显示全部楼层 来自: 中国四川成都
建议采用耐热不锈钢的钢条焊接或找专门做热处理工装的厂家订货(采用耐热不锈钢铸造),这种工装安全且工装使用时间较长,只不过成本较高。
发表于 2012-12-24 14:32:31 | 显示全部楼层 来自: 中国辽宁沈阳
900度了,工装材料选钢的不行吧。+ E7 ~' v* B$ z, C* s. M
工装材料用耐火砖做支架如何
发表回复
您需要登录后才可以回帖 登录 | 注册

本版积分规则


Licensed Copyright © 2016-2020 http://www.3dportal.cn/ All Rights Reserved 京 ICP备13008828号

小黑屋|手机版|Archiver|三维网 ( 京ICP备2023026364号-1 )

快速回复 返回顶部 返回列表