QQ登录

只需一步,快速开始

登录 | 注册 | 找回密码

三维网

 找回密码
 注册

QQ登录

只需一步,快速开始

展开

通知     

全站
6天前
查看: 4578|回复: 11
收起左侧

[已答复] 请教不脱出螺钉的用法?

 关闭 [复制链接]
发表于 2012-8-20 11:30:32 | 显示全部楼层 |阅读模式 来自: 中国北京

马上注册,结识高手,享用更多资源,轻松玩转三维网社区。

您需要 登录 才可以下载或查看,没有帐号?注册

x
请教不脱出螺钉的用法?   怎么样? 最好有个图。。
1 h% P: K, O% Q4 @# r
发表于 2012-8-20 11:53:55 | 显示全部楼层 来自: 中国上海
很简单啊,一般的螺钉拧紧两个零件时,上面一个零件是通孔,在使用不脱出螺钉时,原来是通孔的变成也有螺纹(牙数可以很少),这样当拧松螺钉时螺钉不会自由的从上面的零件上掉下来。

评分

参与人数 1三维币 +3 收起 理由
洪哥 + 3 感谢帮助!

查看全部评分

 楼主| 发表于 2012-8-20 14:24:00 | 显示全部楼层 来自: 中国北京
啊是这样啊,,谢谢999.  很多次都是您帮忙。谢谢。。。
发表于 2013-2-17 11:33:58 | 显示全部楼层 来自: 中国北京
lhf999 发表于 2012-8-20 11:53 static/image/common/back.gif
1 v& z4 p; a- c& ~0 A$ V很简单啊,一般的螺钉拧紧两个零件时,上面一个零件是通孔,在使用不脱出螺钉时,原来是通孔的变成也有螺纹 ...
. b; [4 ^% [5 v! K! z/ Q
我觉得这是一种应用方法,但不应该是全部。6 D" m: Y+ z2 F- A: k9 K8 C
机械设计手册中的说明是:不脱出螺钉:多用于振动较大需不脱出的场合,可在细的螺钉杆处装上防脱零件。

评分

参与人数 1三维币 +3 收起 理由
洪哥 + 3 感谢帮助!

查看全部评分

发表于 2013-2-17 14:24:58 | 显示全部楼层 来自: 中国浙江嘉兴
螺钉?不知道是哪种的螺钉呀?
发表于 2013-2-17 15:53:45 | 显示全部楼层 来自: 中国山西太原
zjjk1m 发表于 2013-2-17 14:24 static/image/common/back.gif
$ o7 \+ e+ B0 B7 |; t螺钉?不知道是哪种的螺钉呀?
1 r9 z  Y6 P8 x- l; M/ |9 y4 O
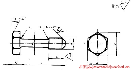
不脱出螺钉国标中有六角头的,还有滚花头的,其结构前面是螺纹,后面是比螺纹小径稍小的光杆(见下图),螺纹拧入第一个有螺纹的连接件后,进入第二个连接件,这时第一个联接件是位于光杆处,是间隙配合。当松开第二个连接件后,由于第一个联接件上有螺纹,所以螺钉掉不下来,因此称不脱出螺钉。
GB838六角头不脱出螺钉.jpg

评分

参与人数 1三维币 +2 收起 理由
asdolmlm + 2

查看全部评分

发表于 2013-2-18 04:55:21 | 显示全部楼层 来自: 加拿大
有些螺钉带有垫片组合在一起的,垫片也一般不会从螺钉上掉下来,主板的一些固定螺钉有这种的,算不算一种应用场合
发表于 2013-2-19 12:32:49 | 显示全部楼层 来自: 中国上海
2楼正解!!
发表于 2013-2-19 12:49:04 | 显示全部楼层 来自: 中国福建厦门
6 楼的解释很不错。
1 B2 K2 N" n0 x! H# I. U0 \我们光伏行业很多外企都用这种
发表于 2013-2-22 10:30:57 | 显示全部楼层 来自: 中国江苏南京
学习了   我开始想的也是2楼那种方法  
发表于 2013-2-22 15:48:38 | 显示全部楼层 来自: 中国江苏苏州
在一些机柜板上也有应用,学习了
发表于 2013-7-9 20:44:47 | 显示全部楼层 来自: 中国广东深圳
根本不用那样做吧,现在市场上用标准的件买,叫松不脱,在钣金件上应用很多。
发表回复
您需要登录后才可以回帖 登录 | 注册

本版积分规则

Licensed Copyright © 2016-2020 http://www.3dportal.cn/ All Rights Reserved 京 ICP备13008828号

小黑屋|手机版|Archiver|三维网 ( 京ICP备2023026364号-1 )

快速回复 返回顶部 返回列表