QQ登录

只需一步,快速开始

登录 | 注册 | 找回密码

三维网

 找回密码
 注册

QQ登录

只需一步,快速开始

展开

通知     

查看: 1815|回复: 8
收起左侧

[讨论] 二通插装阀尺寸的疑惑

[复制链接]
发表于 2012-8-24 12:03:51 | 显示全部楼层 |阅读模式 来自: 中国广东佛山

马上注册,结识高手,享用更多资源,轻松玩转三维网社区。

您需要 登录 才可以下载或查看,没有帐号?注册

x
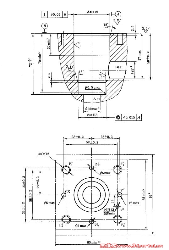
查看过国内算比较知名的二通插装阀生产商样本,都宣称符合DIN24342,ISO7368,GB2877。再结合我公司所用插装阀尺寸,我产生的疑惑,请坛里了解的工程师帮忙解惑、6 V& j6 F) e0 @$ l) b6 z
疑惑请看下图,支持同标准的插件,高度尺寸不同?盖板不同?4 V1 @8 M; u4 y3 h! h
(以25通径插件为例,参考图可以得出,A厂商插件高度为72。B厂商插件高度为61.5。我们公司用的高度是61.5。高度为何不同?)
+ w3 I: w/ X- q, o- m) Q9 T6 A2 E  b3 p# f4 @
A厂商插件和盖板
5 E; d* Y  ~5 x% }" Q' Q! K: z- o) l# N' b1 n
截图00.jpg
! D5 u( p4 S8 D# A/ u; t: i2 ^' q" e7 c
截图01.jpg 1 k: m! r4 {& t5 r; I/ C
6 A: A% h+ v, c( N- E3 N* f6 I) X
8 i5 Y3 E  Z8 o% L
B厂商盖板和安装孔
9 d5 B! h* \; f1 E! Z( a7 g5 @4 d. ]  z2 W  \3 T# G, p' A
截图02.jpg
3 E( a" U: z$ Q* q& s/ ^) M; J1 \) H- \% P$ o
截图03.jpg / S6 H( [' [3 e

9 T. Y2 @+ i0 I7 M4 ~) }. N- r
' M# g: T/ c* n4 c8 D
( o' U$ N( n) f( l1 W  @4 T+ j% y5 H同样标准的插件,如果不同厂商生产的插件都不可互换,那如果坏掉,维修岂不麻烦?
发表于 2012-8-26 17:42:21 | 显示全部楼层 来自: 中国广东深圳
盖板是不同的,A盖板是平板式的,用的端面密封,B是采用盖板径向密封,所有盖板上有个圆台,要压入阀块孔中。使用A型式的,如力士乐,使用B型式的,如vickers。阀块加工相同,就是盖板不同。
 楼主| 发表于 2012-8-30 23:54:08 | 显示全部楼层 来自: 中国广东佛山
whoeric 发表于 2012-8-26 17:42 http://www.3dportal.cn/discuz/static/image/common/back.gif
+ C8 R- F8 Q! h% ^& g0 `盖板是不同的,A盖板是平板式的,用的端面密封,B是采用盖板径向密封,所有盖板上有个圆台,要压入阀块孔中 ...
* |5 ^( X) s! j  R! A; R8 A$ Q
7 E6 x8 S% |, E4 |& c8 p
您能提供一个B形式的厂商样本吗?搜遍全网包括专业论坛、BAIDU、GOOGLE,都只有A形式的样本
发表于 2012-8-31 10:50:56 | 显示全部楼层 来自: 中国浙江杭州
威格士插装阀样本上有的,你上网下载一个
 楼主| 发表于 2012-9-2 15:46:09 | 显示全部楼层 来自: 中国广东佛山
chenqing1120 发表于 2012-8-31 10:50 static/image/common/back.gif9 j7 f7 `6 S2 V1 D$ r8 D
威格士插装阀样本上有的,你上网下载一个
9 I/ w5 u4 z% c1 b7 y! C$ }, _
威格士样本都是特定功能了,没有基本的插件的样本
发表于 2012-9-3 18:00:03 | 显示全部楼层 来自: 中国广东深圳
本帖最后由 whoeric 于 2012-9-3 18:08 编辑 3 l9 S$ g, v& K9 J" d, P2 `" @
superdos 发表于 2012-9-2 15:46 http://www.3dportal.cn/discuz/static/image/common/back.gif3 D) Z3 J0 I( l  H6 m7 Y4 R; f- d
威格士样本都是特定功能了,没有基本的插件的样本
" `% e  D2 E0 R4 i- @1 _

- b+ ^6 H" w( F4 V看图片,原理就是这样,把插装阀低的部分尺寸坐在盖板上,在盖板凸出的部分设计一个O型圈槽,用来密封。其他功能自己设计。都是很简单的。
7 y# v1 c, f. \# T3 u4 O0 j8 z顺便提一句,在实际使用中,为了是盖板能够统一,有时会把B盖板上的凸台单独做为一个零件,压入插装阀孔中,然后再用A型的盖板。有这样做的,提供给你参考使用。
Image00000.jpg
 楼主| 发表于 2012-9-6 20:39:45 | 显示全部楼层 来自: 中国广东佛山
whoeric 发表于 2012-9-3 18:00 http://www.3dportal.cn/discuz/static/image/common/back.gif
7 C, R) A* M8 E看图片,原理就是这样,把插装阀低的部分尺寸坐在盖板上,在盖板凸出的部分设计一个O型圈槽,用来密封。 ...

/ v. Y7 R, j3 o1 H9 Y4 [3 R4 O$ H5 q" H1 X% l# U% X; _1 g6 R4 V+ a
谢谢解答,您的意思是,在设计过程中,不需要单独插件的样本,只要看标准孔的尺寸就可以了,是这样吗
发表于 2012-9-6 22:15:36 | 显示全部楼层 来自: 中国广东深圳
superdos 发表于 2012-9-6 20:39 static/image/common/back.gif
3 [6 c. i  t% f6 B1 r5 d谢谢解答,您的意思是,在设计过程中,不需要单独插件的样本,只要看标准孔的尺寸就可以了,是这样吗

; c7 R- d$ f1 m: `1 ]" _大致是这个意思,插件孔是一样的,主要是盖板,你需要知道盖板凸台的高度,凸台高度是多少要对比插件比孔低了多少来确定,要保证插件被盖板压住,不会在插件孔里窜动。
发表于 2012-9-11 08:49:02 | 显示全部楼层 来自: 中国山东济南
这个盖板和插件都是一一对应的。短插件配带凸台盖板,长插件配平盖板。不带凸台的盖板配了短插件密封都没有。
发表回复
您需要登录后才可以回帖 登录 | 注册

本版积分规则


Licensed Copyright © 2016-2020 http://www.3dportal.cn/ All Rights Reserved 京 ICP备13008828号

小黑屋|手机版|Archiver|三维网 ( 京ICP备2023026364号-1 )

快速回复 返回顶部 返回列表