QQ登录

只需一步,快速开始

登录 | 注册 | 找回密码

三维网

 找回密码
 注册

QQ登录

只需一步,快速开始

展开

通知     

查看: 2292|回复: 20
收起左侧

[求助] 节流调速回路的问题

[复制链接]
发表于 2012-10-7 19:46:21 | 显示全部楼层 |阅读模式 来自: 中国山东东营

马上注册,结识高手,享用更多资源,轻松玩转三维网社区。

您需要 登录 才可以下载或查看,没有帐号?注册

x
本帖最后由 thanks3467 于 2012-10-8 20:27 编辑 , A9 t  M" k3 Y
8 M; V: F6 N" F
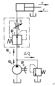
7.png 0 u5 I) Z% k) @7 @
' F1 a; ^9 ^1 c! e
对于定量泵,调速阀和先导式溢流阀组成的进口节流调速回路中,定量泵的排量一定,如果我所调定的调速阀的流量一定且小于定量泵的排量,那么这时定量泵多余的流量是不是会达到先导式溢流阀的压力,打开溢流阀溢流呢?如果是这样的话,如果负载需要5MPA的压力而先导式溢流阀的调定压力是8MPA的话,由于调速阀的影响是不是系统压力也为8MPA呢?注意上图中的溢流阀为先导式溢流阀可不是直动型溢流阀,我画错了
发表于 2012-10-8 10:19:35 | 显示全部楼层 来自: 中国辽宁大连
光从文字来看不是很明确,最好贴个简单原理图
, J: {. w. ], `  z1 u. c4 X6 a不过简单的回路把握以下两点就能分析处来
3 Q4 X9 ], T( g7 C* y1.负载决定压力2 z/ x/ I! u1 I7 E# ?$ Q. @3 }. p
2.溢流阀设定压力即为相关系统工作压力
发表于 2012-10-8 12:53:45 | 显示全部楼层 来自: 中国江苏扬州
负载压力+节流损失压力+其它=系统压力
发表于 2012-10-8 15:53:32 | 显示全部楼层 来自: 中国江苏无锡
1.调速阀设定流量小于泵流量,溢流阀设定8MPA,不管有没有负载,负载多大。泵到调速阀进口这段的压力必定等于8MPA。3 X: y$ Y2 D7 n( o; z. q% D
2.调速阀出口到油缸或马达的压力,等于负载的需要的压力。
% p: J# m$ ~  A0 V( W& }3 o2 _, O8 c+ u* ?
当然以上所有没有把压力损失计算进去。

评分

参与人数 1三维币 +3 收起 理由
9619 + 3 有效应助

查看全部评分

 楼主| 发表于 2012-10-8 20:26:01 | 显示全部楼层 来自: 中国山东东营
如果我把上图中的调速阀换成节流阀在没有负载的情况下,液压泵压力是不是就为零了啊?
发表于 2012-10-8 21:52:06 | 显示全部楼层 来自: 中国四川成都
回楼上,若不考虑节流,负载为零,泵压力当然为零了
7 Z" B7 a' R* v* O! G
 楼主| 发表于 2012-10-8 22:52:00 | 显示全部楼层 来自: 中国山东东营
dirina 发表于 2012-10-8 21:52 static/image/common/back.gif: C/ @4 T7 |  e
回楼上,若不考虑节流,负载为零,泵压力当然为零了

. D: P  j; p! U3 e# I! [5 ?可是前题是我液压泵的流量要大于调速阀的流量啊,多余的流量是不是经溢流阀溢流啊?
 楼主| 发表于 2012-10-8 22:52:43 | 显示全部楼层 来自: 中国山东东营
xuping5114 发表于 2012-10-8 15:53 static/image/common/back.gif0 S2 a4 I& S; |2 B- |
1.调速阀设定流量小于泵流量,溢流阀设定8MPA,不管有没有负载,负载多大。泵到调速阀进口这段的压力必定等 ...

$ L  |  }) R. s# m如果我换成节流阀呢还是一样吗
发表于 2012-10-10 11:17:37 | 显示全部楼层 来自: 中国江苏无锡
本帖最后由 xuping5114 于 2012-10-10 11:22 编辑   n2 S. I* r/ w& O
; Q9 e( C5 l! P9 d# u8 z
换成节流阀就不一定了,取决于节流阀开口的大小。
- q1 D1 r5 ~; i% Z+ t泵的压力=负载压力+压力损失压力(主要是通过节流阀的压差)

评分

参与人数 1三维币 +2 收起 理由
9619 + 2 技术讨论

查看全部评分

 楼主| 发表于 2012-10-10 19:33:53 | 显示全部楼层 来自: 中国山东东营
xuping5114 发表于 2012-10-10 11:17 static/image/common/back.gif' _) \, R+ |$ [" z% B  O4 n6 |
换成节流阀就不一定了,取决于节流阀开口的大小。
: w1 ~2 I; B  n" C. u$ t0 r泵的压力=负载压力+压力损失压力(主要是通过节流阀的压 ...

; u2 {2 {/ P2 G  b" T5 H. u5 R  O还是回到题目吧我说的是调速阀
 楼主| 发表于 2012-10-10 19:34:59 | 显示全部楼层 来自: 中国山东东营
究竟有没有高手啊?三维的高手呢给个解释吧
发表于 2012-10-14 18:50:43 | 显示全部楼层 来自: 中国江西南昌
美女,不管你换成节流阀还是调速阀,只要他们允许通过的流量(节流阀时,要通过计算得出允许流量)小于泵的输出流量,泵出口的压力就是先导式溢流阀的设定值。
* V% I2 u, w# Z* M9 e% o5 w
; k* O, }- g* E! ^4 q5 p另,计算节流系统流量时,可通过反推法计算,先假设系统工作压力为溢流阀设定值,进而计算出节流阀开口度大小一定时对应的流量,假如此流量大于泵的输出流量,说明假设的系统压力不正确,溢流阀没有开启,泵输出的流量应全部通过节流阀,此时系统的工作压力应是负载压力+节流阀压降。
发表于 2012-10-14 19:40:50 | 显示全部楼层 来自: 中国河南安阳
thanks3467 发表于 2012-10-10 19:34 static/image/common/back.gif
* B4 q, m1 ]3 \/ u9 e. u究竟有没有高手啊?三维的高手呢给个解释吧
6 {1 M. Y% s' m) I5 u# Y5 Z' E6 {
会员xuping5114 对于你的两种情况已给予详细的说明。
发表于 2012-10-15 09:38:23 | 显示全部楼层 来自: 中国上海
本帖最后由 rehuo008 于 2012-10-15 09:43 编辑 - y+ J  @6 e6 I' m  e+ Y

# B! c& q3 z  G/ `3 |2 t  \) h. O这个问题比较复杂,仅仅看调速阀功能是不够的,需要从元件结构考虑, O/ {# t9 Q' X. @
我的理解,如果泵流量大于调速阀流量,那么泵会从溢流阀溢流。关键是压力问题。为什么负载压力不变,调速阀中节流阀两端压差不变,泵压力会上升到8MPa。我是这么理解的。既然负载压力设置为5MPa,溢流阀压力8MPa,那么调速阀中节流阀两端压差必需小于3MPa,假设为1.5MPa.那么当泵流量大于调速阀流量时,节流阀后端压力为5MPa,前端压力就为6.5MPa,那么多余1.5MPa必为减压阀进出口压差,实际上泵流量增大,减压阀进出压差也会增大,减压阀开口变小,流量就变小。当然这个流量肯定比节流阀流量要大。

评分

参与人数 1三维币 +2 收起 理由
9619 + 2 技术讨论

查看全部评分

发表于 2012-10-15 09:39:44 | 显示全部楼层 来自: 中国上海
回5楼,不可能为0,减压阀和节流阀有流量时,都会有压力损失,就是背压
发表于 2012-10-15 09:42:44 | 显示全部楼层 来自: 中国上海
如果换成节流阀,就简单了,因为压差不一样。这时候假设系统压力为8MPa,那么节流阀压差为3MPa,这时候结算节流阀流量是否大于泵流量。如果大于,假设不成立,泵出口压力达不到8MPa;否则,泵出口压力等于8Mpa,溢流阀溢流。
发表于 2012-10-15 09:47:36 | 显示全部楼层 来自: 中国上海
所以LZ提的问题很有水平,泵的流量大于调速阀流量时,泵的出口压力肯定等于溢流阀压力,问题是如果溢流阀设定压力-负载压力-节流阀压差过大,也就是说减压阀两端压差过大,会导致减压阀开口过小,会出现这样的情况:泵流量增大,负载反而速度变慢的情况。
发表于 2012-10-15 12:57:48 | 显示全部楼层 来自: 中国四川
负载决定压力,这句话没问题,争对泵来说,你的节流阀就是它的负载(不考虑管路节流),若你节流阀的最大流量小于泵的流量,那压力肯定可以憋起来,多余的流量通过溢流阀溢流,但一般来说,节流阀你全开的话,通流能力应该比泵大的多,因此泵出口压力可能会很低
# Z1 k  w7 F/ \: Y% H7 W) K- v3 V5 I: E# g5 F
发表于 2012-10-15 13:04:35 | 显示全部楼层 来自: 中国江苏苏州
rehuo008 发表于 2012-10-15 09:47 static/image/common/back.gif3 D2 R, k1 Z8 {" X( O) {7 F3 ^
所以LZ提的问题很有水平,泵的流量大于调速阀流量时,泵的出口压力肯定等于溢流阀压力,问题是如果溢流阀设 ...

+ A( e% e1 {& q# Y: u: j请问,调速阀的流量不是可以几乎恒定的吗?比如2FRM6型调速阀
发表于 2012-10-15 15:06:44 | 显示全部楼层 来自: 中国上海
281131906 发表于 2012-10-15 13:04 static/image/common/back.gif5 S* \" `% I/ Y6 x1 k/ s2 v, |# s
请问,调速阀的流量不是可以几乎恒定的吗?比如2FRM6型调速阀

+ |0 P# U+ C$ f! {- r1 {7 F这个流量恒定是指通过调速阀中,节流阀的流量恒定,前面补偿器和节流阀是串联的,如果前面补偿器开口过小,就会影响到后面节流阀的流量
发表于 2012-10-16 12:47:16 | 显示全部楼层 来自: 中国江苏苏州
rehuo008 发表于 2012-10-15 15:06 static/image/common/back.gif
+ K/ ?  t' j8 B* M7 W% ^/ ^这个流量恒定是指通过调速阀中,节流阀的流量恒定,前面补偿器和节流阀是串联的,如果前面补偿器开口过小 ...
( m4 R: d" G  {( Y
哦   谢谢了
发表回复
您需要登录后才可以回帖 登录 | 注册

本版积分规则


Licensed Copyright © 2016-2020 http://www.3dportal.cn/ All Rights Reserved 京 ICP备13008828号

小黑屋|手机版|Archiver|三维网 ( 京ICP备2023026364号-1 )

快速回复 返回顶部 返回列表