QQ登录

只需一步,快速开始

登录 | 注册 | 找回密码

三维网

 找回密码
 注册

QQ登录

只需一步,快速开始

展开

通知     

查看: 1881|回复: 11
收起左侧

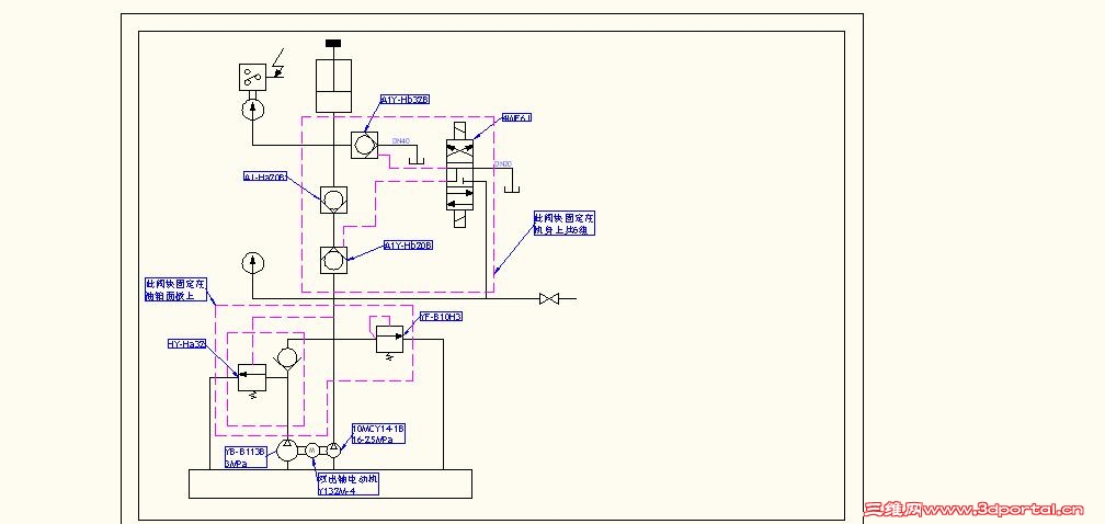
[讨论] 此原理图可行,可靠吗?

[复制链接]
发表于 2012-10-12 18:56:20 | 显示全部楼层 |阅读模式 来自: 中国江苏无锡

马上注册,结识高手,享用更多资源,轻松玩转三维网社区。

您需要 登录 才可以下载或查看,没有帐号?注册

x
欢迎大家发表意见和建议。
' s. A. d" D5 O  G; r. r$ f* f) N6 O9 u0 }, F* Y" ~
液压原理图.jpg
/ Q3 T( J, M! A. i& d. O  o) h8 E8 L6 z8 B+ \: m% H+ Z

. s& c0 r& k4 r8 W6 Q% X
0 g6 e- ]% X2 N$ L% `/ Y
' q$ K$ k( z6 ~; i/ N7 s- ~3 Y0 I2 {# W  c  e

' u) l3 t( k, e( Y( W- B
5 {& `3 I( m: M$ W! u: Z3 ]+ d$ o" S6 X4 ?3 D, `
发表于 2012-10-13 12:02:22 | 显示全部楼层 来自: 中国辽宁本溪
理论上行,但一般吊重物用平衡阀。那么需要电磁溢流阀控制油路的开启,需要改油路。

评分

参与人数 1三维币 +2 收起 理由
9619 + 2 技术讨论

查看全部评分

发表于 2012-10-13 13:06:29 | 显示全部楼层 来自: 中国江苏苏州
看这里油缸是靠自重回来的,直接回油箱,不怕系统失控啊?

评分

参与人数 1三维币 +2 收起 理由
9619 + 2 技术讨论

查看全部评分

?????????? 该用户已被删除
发表于 2012-10-13 17:14:57 | 显示全部楼层 来自: 中国辽宁鞍山
提示: 作者被禁止或删除 内容自动屏蔽
 楼主| 发表于 2012-10-13 17:25:32 | 显示全部楼层 来自: 中国江苏无锡
此系统要求油缸快速上升(行程1500),压倒工件后压力上升大泵卸荷,高压泵继续打到16MPA时,电接点压力表发出信号,整个系统即停止工作。大约保压15分钟后,油缸下降完成一次循环。! z; v5 ^/ Y0 ?4 ]* T. @) U0 s
此油缸要求就是回程越快越好,所以回油用的液控单向阀是32通经的。7 x+ D* z) X' n
发表于 2012-10-13 23:05:25 | 显示全部楼层 来自: 中国北京
液控单向阀改成二通插装阀较为简单

评分

参与人数 1三维币 +1 收起 理由
自流井 + 1 ??

查看全部评分

 楼主| 发表于 2012-10-14 18:41:35 | 显示全部楼层 来自: 中国江苏无锡
zdp01660 发表于 2012-10-13 23:05 static/image/common/back.gif
  x4 f: a7 I& ]+ n0 M液控单向阀改成二通插装阀较为简单
: l$ h1 B; v/ x! D' a
我也有这个想法,但是插装阀我不是很熟悉,能提供一下型号规格吗?
发表于 2012-10-15 13:16:06 | 显示全部楼层 来自: 中国江苏南通
" z8 P! }5 D% t4 s5 n+ F

1 b  Z5 B7 D" \: w9 L/ S; ~: t还可行
( Z% u- e$ J/ k* ]
) m; E+ B6 y1 N2 v$ K5 X# e" n, n5 G但控制还是简单点好
发表于 2012-10-18 22:47:04 | 显示全部楼层 来自: 中国北京
实际上二通阀就是一种液控单向阀,阀芯有多种形式,你那个原理图上的一个单向和液控单向,在二通里就可以是一个阀
发表于 2012-10-19 02:11:40 | 显示全部楼层 来自: 中国辽宁鞍山
本帖最后由 liuxdliuxd 于 2012-10-19 02:13 编辑
' r  e* [! v+ m2 ]2 Q% [' ~
  k/ y) O8 _+ \6 e4 v, g换向阀的B口放一个顺序阀好一些,能调整单向阀的控制压力,还能卸荷多余的高压油。
发表于 2012-10-19 11:09:44 | 显示全部楼层 来自: 中国北京
好像是压机的原理图,我见过的油缸是一个大小缸,可以实现快动作和大力量的慢动作。
发表于 2012-10-19 11:31:07 | 显示全部楼层 来自: 中国北京
油缸的主要部分,液控阀的控制和你的一样。; q2 p  F& N% {3 e7 x9 S! W
QQ截图20121019112911.png
发表回复
您需要登录后才可以回帖 登录 | 注册

本版积分规则


Licensed Copyright © 2016-2020 http://www.3dportal.cn/ All Rights Reserved 京 ICP备13008828号

小黑屋|手机版|Archiver|三维网 ( 京ICP备2023026364号-1 )

快速回复 返回顶部 返回列表