QQ登录

只需一步,快速开始

登录 | 注册 | 找回密码

三维网

 找回密码
 注册

QQ登录

只需一步,快速开始

展开

通知     

查看: 3441|回复: 20
收起左侧

[求助] 三爪卡盘图纸

[复制链接]
发表于 2012-11-2 22:12:13 | 显示全部楼层 |阅读模式 来自: 中国广东汕尾

马上注册,结识高手,享用更多资源,轻松玩转三维网社区。

您需要 登录 才可以下载或查看,没有帐号?注册

x
本帖最后由 asdolmlm 于 2012-12-12 22:09 编辑
* F  y3 ~% n2 Q9 x( r" J% ]; Z7 p0 M. |0 M( p  p8 s4 {7 O+ o
谁有三爪卡盘的三维图和二维图???能甩出来!!!!
发表于 2012-11-2 23:15:01 | 显示全部楼层 来自: 中国广东东莞
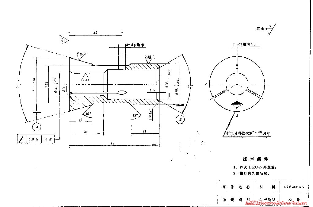
给你一个单锥形弹簧夹头图纸,没有三维模型,楼主可以自己画模型(要的话明天可以用pro/e画一个)。另外还有双锥形式。单锥还有前小后大形式的结构。
1.jpg

评分

参与人数 1三维币 +2 收起 理由
渔樵 + 2 应助

查看全部评分

发表于 2012-11-9 09:53:14 | 显示全部楼层 来自: 中国山西太原
三爪夹头结构简单,可看自已设计,给楼主个图片看看:
7:24铣刀夹头.jpg

评分

参与人数 1三维币 +2 收起 理由
渔樵 + 2 应助

查看全部评分

发表于 2012-11-10 12:59:17 | 显示全部楼层 来自: 中国重庆
版大有没有类似的这种结构用于夹具上面的机构,可以快速夹紧,主要用于夹具圆形的零件,或者绷内孔
发表于 2012-11-12 19:20:19 | 显示全部楼层 来自: 中国山东烟台
在夹具设计图册上都能看到
发表于 2012-11-12 20:36:12 | 显示全部楼层 来自: 中国广东东莞
cddgood 发表于 2012-11-10 12:59 static/image/common/back.gif
8 e6 U* D7 L: ?9 V" V& i版大有没有类似的这种结构用于夹具上面的机构,可以快速夹紧,主要用于夹具圆形的零件,或者绷内孔

1 L4 b3 c' O! U" F7 K* k( [提供几个事例如附图。自动车床上就有应用。
1.jpg
2.jpg
3.jpg
4.jpg

评分

参与人数 1三维币 +2 收起 理由
渔樵 + 2 应助

查看全部评分

发表于 2012-11-12 20:37:20 | 显示全部楼层 来自: 中国广东珠海
我准备下载一个夹具设计软件版,去看看$ j/ h- L8 m! f" U
发表于 2012-11-13 14:33:13 | 显示全部楼层 来自: 中国广东珠海
多谢tangcarlos3d哦
发表于 2012-11-13 14:44:10 | 显示全部楼层 来自: 中国广东珠海
外面应该还有个锥套才能改锁紧工件吧
发表于 2012-11-17 16:17:49 | 显示全部楼层 来自: 中国重庆
手板车床上都是用这样的夹头。
发表于 2012-11-17 20:47:21 | 显示全部楼层 来自: 中国广东东莞
铣床上也用弹簧夹头夹持铣刀。不过那是双锥的,并且不适合大批生产的场合。
发表于 2012-11-17 20:51:44 | 显示全部楼层 来自: 中国广东东莞
cddgood 发表于 2012-11-13 14:44 static/image/common/back.gif
) c6 M& }/ ]) ~: e* ^. z2 k% i0 D外面应该还有个锥套才能改锁紧工件吧
  r4 ]3 ]* s* e6 P- C' `& K. f
是的外面要配锥套。夹紧用拉杆装在后面的汽缸或油缸的空心活塞杆内(要装轴承隔开活塞杆与拉杆的旋转运动。)
 楼主| 发表于 2012-12-11 14:28:07 | 显示全部楼层 来自: 中国重庆
本帖最后由 chong20001124 于 2012-12-11 14:30 编辑
- H9 i9 u: o# l% U3 j% r  S1 P3 ^4 |7 |. U/ B
这个是弹性夹头,好不好!!想在三找夹头的基础上加个东西!!!
发表于 2012-12-11 20:38:08 | 显示全部楼层 来自: 中国广东东莞
chong20001124 发表于 2012-12-11 14:28 static/image/common/back.gif# Y+ F# b8 s# @0 I7 v
这个是弹性夹头,好不好!!想在三找夹头的基础上加个东西!!!

" ]9 C  k' \) `* {$ b) x- G( W1 b你是要车床上的三爪卡盘的图纸吧!不是“三爪夹头”,更不是“三找夹头”。
: x4 e$ M* `* c: G! c" x. h+ }+ ]: f没说清,人家只能根据通用叫法提供。
 楼主| 发表于 2012-12-12 13:21:05 | 显示全部楼层 来自: 中国重庆
,对说错了,是卡盘!!!
发表于 2012-12-12 19:17:14 | 显示全部楼层 来自: 中国广东东莞
本帖最后由 tangcarlos3d 于 2012-12-12 19:53 编辑
* ~2 `3 k& c3 x/ J. y& ]$ o
chong20001124 发表于 2012-12-12 13:21 static/image/common/back.gif
9 O+ w3 ~! x# L+ d+ `,对说错了,是卡盘!!!
  r% s% f1 c, Z0 k! U
什么样、规格的卡盘?怕就怕这样不确切的问题。不同规格的机床配对卡盘的尺寸不同。7 |. }# S! |- B! n2 k' d
- Z6 Y: D7 P1 ?! y
附件是机床设计手册上打印出来的。供参考,自己可根据尺寸画出来模型来。

三爪卡盘.pdf

1.93 MB, 下载次数: 53

发表于 2012-12-20 17:13:50 | 显示全部楼层 来自: 中国湖北十堰
关键词:Ortlieb2011样本
发表于 2012-12-20 17:50:52 | 显示全部楼层 来自: 中国辽宁沈阳
人家要的是三抓卡盘,和三爪弹性卡头根本就是两回事
发表于 2012-12-20 22:44:24 | 显示全部楼层 来自: 中国广东东莞
dadam2000 发表于 2012-12-20 17:50 static/image/common/back.gif  h+ n+ _+ U: W
人家要的是三抓卡盘,和三爪弹性卡头根本就是两回事

# c# j/ Z2 d- n( ]: e5 o楼主开始是说三爪夹头,不是卡盘。一楼的内容已被版主修改过。
发表于 2012-12-21 05:38:55 | 显示全部楼层 来自: 中国辽宁沈阳
tangcarlos3d 发表于 2012-12-20 22:44 static/image/common/back.gif
+ ?5 ^( o3 S) X" @, \2 f楼主开始是说三爪夹头,不是卡盘。一楼的内容已被版主修改过。

! D4 u( Q& ^$ ]$ D2 V; C# P; K哦,这样啊,看到后面才看明白,三找夹 头是啥?
 楼主| 发表于 2013-1-24 12:09:49 | 显示全部楼层 来自: 中国重庆
这个东西好象还是技术机密啊,到处都找不到哦!!!
发表回复
您需要登录后才可以回帖 登录 | 注册

本版积分规则


Licensed Copyright © 2016-2020 http://www.3dportal.cn/ All Rights Reserved 京 ICP备13008828号

小黑屋|手机版|Archiver|三维网 ( 京ICP备2023026364号-1 )

快速回复 返回顶部 返回列表