QQ登录

只需一步,快速开始

登录 | 注册 | 找回密码

三维网

 找回密码
 注册

QQ登录

只需一步,快速开始

展开

通知     

查看: 3348|回复: 11
收起左侧

[求助] 多路阀原理

[复制链接]
发表于 2012-11-5 21:14:25 | 显示全部楼层 |阅读模式 来自: 中国四川宜宾

马上注册,结识高手,享用更多资源,轻松玩转三维网社区。

您需要 登录 才可以下载或查看,没有帐号?注册

x
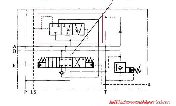
请教大侠们,图中红框的那个阀是什么作用啊??,请多指教,% }% U# J' S8 _2 I
多路阀.JPG
发表于 2012-11-5 22:35:06 | 显示全部楼层 来自: 中国山东青岛
没见过,能不能贴全了啊?不知道LS油路是要主动控制还是负载敏感接到泵上的,反正LS压力大于P压力处于左位截断油路;LS压力等于P压力处于中位有限通油;LS小于P压力则给工作油路和LS油路供油。

评分

参与人数 1三维币 +2 收起 理由
9619 + 2 技术讨论

查看全部评分

发表于 2012-11-7 20:12:37 | 显示全部楼层 来自: 中国湖南长沙
应该是个压力补偿阀吧?% M6 @8 y/ X# i( e- w/ G
几个动作复合的时候,给负载压力低的动作进行节流,提高其压力,使得主阀芯前后的压差保持恒定,这样流量分配只和阀芯开口有关。

评分

参与人数 1三维币 +2 收起 理由
9619 + 2 技术讨论

查看全部评分

发表于 2012-11-7 22:00:38 | 显示全部楼层 来自: 中国四川成都
我觉得液压元件里,多路阀最复杂。
发表于 2012-11-15 00:42:08 | 显示全部楼层 来自: 中国江西赣州
本帖最后由 dicksmart 于 2012-11-15 00:43 编辑
9 V0 I+ f5 y) M4 N+ E; X; m7 J7 ?( Y6 f1 l: q
是LUDV系统中的压力补偿阀,通常这个阀左边有个弹簧

评分

参与人数 1三维币 +2 收起 理由
9619 + 2 技术讨论

查看全部评分

发表于 2012-11-16 15:58:00 | 显示全部楼层 来自: 中国江苏苏州
压力补偿阀,很常用的一个阀

评分

参与人数 1三维币 +2 收起 理由
9619 + 2 技术讨论

查看全部评分

发表于 2012-11-28 14:01:35 | 显示全部楼层 来自: 中国广西
力士乐的LUDV多路阀。红色框图里是压力补偿阀。LS是同时作用的负载的最高压力,补偿阀把轻负载的压力提高最高负载压力的水平,因此,轻重负载同时作用时,通过多路阀阀芯的压差都一样,所以通过阀芯的流量和负载压力无关,只与阀芯开口大小相关。

评分

参与人数 1三维币 +2 收起 理由
9619 + 2 技术讨论

查看全部评分

发表于 2012-11-30 00:04:02 | 显示全部楼层 来自: 中国湖南长沙
你这个原理图其实不够准确,至少应该是比例的换向阀。5 U" |- B( L  G3 M
LUDV多路阀,上面是压力补偿阀。我这里有学习资料。
5 C6 ^- ~: X! I顺便给你分析下:' ~( \1 m0 c* y5 U* T! P& m! h; ]2 y
1. 负载最大一联多路阀,压力补偿阀处于右位,LS压力取至最大负载压力
$ e! }6 C  b1 f( ?4 O4 H, w2. 其他小负载联多路阀,压力补偿阀处于比例控制(即在左位和中位之间),这个时候就起到压力补偿的作用,使三位六通比例换向阀的出口压力=小负载压力+压力补偿阀节流孔‘消耗’的压力=PLS。
& B2 J8 S5 V7 K) i5 _& c3. 所以,所有负载的三位六通比例换向阀的出口压力都一样位PLS,进口压力都是来之油泵,保证了流量至于三位六通比例换向阀开口度有关,与负载压力无关。: Q; {, h, l) B; J) w7 Z% {- k
没有图,不好讲解。。。。。

力士乐培训M7-LUDV.pdf

1.63 MB, 下载次数: 25

力士乐培训M7-LUDV

发表于 2012-11-30 10:27:38 | 显示全部楼层 来自: 中国上海
dicksmart 发表于 2012-11-15 00:42 static/image/common/back.gif
3 R, E* w% ^9 i% J5 |% F% N是LUDV系统中的压力补偿阀,通常这个阀左边有个弹簧
  u2 k* g% A: x2 m( Z- i+ {
我也觉的总少什么东西
发表于 2012-12-6 13:23:33 | 显示全部楼层 来自: 中国山东
rehuo008 发表于 2012-11-30 10:27 static/image/common/back.gif
5 ?1 B, ?( x0 V0 `我也觉的总少什么东西

- b4 @, W6 {6 c6 B压力补偿阀其实是可以不用弹簧的
发表于 2013-1-20 17:00:48 | 显示全部楼层 来自: 中国北京
压力补偿阀,应该是一个是没有负载的时候阀在中间工作,有负载时候在右位工作。
发表于 2013-1-20 19:46:38 | 显示全部楼层 来自: 中国广东汕尾
感觉很复杂
发表回复
您需要登录后才可以回帖 登录 | 注册

本版积分规则


Licensed Copyright © 2016-2020 http://www.3dportal.cn/ All Rights Reserved 京 ICP备13008828号

小黑屋|手机版|Archiver|三维网 ( 京ICP备2023026364号-1 )

快速回复 返回顶部 返回列表