QQ登录

只需一步,快速开始

登录 | 注册 | 找回密码

三维网

 找回密码
 注册

QQ登录

只需一步,快速开始

展开

通知     

全站
9天前
查看: 2709|回复: 17
收起左侧

[求助] 关于液压缸锁紧问题

[复制链接]
发表于 2012-11-16 17:24:27 | 显示全部楼层 |阅读模式 来自: 中国山东烟台

马上注册,结识高手,享用更多资源,轻松玩转三维网社区。

您需要 登录 才可以下载或查看,没有帐号?注册

x
本帖最后由 rehuo008 于 2012-11-16 17:25 编辑 2 s. l, V9 ]; F9 i1 a

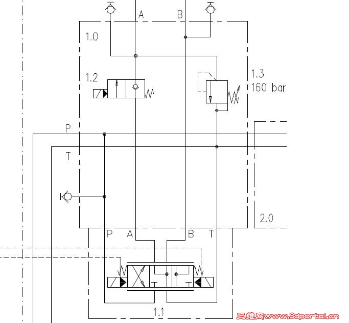
* w4 r/ b- R  G* y- `/ ^给客户做的液压站,油缸无法锁紧。开模时,总是要向下移动5~6mm。合模还好一点。现在不知道问题出在什么地方。如下图4 y6 ?2 r6 Q7 v) }/ u" N
未命名.JPG
+ o3 d0 x, a4 O* j9 Z  z其中,A腔是无杆腔,B腔是有杆腔,开模差动,比例阀工作在右位,二位插装阀原位不动。合模,比例阀工作在左位,二位插装阀工作在左位。; t# j- e4 g5 i. r
最初设想是二位插装阀的单向阀无法及时锁紧,可能是背压的原因。而背压的产生可能与比例阀回中位速度有关。但调整比例阀的斜坡时间t,对系统无改善。现在纠结中。。。问题出在什么地方》?烦请各位高手给个意见。5 W4 N2 K" r1 a6 U% s
另外,T口有1bar背压,应该影响不大吧?
发表于 2012-11-16 17:34:59 | 显示全部楼层 来自: 中国广西玉林

回帖奖励 +2 点三维币

有杆腔合模?
发表于 2012-11-16 17:57:59 | 显示全部楼层 来自: 中国河北秦皇岛

回帖奖励 +2 点三维币

电磁阀泄漏呀
* k; p$ V8 I4 r5 ]! k9 Z1 M
( p/ N- A8 P$ R# u2 a& X9 ?7 _7 g这种阀锁不紧
发表于 2012-11-16 17:59:55 | 显示全部楼层 来自: 中国河北秦皇岛
比例阀锁住是较难的
( @- B. l3 i& r  p
9 m; J- X. J5 z9 o5 u( o插装二通阀换一个试试
 楼主| 发表于 2012-11-16 20:47:02 | 显示全部楼层 来自: 中国山东烟台
现在在客户这边,明天就要调试。这里没有备件。而且这个插装阀是BUCHER的东西,问题应该不大吧?关键就是停止后一小会,会缓慢下移。过了这一小段时间就保证不动了。
* u$ J, i/ A: [3 I- o, h  p. }
发表于 2012-11-16 21:38:49 | 显示全部楼层 来自: 中国山东青岛

回帖奖励 +2 点三维币

这类阀一般来说背压是不会产生影响,毕竟不是先导阀,背压压力一般不会大于负载腔压力打开阀体。我觉得还是电磁阀的问题。
 楼主| 发表于 2012-11-16 22:15:39 | 显示全部楼层 来自: 中国山东烟台
csuce 发表于 2012-11-16 21:38 static/image/common/back.gif
1 g5 G* f. r2 H  @7 m5 u这类阀一般来说背压是不会产生影响,毕竟不是先导阀,背压压力一般不会大于负载腔压力打开阀体。我觉得还是 ...

) e3 I3 h/ }4 |: s# Z我也这么认为,但是奇怪的是,当油缸停止工作一瞬间,会下滑一点,过一会就完全不动了呢?如果电磁阀泄漏,那么油缸不可能保持静止,会一直慢慢滑落。而且开模的时候电磁阀完全没有工作,靠右位单向阀正向开启工作
 楼主| 发表于 2012-11-16 22:16:51 | 显示全部楼层 来自: 中国山东烟台
硫化机的项目头大了,已经第三次调试了。前面都是因为比例阀和放大板的问题。这次还不知道能不能解决好
发表于 2012-11-17 09:47:00 | 显示全部楼层 来自: 中国重庆
本帖最后由 ttyxe 于 2012-11-17 09:56 编辑 5 |0 E. [- Q; N4 J4 V% w( T" w
0 x: S$ |+ c! h
是不是溢流阀压力设定值和油缸负载相当?把溢流阀压力设定值提高试试。溢流阀应该选择直动式的。往下移那么多我觉得不是电磁球阀的问题。你观察一下A腔的压力是如何变化的
发表于 2012-11-17 14:27:47 | 显示全部楼层 来自: 中国江苏常州
换向阀有没有漏油孔,是不是相应的集成块没有打漏油孔呀,希望楼主把解决的过程来分享一下。
 楼主| 发表于 2012-11-18 21:00:01 | 显示全部楼层 来自: 中国山东烟台
ttyxe 发表于 2012-11-17 09:47 static/image/common/back.gif
# d" V9 y+ G! q( O. T+ E是不是溢流阀压力设定值和油缸负载相当?把溢流阀压力设定值提高试试。溢流阀应该选择直动式的。往下移那么 ...

. K, q$ k7 n; a# G第一,溢流阀压力160bar,负载压力120bar;; J1 S" Y6 K" \0 ^6 R' u# c( C9 u' M' F
第二,油缸慢速停止比快速停止要下滑明显,还有就是上行比下行明显;4 A6 s* l4 p: g  q
所以,应该不是溢流阀问题,否则,速度越快,停止越快,蠕动越明显。
 楼主| 发表于 2012-11-18 21:01:22 | 显示全部楼层 来自: 中国山东烟台
syxplc 发表于 2012-11-17 14:27 static/image/common/back.gif
2 ?2 P2 J& `% V+ @% q换向阀有没有漏油孔,是不是相应的集成块没有打漏油孔呀,希望楼主把解决的过程来分享一下。
3 R" B/ f2 b" s, C& [  d' `
什么漏油孔?比例阀选的外控,内排式的。是不是这个原因?
 楼主| 发表于 2012-11-18 21:03:05 | 显示全部楼层 来自: 中国山东烟台
现在好一点了,但也下移有2mm左右
发表于 2012-11-19 08:01:24 | 显示全部楼层 来自: 中国江苏常州
现在好一点了,楼主是不是油缸里面的空气没有排干净呀。
发表于 2012-11-19 20:21:10 | 显示全部楼层 来自: 中国福建莆田
比例阀要选择,内控外排的控制方式
发表于 2012-11-20 11:49:59 | 显示全部楼层 来自: 中国山东济南
mhz09 发表于 2012-11-19 20:21 static/image/common/back.gif
. `: K8 X$ w* n2 F( N比例阀要选择,内控外排的控制方式

+ W: O) z1 [; Q. h# n, E. I3 Q; w:good:good:good:good
发表于 2012-11-20 11:52:15 | 显示全部楼层 来自: 中国山东济南
楼主问题解决了吗?) G( l: \0 t" R% M0 D8 Y
比例阀多大通径啊,可以加液控阀吗?
" k  s1 H4 L, k; A# p) s, [内排的话可以接根管子转外排吗?
发表于 2012-11-25 08:52:34 | 显示全部楼层 来自: 中国江苏无锡
看看油缸有没有内泄漏的情况& N% G5 W$ O- H2 r/ ]
发表回复
您需要登录后才可以回帖 登录 | 注册

本版积分规则


Licensed Copyright © 2016-2020 http://www.3dportal.cn/ All Rights Reserved 京 ICP备13008828号

小黑屋|手机版|Archiver|三维网 ( 京ICP备2023026364号-1 )

快速回复 返回顶部 返回列表