QQ登录

只需一步,快速开始

登录 | 注册 | 找回密码

三维网

 找回密码
 注册

QQ登录

只需一步,快速开始

展开

通知     

查看: 3107|回复: 13
收起左侧

[已答复] M20*2.5 加工内盲牙75深, #45 求好招

[复制链接]
发表于 2012-11-17 18:00:04 | 显示全部楼层 |阅读模式 来自: 中国广东深圳

马上注册,结识高手,享用更多资源,轻松玩转三维网社区。

您需要 登录 才可以下载或查看,没有帐号?注册

x
      新手进来,多学习,望前辈们指教。
发表于 2012-11-17 18:50:21 | 显示全部楼层 来自: 中国广东汕头
本帖最后由 tangcarlos3d 于 2012-11-17 20:24 编辑 . M$ }* u6 Q5 H4 b# q

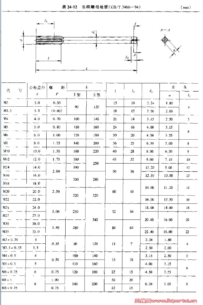
: o0 e5 M" ^  l) K6 @3 l' r' Z用加长丝锥攻牙。尺寸见附图。
2.jpg
3.jpg

评分

参与人数 1三维币 +2 收起 理由
渔樵 + 2 应助

查看全部评分

发表于 2012-11-18 10:25:18 | 显示全部楼层 来自: 中国山西太原
盲孔攻丝用机用丝锥较危险,手动太费劲,可在车床挑扣,较为可靠。也可先在车床上挑扣,最后用机用丝锥攻成,注意需加工适合操作的退刀槽。

评分

参与人数 1三维币 +2 收起 理由
渔樵 + 2 应助

查看全部评分

发表于 2012-11-18 11:11:55 | 显示全部楼层 来自: 中国广东东莞
楼主的零件设计是全长上要攻丝吗?如果是则设计有问题,一般螺纹长度不超过直径的2.5~3倍。所以可以把进口段扩孔至24~25mm。

评分

参与人数 1三维币 +2 收起 理由
洪哥 + 2 感谢帮助!

查看全部评分

发表于 2012-11-18 18:58:24 | 显示全部楼层 来自: 中国山东烟台
没有加长的话也可以加接杆,我们常用,主要就是考虑排屑的问题,选用螺旋槽的丝锥排屑会好一些

评分

参与人数 1三维币 +2 收起 理由
渔樵 + 2 技术讨论

查看全部评分

发表于 2012-11-19 00:23:15 | 显示全部楼层 来自: 中国浙江绍兴
注意排屑 。控好深度就行了 当然还要多加点油

评分

参与人数 1三维币 +2 收起 理由
洪哥 + 2 感谢帮助!

查看全部评分

 楼主| 发表于 2012-11-23 08:59:59 | 显示全部楼层 来自: 中国广东深圳
大哥们,怎么都没留下联系方式?  o. X# c( ~* g# r5 Y/ s
发表于 2012-11-30 19:27:33 | 显示全部楼层 来自: 中国天津
为爱拼搏 发表于 2012-11-23 08:59 static/image/common/back.gif
3 K' u% i: w; T大哥们,怎么都没留下联系方式?

: ]9 e7 X" W* ~) U$ ^4 j尝试使用螺纹铣刀加工.

评分

参与人数 1三维币 +2 收起 理由
洪哥 + 2 感谢帮助!

查看全部评分

发表于 2012-12-14 15:00:37 | 显示全部楼层 来自: 中国安徽合肥
storm1234 发表于 2012-11-30 19:27 static/image/common/back.gif2 f; C+ X6 _  |8 M- X( d1 e$ _
尝试使用螺纹铣刀加工.

+ D0 N% T6 t% J+ ?是最安全的方法!

评分

参与人数 1三维币 +2 收起 理由
洪哥 + 2 感谢帮助!

查看全部评分

发表于 2013-1-3 16:50:42 | 显示全部楼层 来自: 中国湖南长沙
数控车是较合适的。注意刀具不要干涉便是

评分

参与人数 1三维币 +2 收起 理由
洪哥 + 2 感谢帮助!

查看全部评分

发表于 2013-1-14 18:19:49 | 显示全部楼层 来自: 中国新疆哈密地区
M20的小内盲孔还是建议机用丝锥加工。

评分

参与人数 1三维币 +2 收起 理由
洪哥 + 2 感谢帮助!

查看全部评分

发表于 2013-1-17 16:47:41 | 显示全部楼层 来自: 中国上海
用废丝锥磨个一攻丝锥,先初攻一下。再用螺旋丝锥攻一遍。攻丝速度慢一点,乳化液大流量冷却。

评分

参与人数 1三维币 +2 收起 理由
渔樵 + 2 技术讨论

查看全部评分

发表于 2013-1-21 16:18:33 | 显示全部楼层 来自: 中国江苏无锡
采用进口加长丝攻,外加正河源丝攻筒夹

评分

参与人数 1三维币 +2 收起 理由
洪哥 + 2 感谢帮助!

查看全部评分

发表于 2013-3-10 15:54:03 | 显示全部楼层 来自: 中国上海
尝试使用螺纹铣刀加工,否则太费劲+ X$ `: S8 n9 J  O' U# a

评分

参与人数 1三维币 +2 收起 理由
洪哥 + 2 感谢帮助!

查看全部评分

发表回复
您需要登录后才可以回帖 登录 | 注册

本版积分规则


Licensed Copyright © 2016-2020 http://www.3dportal.cn/ All Rights Reserved 京 ICP备13008828号

小黑屋|手机版|Archiver|三维网 ( 京ICP备2023026364号-1 )

快速回复 返回顶部 返回列表